电脑桌面
添加蜗牛文库到电脑桌面
安装后可以在桌面快捷访问

药品机构与人员审计模板.docVIP免费

药品机构与人员审计模板.doc_第1页
药品机构与人员审计模板.doc_第2页
药品机构与人员审计模板.doc_第3页
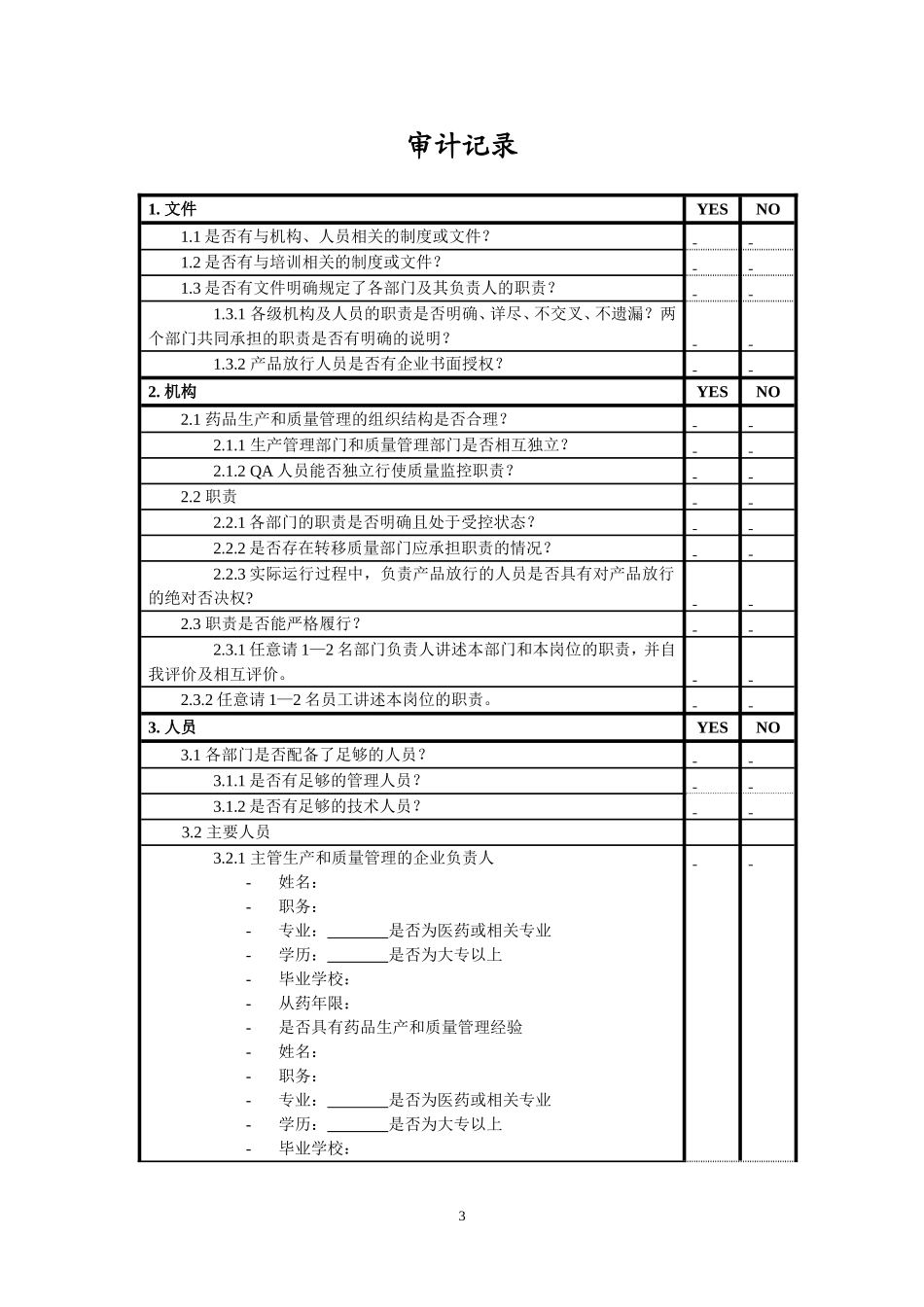
机构与人员审计基本信息审计对象:审计日期:审计小组人员组成:姓名:部门审计主要内容清单:1.文件2.机构3.人员4.培训其他:____________________________审计结论:经对上述内容进行审查,机构与人员部分在文件方面、机构方面、人员方面以及培训方面,履行职责方面。综上认为,是否能保障质量管理体系的有效运行。1审计报告一、基本情况简介二、主要问题主要问题:经对上述问题的综合评估,本企业在机构与人员方面存在不足如下:三、整改建议和跟踪检查结果包括对存在问题的整改建议、整改时限建议,跟踪检查等内容。四、审计小组成员签字2审计记录1.文件YESNO1.1是否有与机构、人员相关的制度或文件?1.2是否有与培训相关的制度或文件?1.3是否有文件明确规定了各部门及其负责人的职责?1.3.1各级机构及人员的职责是否明确、详尽、不交叉、不遗漏?两个部门共同承担的职责是否有明确的说明?1.3.2产品放行人员是否有企业书面授权?2.机构YESNO2.1药品生产和质量管理的组织结构是否合理?2.1.1生产管理部门和质量管理部门是否相互独立?2.1.2QA人员能否独立行使质量监控职责?2.2职责2.2.1各部门的职责是否明确且处于受控状态?2.2.2是否存在转移质量部门应承担职责的情况?2.2.3实际运行过程中,负责产品放行的人员是否具有对产品放行的绝对否决权?2.3职责是否能严格履行?2.3.1任意请1—2名部门负责人讲述本部门和本岗位的职责,并自我评价及相互评价。2.3.2任意请1—2名员工讲述本岗位的职责。3.人员YESNO3.1各部门是否配备了足够的人员?3.1.1是否有足够的管理人员?3.1.2是否有足够的技术人员?3.2主要人员3.2.1主管生产和质量管理的企业负责人-姓名:-职务:-专业:是否为医药或相关专业-学历:是否为大专以上-毕业学校:-从药年限:-是否具有药品生产和质量管理经验-姓名:-职务:-专业:是否为医药或相关专业-学历:是否为大专以上-毕业学校:3-从药年限:-是否具有药品生产和质量管理经验?3.2.2生产管理部门负责人:-专业:是否为医药或相关专业-学历:是否为大专以上-毕业学校:-从药年限:-是否具有药品生产管理经验?-是否能对药品生产管理中的实际问题做出判定和处理?3.2.3质量管理部门负责人:-专业:是否为医药或相关专业-学历:是否为大专以上-毕业学校:-从药年限:-是否具有药品质量管理经验?-是否能对药品质量管理中的实际问题做出判定和处理?3.2.4生产管理部门和质量管理部门负责人是否相互兼任?3.3生产和质量管理负责...

1、当您付费下载文档后,您只拥有了使用权限,并不意味着购买了版权,文档只能用于自身使用,不得用于其他商业用途(如 [转卖]进行直接盈利或[编辑后售卖]进行间接盈利)。
2、本站所有内容均由合作方或网友上传,本站不对文档的完整性、权威性及其观点立场正确性做任何保证或承诺!文档内容仅供研究参考,付费前请自行鉴别。
3、如文档内容存在违规,或者侵犯商业秘密、侵犯著作权等,请点击“违规举报”。

碎片内容

蜗牛文库的最新文档

二年级数学下册其中检测卷二年级数学下册其中检测卷附答案#期中测试卷.pdf
10.00金币
0下载
二年级数学下册期末质检卷(苏教版)二年级数学下册期末质检卷(苏教版)#期末复习 #期末测试卷 #二年级数学 #二年级数学下册#关注我持续更新小学知识.pdf
10.00金币
0下载
二年级数学下册期末混合运算专项练习二年级数学下册期末混合运算专项练习#二年级#二年级数学下册#关注我持续更新小学知识 #知识分享 #家长收藏孩子受益.pdf
10.00金币
1下载
二年级数学下册年月日三类周期问题解题方法二年级数学下册年月日三类周期问题解题方法#二年级#二年级数学下册#知识分享 #关注我持续更新小学知识 #家长收藏孩子受益.pdf
10.00金币
0下载
二年级数学下册解决问题专项训练二年级数学下册解决问题专项训练#专项训练#解决问题#二年级#二年级数学下册#知识分享.pdf
10.00金币
1下载
二年级数学下册还原问题二年级数学下册还原问题#二年级#二年级数学#关注我持续更新小学知识 #知识分享 #家长收藏孩子受益.pdf
10.00金币
1下载
二年级数学下册第六单元考试卷家长打印出来给孩子测试测试争取拿到高分!#小学二年级试卷分享 #二年级第六单考试数学 #第六单考试#二年级数学下册.pdf
10.00金币
0下载
二年级数学下册必背顺口溜口诀汇总二年级数学下册必背顺口溜口诀汇总#二年级#二年级数学下册 #知识分享 #家长收藏孩子受益 #关注我持续更新小学知识.pdf
10.00金币
0下载
二年级数学下册《重点难点思维题》两大问题解决技巧和方法巧算星期几解决周期问题还原问题强化思维训练老师精心整理家长可以打印出来给孩子练习#家长收藏孩子受益 #学霸秘籍 #思维训练 #二年级 #知识点总结.pdf
10.00金币
0下载
二年级数学下册 必背公式大全寒假提前背一背开学更轻松#二年级 #二年级数学 #二年级数学下册 #寒假充电计划 #公式.pdf
10.00金币
0下载
蜗牛文库+ 关注
实名认证
内容提供者

提供各种专业文档内容

确认删除?
QQ
  • QQ点击这里给我发消息
微信客服
  • 微信客服
回到顶部