电脑桌面
添加蜗牛文库到电脑桌面
安装后可以在桌面快捷访问

冷负荷设计计算.xlsVIP免费

冷负荷设计计算.xls_第1页
冷负荷设计计算.xls_第2页
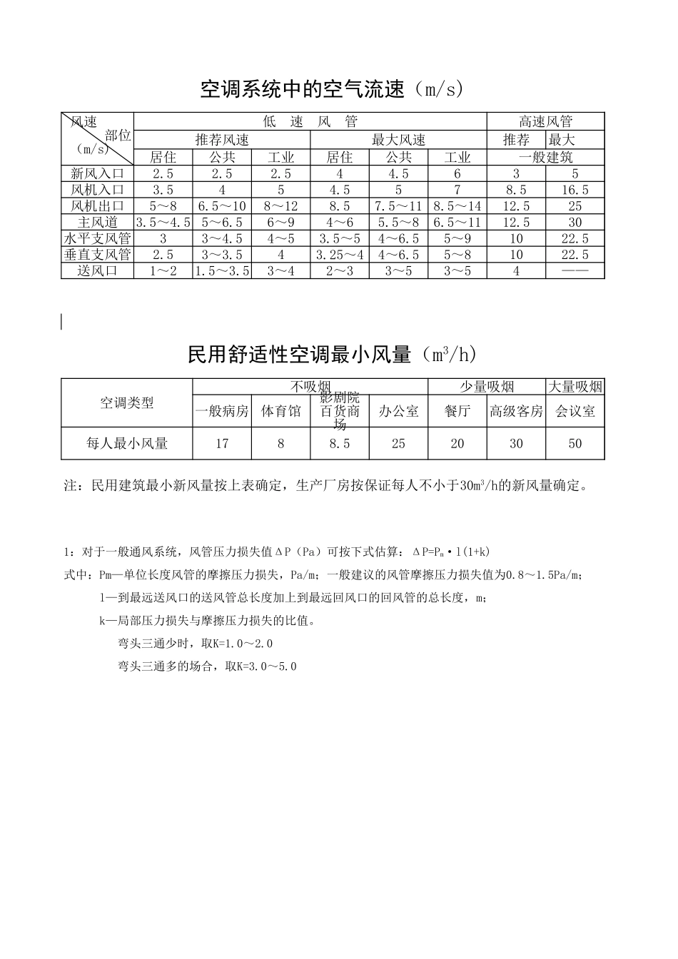
暖通空调水系统的管径和单位长度阻力损失闭式水系统开式水系统15——20————253240506580100125150200250300350400450500管道种类水泵吸水管水泵出水管管道种类管道种类水泵吸水管水泵出水管排水管一般供水干管室内供水立管钢管管径(mm)流量(m3/h)m水柱/100m流量(m3/h)m水柱/100m0~0.50~0.50~40.5~12~41~21.7~40~1.30~42~41.2~41.3~21.2~44~62.0~42~41.5~46~111.3~44~81.5~411~182~48~141.2~418~321.5~414~221.8~432~651.25~422~451.0~465~1151.5~445~821.3~4115~1851.25~482~1301.6~4185~3801~4130~2001.0~2.3380~5601.25~2.75200~3400.8~2560~8201.25~2.25340~4700.8~1.6820~9501.25~2470~6101.0~1.5950~12501~1.75610~7500.8~1.21250~15900.9~1.5750~10000.6~1.21590~20000.8~1.251000~12300.7~1.0GBJ13-86推荐的流速(m/s)管道公称直径(mm)<250250~1600>16001.0~1.21.2~1.61.5~2.01.5~2.02.0~2.52.0~3.0Carrler设计手册推荐的流速(m/s)推荐流速(m/s)推荐流速(m/s)1.2~2.1集管(header)1.2~4.52.4~3.61.2~2.01.5~3.0接自城市供水管网的水管0.9~2.00.9~3.0低速风管高速风管推荐风速最大风速推荐最大居住公共工业居住公共工业一般建筑新风入口2.52.52.544.5635风机入口3.5454.5578.516.5风机出口8.512.525主风道12.530水平支风管31022.5垂直支风管2.541022.5送风口4——空调类型不吸烟少量吸烟大量吸烟一般病房体育馆办公室餐厅高级客房会议室每人最小风量1788.525203050空调系统中的空气流速(m/s)风速部位(m/s)5~86.5~108~127.5~118.5~143.5~4.55~6.56~94~65.5~86.5~113~4.54~53.5~54~6.55~93~3.53.25~44~6.55~81~21.5~3.53~42~33~53~5民用舒适性空调最小风量(m3/h)影剧院百货商场注:民用建筑最小新风量按上表确定,生产厂房按保证每人不小于30m3/h的新风量确定。1:对于一般通风系统,风管压力损失值ΔP(Pa)可按下式估算:ΔP=Pm·l(1+k)式中:Pm—单位长度风管的摩擦压力损失,Pa/m;一般建议的风管摩擦压力损失值为0.8~1.5Pa/m;l—到最远送风口的送风管总长度加上到最远回风口的回风管的总长度,m;k—局部压力损失与摩擦压力损失的比值。弯头三通少时,取K=1.0~2.0弯头三通多的场合,取K=3.0~5.0

1、当您付费下载文档后,您只拥有了使用权限,并不意味着购买了版权,文档只能用于自身使用,不得用于其他商业用途(如 [转卖]进行直接盈利或[编辑后售卖]进行间接盈利)。
2、本站所有内容均由合作方或网友上传,本站不对文档的完整性、权威性及其观点立场正确性做任何保证或承诺!文档内容仅供研究参考,付费前请自行鉴别。
3、如文档内容存在违规,或者侵犯商业秘密、侵犯著作权等,请点击“违规举报”。

碎片内容

蜗牛文库的最新文档

二年级数学下册其中检测卷二年级数学下册其中检测卷附答案#期中测试卷.pdf
10.00金币
0下载
二年级数学下册期末质检卷(苏教版)二年级数学下册期末质检卷(苏教版)#期末复习 #期末测试卷 #二年级数学 #二年级数学下册#关注我持续更新小学知识.pdf
10.00金币
0下载
二年级数学下册期末混合运算专项练习二年级数学下册期末混合运算专项练习#二年级#二年级数学下册#关注我持续更新小学知识 #知识分享 #家长收藏孩子受益.pdf
10.00金币
1下载
二年级数学下册年月日三类周期问题解题方法二年级数学下册年月日三类周期问题解题方法#二年级#二年级数学下册#知识分享 #关注我持续更新小学知识 #家长收藏孩子受益.pdf
10.00金币
0下载
二年级数学下册解决问题专项训练二年级数学下册解决问题专项训练#专项训练#解决问题#二年级#二年级数学下册#知识分享.pdf
10.00金币
1下载
二年级数学下册还原问题二年级数学下册还原问题#二年级#二年级数学#关注我持续更新小学知识 #知识分享 #家长收藏孩子受益.pdf
10.00金币
1下载
二年级数学下册第六单元考试卷家长打印出来给孩子测试测试争取拿到高分!#小学二年级试卷分享 #二年级第六单考试数学 #第六单考试#二年级数学下册.pdf
10.00金币
0下载
二年级数学下册必背顺口溜口诀汇总二年级数学下册必背顺口溜口诀汇总#二年级#二年级数学下册 #知识分享 #家长收藏孩子受益 #关注我持续更新小学知识.pdf
10.00金币
0下载
二年级数学下册《重点难点思维题》两大问题解决技巧和方法巧算星期几解决周期问题还原问题强化思维训练老师精心整理家长可以打印出来给孩子练习#家长收藏孩子受益 #学霸秘籍 #思维训练 #二年级 #知识点总结.pdf
10.00金币
0下载
二年级数学下册 必背公式大全寒假提前背一背开学更轻松#二年级 #二年级数学 #二年级数学下册 #寒假充电计划 #公式.pdf
10.00金币
0下载
蜗牛文库+ 关注
实名认证
内容提供者

提供各种专业文档内容

确认删除?
QQ
  • QQ点击这里给我发消息
微信客服
  • 微信客服
回到顶部