电脑桌面
添加蜗牛文库到电脑桌面
安装后可以在桌面快捷访问

1.焊接符号.docVIP免费

1.焊接符号.doc_第1页
1.焊接符号.doc_第2页
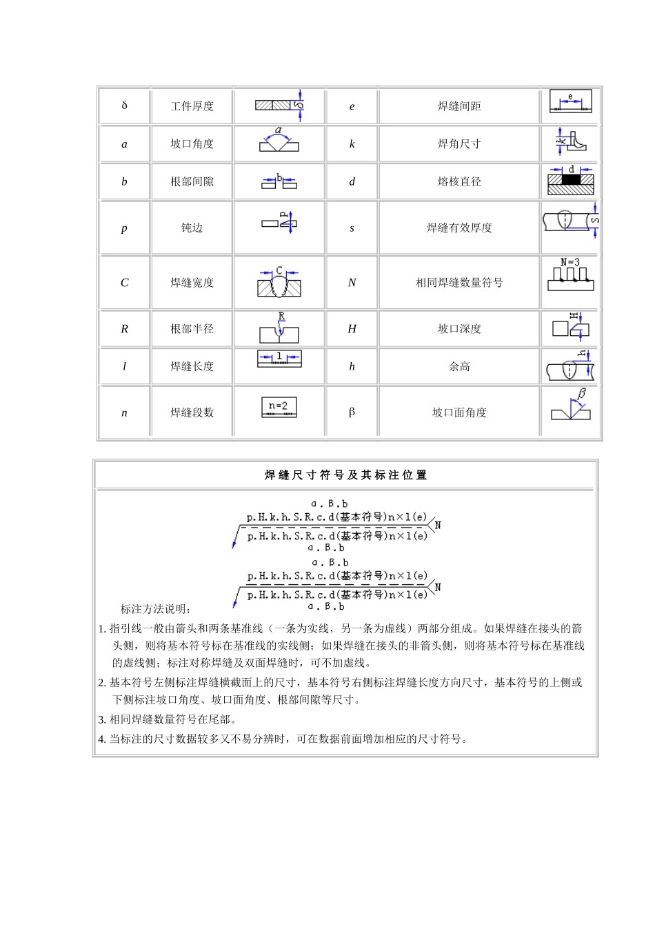
焊缝符号表示法(GB324-88)基本符号辅助和补充符号焊缝尺寸符号焊缝尺寸符号及其标注位置焊缝符号应用举例基本符号名称示意图符号名称示意图符号卷边焊缝*(卷边完全熔化)封底焊缝I形焊缝角焊缝V形焊缝塞焊缝或槽焊缝单边V形焊缝带钝边V形焊缝点焊缝o带钝边单边V形焊缝带钝边U形焊缝缝焊缝带钝J形焊缝注:*不完全熔化的卷边焊缝用I形焊缝符号来表示,并加注焊缝有效厚度S。辅助符号名称示意图符号名称示意图符号平面符号—凸起符号凹陷符号补充符号名称示意图符号名称示意图符号三面焊缝符号带垫板符号周围焊缝符号o现场符号尾部符号<焊缝尺寸符号符号名称示意图符号名称示意图工件厚度e焊缝间距a坡口角度k焊角尺寸b根部间隙d熔核直径p钝边s焊缝有效厚度C焊缝宽度N相同焊缝数量符号R根部半径H坡口深度l焊缝长度h余高n焊缝段数坡口面角度焊缝尺寸符号及其标注位置标注方法说明:1.指引线一般由箭头和两条基准线(一条为实线,另一条为虚线)两部分组成。如果焊缝在接头的箭头侧,则将基本符号标在基准线的实线侧;如果焊缝在接头的非箭头侧,则将基本符号标在基准线的虚线侧;标注对称焊缝及双面焊缝时,可不加虚线。2.基本符号左侧标注焊缝横截面上的尺寸,基本符号右侧标注焊缝长度方向尺寸,基本符号的上侧或下侧标注坡口角度、坡口面角度、根部间隙等尺寸。3.相同焊缝数量符号在尾部。4.当标注的尺寸数据较多又不易分辨时,可在数据前面增加相应的尺寸符号。

1、当您付费下载文档后,您只拥有了使用权限,并不意味着购买了版权,文档只能用于自身使用,不得用于其他商业用途(如 [转卖]进行直接盈利或[编辑后售卖]进行间接盈利)。
2、本站所有内容均由合作方或网友上传,本站不对文档的完整性、权威性及其观点立场正确性做任何保证或承诺!文档内容仅供研究参考,付费前请自行鉴别。
3、如文档内容存在违规,或者侵犯商业秘密、侵犯著作权等,请点击“违规举报”。

碎片内容

蜗牛文库的最新文档

二年级数学下册其中检测卷二年级数学下册其中检测卷附答案#期中测试卷.pdf
10.00金币
0下载
二年级数学下册期末质检卷(苏教版)二年级数学下册期末质检卷(苏教版)#期末复习 #期末测试卷 #二年级数学 #二年级数学下册#关注我持续更新小学知识.pdf
10.00金币
0下载
二年级数学下册期末混合运算专项练习二年级数学下册期末混合运算专项练习#二年级#二年级数学下册#关注我持续更新小学知识 #知识分享 #家长收藏孩子受益.pdf
10.00金币
1下载
二年级数学下册年月日三类周期问题解题方法二年级数学下册年月日三类周期问题解题方法#二年级#二年级数学下册#知识分享 #关注我持续更新小学知识 #家长收藏孩子受益.pdf
10.00金币
0下载
二年级数学下册解决问题专项训练二年级数学下册解决问题专项训练#专项训练#解决问题#二年级#二年级数学下册#知识分享.pdf
10.00金币
1下载
二年级数学下册还原问题二年级数学下册还原问题#二年级#二年级数学#关注我持续更新小学知识 #知识分享 #家长收藏孩子受益.pdf
10.00金币
1下载
二年级数学下册第六单元考试卷家长打印出来给孩子测试测试争取拿到高分!#小学二年级试卷分享 #二年级第六单考试数学 #第六单考试#二年级数学下册.pdf
10.00金币
0下载
二年级数学下册必背顺口溜口诀汇总二年级数学下册必背顺口溜口诀汇总#二年级#二年级数学下册 #知识分享 #家长收藏孩子受益 #关注我持续更新小学知识.pdf
10.00金币
0下载
二年级数学下册《重点难点思维题》两大问题解决技巧和方法巧算星期几解决周期问题还原问题强化思维训练老师精心整理家长可以打印出来给孩子练习#家长收藏孩子受益 #学霸秘籍 #思维训练 #二年级 #知识点总结.pdf
10.00金币
0下载
二年级数学下册 必背公式大全寒假提前背一背开学更轻松#二年级 #二年级数学 #二年级数学下册 #寒假充电计划 #公式.pdf
10.00金币
0下载
蜗牛文库+ 关注
实名认证
内容提供者

提供各种专业文档内容

确认删除?
QQ
  • QQ点击这里给我发消息
微信客服
  • 微信客服
回到顶部