电脑桌面
添加蜗牛文库到电脑桌面
安装后可以在桌面快捷访问

GBT_192-2003;_普通螺纹_基本牙型.pdfVIP免费

GBT_192-2003;_普通螺纹_基本牙型.pdf_第1页
GBT_192-2003;_普通螺纹_基本牙型.pdf_第2页
GBT_192-2003;_普通螺纹_基本牙型.pdf_第3页
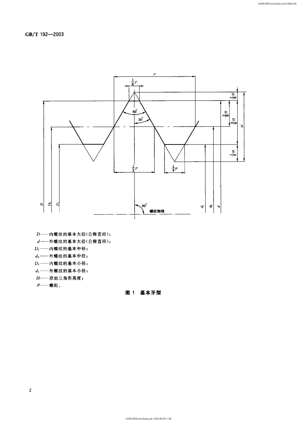
GB/T192-2003前言本标准修改采用ISO68-1:1998((ISO版)。两者间主要差异为我国标准删除了一般用途螺纹基本牙型—第1ISO68-1:1998第4章的第1段内容,部分:米制螺纹)(英文它叙述了螺纹的基本牙型与其基本偏差和公差带的关系,指出螺纹的基本牙型是其基本偏差的起始点。ISO此段文字会使标准使用者产生技术性误解。螺纹的设计牙型才是其基本偏差的起始点。对普通螺纹而言,其外螺纹的设计牙型与其基本牙型在牙底部分通常是有差异的,前者的牙底通常为圆弧形状,而后者的牙底为直线平底。GB/T14791-1993((螺纹术语’J工SO5408:1983《圆柱螺纹术语》有差异。螺纹可以分为圆柱螺纹与圆锥螺纹;密封螺纹与非密封螺纹:机械紧固螺纹与传动螺纹;对称牙型螺纹与非对称牙型螺纹。目前ISO5408标准仅仅规定了圆柱螺纹(部分机械紧固螺纹和部分传动螺纹)的术语,远远无法满足实际生产的使用需求。我国参照日本、美国、英国和俄罗斯等国的做法,制定了适用于各种主要螺纹的螺纹术语标准,即我国螺纹术语标准的技术内容比较全面,它已包含了ISO螺纹术语标准的那部分技术内容。本标准代替GB/T192-1981((普通螺纹基本牙型》。本标准与GB/T192-1981相比,没有技术性变化。本标准为普通螺纹系列标准中的基本牙型标准。普通螺纹系列标准包括:-GB/T192-2003((普通螺纹基本牙型》;—GB/T193-2003《普通螺纹直径与螺距系列》;—GB/T9144-2003《普通螺纹优选系列》;-GB/T1414-2003((普通螺纹管路系列》;—GB/T196-2003《普通螺纹基本尺寸》;—GB/T197-2003《普通螺纹公差》;-GB/T2516-2003《普通螺纹极限偏差》;-GB/T15756-1995《普通螺纹极限尺寸》;-GB/T9145-2003《普通螺纹中等精度、优选系列的极限尺寸》;-GB/T9146-2003《普通螺纹粗糙精度、优选系列的极限尺寸》本标准是建立普通螺纹基本尺寸、公差、极限偏差和极限尺寸标准的基础。本标准由全国螺纹标准化技术委员会(SAC/TC108)提出并归口。本标准负责起草单位:机械科学研究院。本标准主要起草人:李晓滨。本标准于1963年首次发布,1981年第一次修订免费标准网(www.freebz.net)标准最全面免费标准网(www.freebz.net)无需注册即可下载GB/T192-2003普通螺纹基本牙型1范围本标准规定了普通螺纹(一般用途米制螺纹)的基本牙型。本标准适用于一般用途的机械紧固螺纹联接,其螺纹本身不具有密封功能。2规范性引用文件下列文件中的条款通过本标准的引用而成为本标准的条款。凡是注日期的引用文件.其随后所有的修改单(不包括勘误的内...

1、当您付费下载文档后,您只拥有了使用权限,并不意味着购买了版权,文档只能用于自身使用,不得用于其他商业用途(如 [转卖]进行直接盈利或[编辑后售卖]进行间接盈利)。
2、本站所有内容均由合作方或网友上传,本站不对文档的完整性、权威性及其观点立场正确性做任何保证或承诺!文档内容仅供研究参考,付费前请自行鉴别。
3、如文档内容存在违规,或者侵犯商业秘密、侵犯著作权等,请点击“违规举报”。

碎片内容

蜗牛文库的最新文档

二年级数学下册其中检测卷二年级数学下册其中检测卷附答案#期中测试卷.pdf
10.00金币
0下载
二年级数学下册期末质检卷(苏教版)二年级数学下册期末质检卷(苏教版)#期末复习 #期末测试卷 #二年级数学 #二年级数学下册#关注我持续更新小学知识.pdf
10.00金币
0下载
二年级数学下册期末混合运算专项练习二年级数学下册期末混合运算专项练习#二年级#二年级数学下册#关注我持续更新小学知识 #知识分享 #家长收藏孩子受益.pdf
10.00金币
1下载
二年级数学下册年月日三类周期问题解题方法二年级数学下册年月日三类周期问题解题方法#二年级#二年级数学下册#知识分享 #关注我持续更新小学知识 #家长收藏孩子受益.pdf
10.00金币
0下载
二年级数学下册解决问题专项训练二年级数学下册解决问题专项训练#专项训练#解决问题#二年级#二年级数学下册#知识分享.pdf
10.00金币
1下载
二年级数学下册还原问题二年级数学下册还原问题#二年级#二年级数学#关注我持续更新小学知识 #知识分享 #家长收藏孩子受益.pdf
10.00金币
1下载
二年级数学下册第六单元考试卷家长打印出来给孩子测试测试争取拿到高分!#小学二年级试卷分享 #二年级第六单考试数学 #第六单考试#二年级数学下册.pdf
10.00金币
0下载
二年级数学下册必背顺口溜口诀汇总二年级数学下册必背顺口溜口诀汇总#二年级#二年级数学下册 #知识分享 #家长收藏孩子受益 #关注我持续更新小学知识.pdf
10.00金币
0下载
二年级数学下册《重点难点思维题》两大问题解决技巧和方法巧算星期几解决周期问题还原问题强化思维训练老师精心整理家长可以打印出来给孩子练习#家长收藏孩子受益 #学霸秘籍 #思维训练 #二年级 #知识点总结.pdf
10.00金币
0下载
二年级数学下册 必背公式大全寒假提前背一背开学更轻松#二年级 #二年级数学 #二年级数学下册 #寒假充电计划 #公式.pdf
10.00金币
0下载
蜗牛文库+ 关注
实名认证
内容提供者

提供各种专业文档内容

确认删除?
QQ
  • QQ点击这里给我发消息
微信客服
  • 微信客服
回到顶部