电脑桌面
添加蜗牛文库到电脑桌面
安装后可以在桌面快捷访问

282天津六建公司天津一中法院综合楼.pdfVIP免费

282天津六建公司天津一中法院综合楼.pdf_第1页
282天津六建公司天津一中法院综合楼.pdf_第2页
282天津六建公司天津一中法院综合楼.pdf_第3页
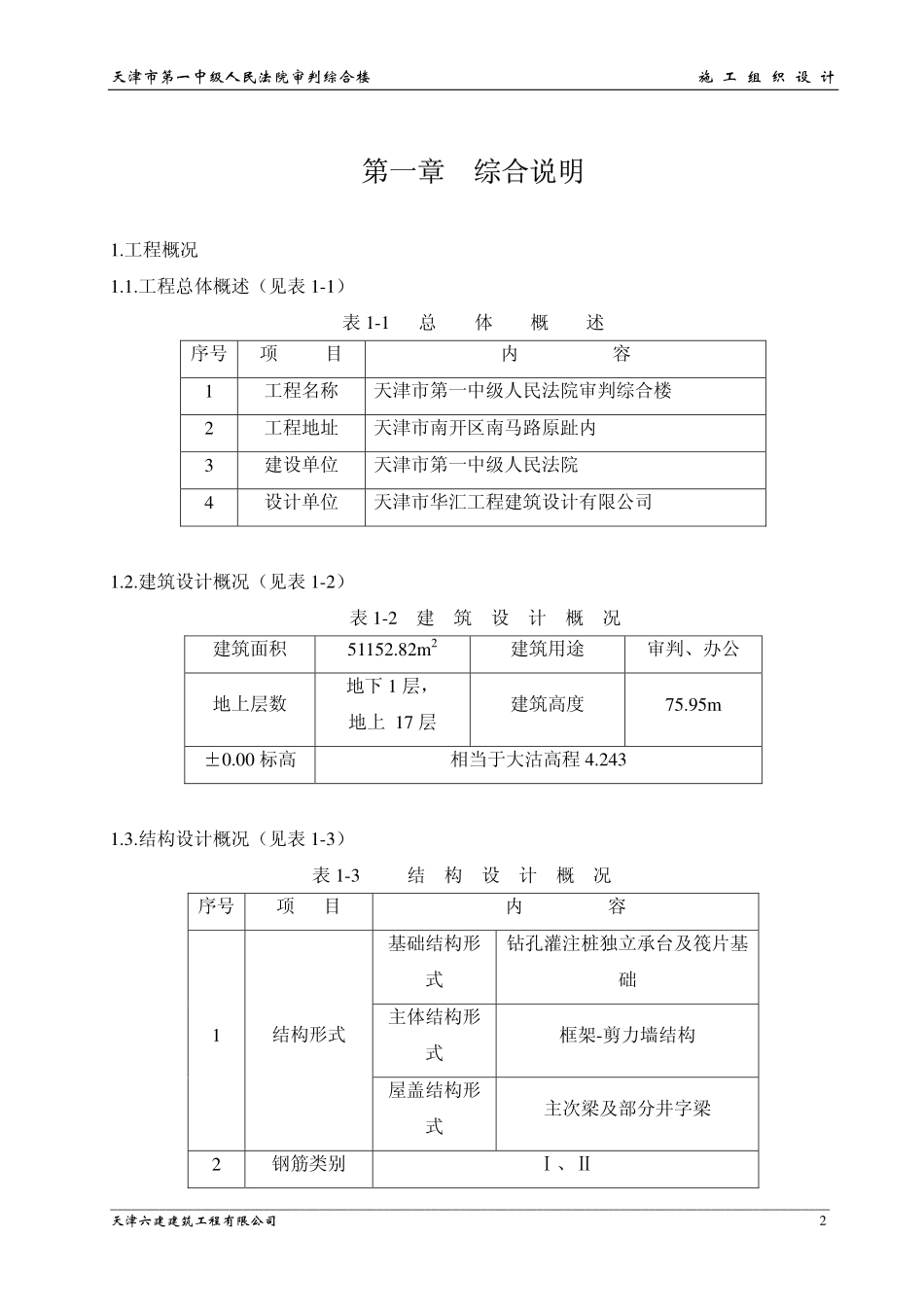
天津市第一中级人民法院审判综合楼施工组织设计_______________________________________________________________________________________________________天津六建建筑工程有限公司1施工组织设计(中法院综合楼)天津市第一中级人民法院审判综合楼施工组织设计_______________________________________________________________________________________________________天津六建建筑工程有限公司2第一章综合说明1.工程概况1.1.工程总体概述(见表1-1)表1-1总体概述序号项目内容1工程名称天津市第一中级人民法院审判综合楼2工程地址天津市南开区南马路原趾内3建设单位天津市第一中级人民法院4设计单位天津市华汇工程建筑设计有限公司1.2.建筑设计概况(见表1-2)表1-2建筑设计概况建筑面积51152.82m2建筑用途审判、办公地上层数地下1层,地上17层建筑高度75.95m±0.00标高相当于大沽高程4.2431.3.结构设计概况(见表1-3)表1-3结构设计概况序号项目内容基础结构形式钻孔灌注桩独立承台及筏片基础主体结构形式框架-剪力墙结构1结构形式屋盖结构形式主次梁及部分井字梁2钢筋类别Ⅰ、Ⅱ天津市第一中级人民法院审判综合楼施工组织设计_______________________________________________________________________________________________________天津六建建筑工程有限公司32.工程特点(1)本工程结构复杂,智能化程度高,涉及新技术范围广、数量大;(2)施工场地狭小,故物料的存放,临建的搭设,大型机械设备的安置有很大困难且北侧原有办公楼需正常使用,特别是在基础施工阶段,能直接用于现场施工的场地很有限;(3)工程座落在繁华地区,人流量大,并且高层施工安全保障及运输调度难度大,外檐脚手架整体刚度安全防护设计要求高;(4)主楼南立面是圆弧形,梁为曲线状,采用折角处理,常规放线不能同视定位,并且外檐干挂石材对施工测量放线的精度要求高;(5)高层建筑施工的垂直度控制、标高等测量精度要求高,且高度上的退台多达14处,增加了垂直度控制难度;(6)主楼高度为75.95m,弧形的外檐混凝土柱、梁对模板设计的精度、整体刚度及外檐干挂石材埋件的位置准确度的要求高;(7)该工程工期紧迫,各工序穿插繁杂,施工组织要求高。3.工程标准质量目标:确保工程创“鲁班奖”。工期目标:按工程合同工期如期完工。安全生产目标:杜绝重大事故,一般事故频率小于1.5‰。文明施工和环保目标:创建天津市“市级文明工地”。服务目标:建用户...

1、当您付费下载文档后,您只拥有了使用权限,并不意味着购买了版权,文档只能用于自身使用,不得用于其他商业用途(如 [转卖]进行直接盈利或[编辑后售卖]进行间接盈利)。
2、本站所有内容均由合作方或网友上传,本站不对文档的完整性、权威性及其观点立场正确性做任何保证或承诺!文档内容仅供研究参考,付费前请自行鉴别。
3、如文档内容存在违规,或者侵犯商业秘密、侵犯著作权等,请点击“违规举报”。

碎片内容

蜗牛文库的最新文档

二年级数学下册其中检测卷二年级数学下册其中检测卷附答案#期中测试卷.pdf
10.00金币
0下载
二年级数学下册期末质检卷(苏教版)二年级数学下册期末质检卷(苏教版)#期末复习 #期末测试卷 #二年级数学 #二年级数学下册#关注我持续更新小学知识.pdf
10.00金币
0下载
二年级数学下册期末混合运算专项练习二年级数学下册期末混合运算专项练习#二年级#二年级数学下册#关注我持续更新小学知识 #知识分享 #家长收藏孩子受益.pdf
10.00金币
1下载
二年级数学下册年月日三类周期问题解题方法二年级数学下册年月日三类周期问题解题方法#二年级#二年级数学下册#知识分享 #关注我持续更新小学知识 #家长收藏孩子受益.pdf
10.00金币
0下载
二年级数学下册解决问题专项训练二年级数学下册解决问题专项训练#专项训练#解决问题#二年级#二年级数学下册#知识分享.pdf
10.00金币
1下载
二年级数学下册还原问题二年级数学下册还原问题#二年级#二年级数学#关注我持续更新小学知识 #知识分享 #家长收藏孩子受益.pdf
10.00金币
1下载
二年级数学下册第六单元考试卷家长打印出来给孩子测试测试争取拿到高分!#小学二年级试卷分享 #二年级第六单考试数学 #第六单考试#二年级数学下册.pdf
10.00金币
0下载
二年级数学下册必背顺口溜口诀汇总二年级数学下册必背顺口溜口诀汇总#二年级#二年级数学下册 #知识分享 #家长收藏孩子受益 #关注我持续更新小学知识.pdf
10.00金币
0下载
二年级数学下册《重点难点思维题》两大问题解决技巧和方法巧算星期几解决周期问题还原问题强化思维训练老师精心整理家长可以打印出来给孩子练习#家长收藏孩子受益 #学霸秘籍 #思维训练 #二年级 #知识点总结.pdf
10.00金币
0下载
二年级数学下册 必背公式大全寒假提前背一背开学更轻松#二年级 #二年级数学 #二年级数学下册 #寒假充电计划 #公式.pdf
10.00金币
0下载
蜗牛文库+ 关注
实名认证
内容提供者

提供各种专业文档内容

确认删除?
QQ
  • QQ点击这里给我发消息
微信客服
  • 微信客服
回到顶部