电脑桌面
添加蜗牛文库到电脑桌面
安装后可以在桌面快捷访问

安徽省建筑反射隔热涂料的应用技术要点.pdfVIP免费

安徽省建筑反射隔热涂料的应用技术要点.pdf_第1页
安徽省建筑反射隔热涂料的应用技术要点.pdf_第2页
安徽省建筑反射隔热涂料的应用技术要点.pdf_第3页
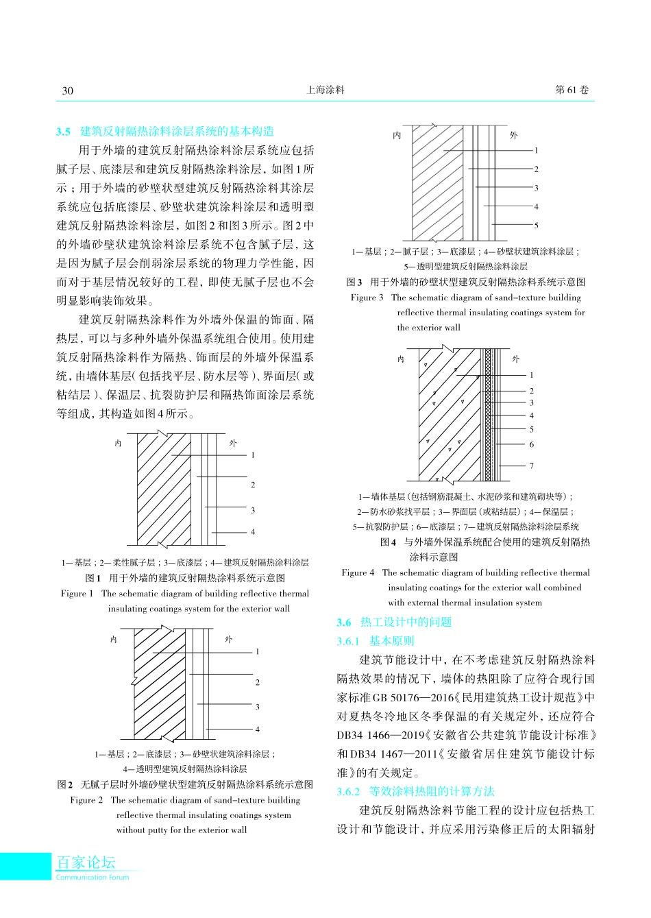
上海涂料SHANGHAICOATINGS第61卷第4期2023年7月Vol.61No.4July.2023安徽省建筑反射隔热涂料的应用技术要点孟岩(安徽省建筑科学研究设计院,安徽合肥230001)摘要:概述了建筑反射隔热涂料的主要品种和建筑反射隔热涂料产品标准、应用技术规程等,重点介绍建筑反射隔热涂料的工程应用技术,主要内容有工程应用时的一些基本要求、涂层系统的基本构造、热工设计和施工技术等。其中,基本要求包括节能要求、对建筑反射隔热涂料工程维修或翻新的基本要求、对材料(涂料、涂层配套材料)性能的要求、对材料相容性要求、当建筑反射隔热涂料应用于外墙外保温系统时,所形成的建筑反射隔热涂料-外墙外保温系统的技术性能要求等;热工设计问题包括基本原则、等效涂料热阻计算方法、传热系数计算方法;施工技术包括基本施工工序和各工序的实施细则等。关键词:建筑反射隔热涂料;工程应用;技术要点;基本要求;涂层系统构造;热工设计;施工技术中图分类号:TQ635.5文献标志码:A文章编号:1009-1696(2023)04-0028-06[收稿日期]2023-07-07[作者简介]孟岩(1970—),女,大学本科,高级工程师,主要从事建筑工程质量检测工作。0引言建筑反射隔热涂料应用于夏热冬冷、夏热冬暖地区的外墙,能够降低夏季高温天气时外墙外表面的温度而减少热量向建筑物内的传导,取得一定的节能效果,这种节能效果目前在相关标准和节能计算中以涂料等效热阻衡量。安徽省是应用建筑反射隔热涂料较早的省份,早在2011年就制定了建筑反射隔热涂料应用技术规程DB34/T1505—2011《建筑反射隔热涂料应用技术规程》[1],并在其后的工程应用中积累了一定的经验,加深了对建筑反射隔热涂料产品性能和质量要求的认识。随着涂料技术的发展以及我省建筑节能管理办法的实施,建筑反射隔热涂料的应用也在与时俱进。根据目前材料和应用技术等方面的具体情况,阐述了我省目前工程应用建筑反射隔热涂料的技术要点,抛砖引玉,以促进建筑反射隔热涂料的发展,从而达到更好的工程应用效果。1目前建筑反射隔热涂料的主要品种与2011年我省建筑反射隔热涂料局限于平涂型合成树脂乳液类反射隔热涂料的情况不同,目前我省除了沿用原来的涂料品种外,还通过自行研制和外省产品的进入,出现了一些新型建筑反射隔热涂料品种,包括反射隔热型水包水多彩涂料[2]、反射隔热型含砂水性多彩涂料[3]、有机-无机复合型建筑反射隔热涂料[4-5]、反射隔热型合成树脂乳液砂壁状涂料[6-7]等。2建筑反射隔热...

1、当您付费下载文档后,您只拥有了使用权限,并不意味着购买了版权,文档只能用于自身使用,不得用于其他商业用途(如 [转卖]进行直接盈利或[编辑后售卖]进行间接盈利)。
2、本站所有内容均由合作方或网友上传,本站不对文档的完整性、权威性及其观点立场正确性做任何保证或承诺!文档内容仅供研究参考,付费前请自行鉴别。
3、如文档内容存在违规,或者侵犯商业秘密、侵犯著作权等,请点击“违规举报”。

碎片内容

蜗牛文库的最新文档

二年级数学下册其中检测卷二年级数学下册其中检测卷附答案#期中测试卷.pdf
10.00金币
0下载
二年级数学下册期末质检卷(苏教版)二年级数学下册期末质检卷(苏教版)#期末复习 #期末测试卷 #二年级数学 #二年级数学下册#关注我持续更新小学知识.pdf
10.00金币
0下载
二年级数学下册期末混合运算专项练习二年级数学下册期末混合运算专项练习#二年级#二年级数学下册#关注我持续更新小学知识 #知识分享 #家长收藏孩子受益.pdf
10.00金币
1下载
二年级数学下册年月日三类周期问题解题方法二年级数学下册年月日三类周期问题解题方法#二年级#二年级数学下册#知识分享 #关注我持续更新小学知识 #家长收藏孩子受益.pdf
10.00金币
0下载
二年级数学下册解决问题专项训练二年级数学下册解决问题专项训练#专项训练#解决问题#二年级#二年级数学下册#知识分享.pdf
10.00金币
1下载
二年级数学下册还原问题二年级数学下册还原问题#二年级#二年级数学#关注我持续更新小学知识 #知识分享 #家长收藏孩子受益.pdf
10.00金币
1下载
二年级数学下册第六单元考试卷家长打印出来给孩子测试测试争取拿到高分!#小学二年级试卷分享 #二年级第六单考试数学 #第六单考试#二年级数学下册.pdf
10.00金币
0下载
二年级数学下册必背顺口溜口诀汇总二年级数学下册必背顺口溜口诀汇总#二年级#二年级数学下册 #知识分享 #家长收藏孩子受益 #关注我持续更新小学知识.pdf
10.00金币
0下载
二年级数学下册《重点难点思维题》两大问题解决技巧和方法巧算星期几解决周期问题还原问题强化思维训练老师精心整理家长可以打印出来给孩子练习#家长收藏孩子受益 #学霸秘籍 #思维训练 #二年级 #知识点总结.pdf
10.00金币
0下载
二年级数学下册 必背公式大全寒假提前背一背开学更轻松#二年级 #二年级数学 #二年级数学下册 #寒假充电计划 #公式.pdf
10.00金币
0下载
蜗牛文库+ 关注
实名认证
内容提供者

提供各种专业文档内容

确认删除?
QQ
  • QQ点击这里给我发消息
微信客服
  • 微信客服
回到顶部