电脑桌面
添加蜗牛文库到电脑桌面
安装后可以在桌面快捷访问

彩色混凝土设计与应用.pdfVIP免费

彩色混凝土设计与应用.pdf_第1页
彩色混凝土设计与应用.pdf_第2页
彩色混凝土设计与应用.pdf_第3页
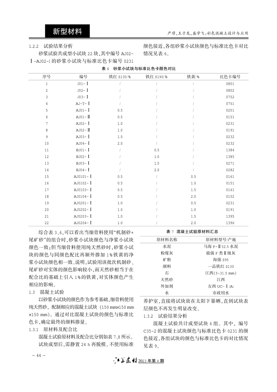
圆园23年第4期表1净浆试验原材料汇总原材料名称原材料型号/产地水泥水泥粉煤灰粉煤灰矿粉颜料水马海P窑域52.5水泥信宁P窑域52.5水泥怀鸿F类域级灰骏强F类域级灰海强S95一品氧化铁系颜料市政用水表2净浆试验配合比粉料种类水泥粉煤灰矿粉颜料水用量/g1353035//严璟袁王子龙袁盛学飞院彩色混凝土设计与应用彩色混凝土设计与应用严璟袁王子龙袁盛学飞渊南京中联混凝土有限公司袁江苏南京210000冤摘要院依托于南京宪法广场彩色混凝土项目袁根据设计院指定的CBCC体系标准比色卡颜色编号对外掺颜料进行一系列试验选择验证遥采用野净浆-砂浆-混凝土冶的逐级研究方法袁验证颜料的合理掺量袁并应用于实际生产袁取得了良好的应用效果遥关键词院彩色混凝土曰颜料曰净浆曰砂浆曰混凝土Abstract:BasedonthecolorconcreteprojectofNanjingConstitutionalSquare,aseriesoftestswereconductedtoselectandverifytheexteriorpigmentsaccordingtothecolorcardcolorcodesspecifiedbytheCBCCsystemstandardsofthedesigninstitute.The"neatpaste-mortar-concrete"steppedresearchmethodwasadoptedtoverifythereasonabledosageofpigments,whichwerethenappliedinactualproductionandachievedgoodresults.Keywords:coloredconcrete;pigment;cleanpulp;mortar;concrete[中图分类号]TU378.1[文献标识码]A[文章编号]1004-5538渊2023冤04-0042-040引言彩色混凝土作为一种新型装饰混凝土袁改变了人们对混凝土灰白冷色调的固有印象袁在市场中拥有着不可替代的地位遥彩色混凝土根据颜色要求袁可以使用普通水泥搭掺一定量的颜料袁或者直接使用彩色水泥袁按照配合比与骨料混合配制得到遥常见的彩色混凝土制备方法有院彩色水泥法尧颜料法尧表层着色法和化学染色法[1-2]遥其中袁颜料法以其材料成本低廉尧颜色匹配区间广尧耐久度高的特点袁得到了广泛的应用遥南京宪法广场坐落于南京市河西地区袁该工程部分结构需使用彩色混凝土袁且该颜色需符合CBCC体系标准比色卡颜色编号0221或0231遥文章依托于南京宪法广场彩色混凝土项目袁进行一系列试验设计遥1试验文章通过野净浆-砂浆-混凝土冶的研究方式袁逐个验证固定颜料掺量时袁引入变量对混凝土颜色的影响袁探讨变量对混凝土颜色的影响规律遥1.1净浆试验以标准比色卡编号0221或0231为目的标靶袁固定水泥尧粉煤灰及矿粉用量袁使用各种颜料进行单掺或复掺袁观察最终得到的水泥净浆试块颜色袁并与标准比色卡相对照遥1.1.1原材料及配合比净浆试验...

1、当您付费下载文档后,您只拥有了使用权限,并不意味着购买了版权,文档只能用于自身使用,不得用于其他商业用途(如 [转卖]进行直接盈利或[编辑后售卖]进行间接盈利)。
2、本站所有内容均由合作方或网友上传,本站不对文档的完整性、权威性及其观点立场正确性做任何保证或承诺!文档内容仅供研究参考,付费前请自行鉴别。
3、如文档内容存在违规,或者侵犯商业秘密、侵犯著作权等,请点击“违规举报”。

碎片内容

蜗牛文库的最新文档

二年级数学下册其中检测卷二年级数学下册其中检测卷附答案#期中测试卷.pdf
10.00金币
0下载
二年级数学下册期末质检卷(苏教版)二年级数学下册期末质检卷(苏教版)#期末复习 #期末测试卷 #二年级数学 #二年级数学下册#关注我持续更新小学知识.pdf
10.00金币
0下载
二年级数学下册期末混合运算专项练习二年级数学下册期末混合运算专项练习#二年级#二年级数学下册#关注我持续更新小学知识 #知识分享 #家长收藏孩子受益.pdf
10.00金币
1下载
二年级数学下册年月日三类周期问题解题方法二年级数学下册年月日三类周期问题解题方法#二年级#二年级数学下册#知识分享 #关注我持续更新小学知识 #家长收藏孩子受益.pdf
10.00金币
0下载
二年级数学下册解决问题专项训练二年级数学下册解决问题专项训练#专项训练#解决问题#二年级#二年级数学下册#知识分享.pdf
10.00金币
1下载
二年级数学下册还原问题二年级数学下册还原问题#二年级#二年级数学#关注我持续更新小学知识 #知识分享 #家长收藏孩子受益.pdf
10.00金币
1下载
二年级数学下册第六单元考试卷家长打印出来给孩子测试测试争取拿到高分!#小学二年级试卷分享 #二年级第六单考试数学 #第六单考试#二年级数学下册.pdf
10.00金币
0下载
二年级数学下册必背顺口溜口诀汇总二年级数学下册必背顺口溜口诀汇总#二年级#二年级数学下册 #知识分享 #家长收藏孩子受益 #关注我持续更新小学知识.pdf
10.00金币
0下载
二年级数学下册《重点难点思维题》两大问题解决技巧和方法巧算星期几解决周期问题还原问题强化思维训练老师精心整理家长可以打印出来给孩子练习#家长收藏孩子受益 #学霸秘籍 #思维训练 #二年级 #知识点总结.pdf
10.00金币
0下载
二年级数学下册 必背公式大全寒假提前背一背开学更轻松#二年级 #二年级数学 #二年级数学下册 #寒假充电计划 #公式.pdf
10.00金币
0下载
蜗牛文库+ 关注
实名认证
内容提供者

提供各种专业文档内容

确认删除?
QQ
  • QQ点击这里给我发消息
微信客服
  • 微信客服
回到顶部