电脑桌面
添加蜗牛文库到电脑桌面
安装后可以在桌面快捷访问

碳化硅横梁平顶结构在氮窑中应用实践与探讨_颜林波.pdfVIP免费

碳化硅横梁平顶结构在氮窑中应用实践与探讨_颜林波.pdf_第1页
碳化硅横梁平顶结构在氮窑中应用实践与探讨_颜林波.pdf_第2页
碳化硅横梁平顶结构在氮窑中应用实践与探讨_颜林波.pdf_第3页
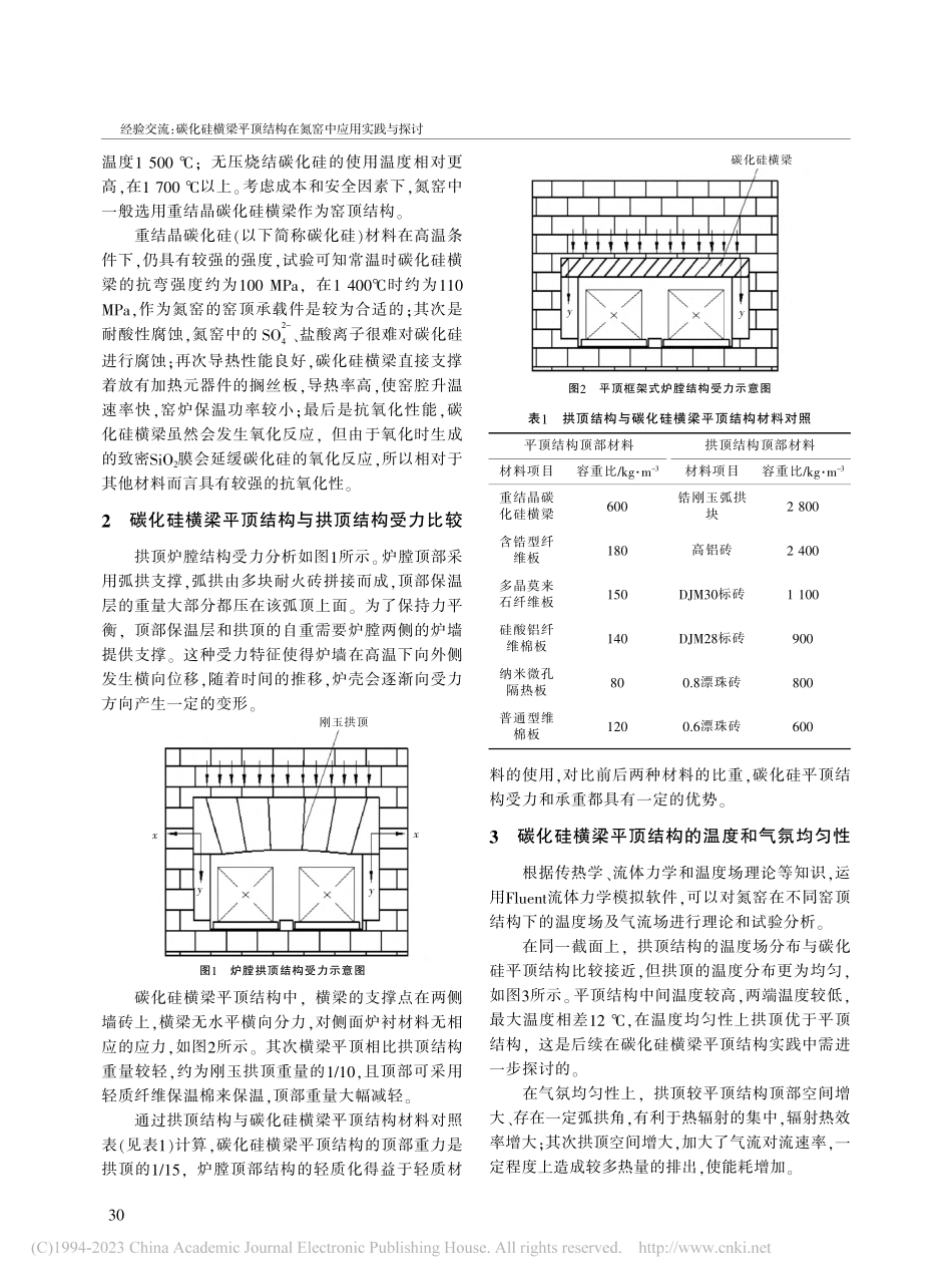
窑顶是氮窑窑体结构的重要结构之一,与窑炉的正常运转以及产品的质量产量有着密不可分的关系。窑顶一般支撑在窑墙上,处在窑道空间上方,窑内热气体在集合压力的作用下有自然向上的运动趋势,所以窑顶除了必须耐高温、散热小具有一定的机械强度外,还需保证结构合理,使温度气氛有良好的均匀性。另外由于氮窑中存在腐蚀性气体的挥发,窑顶还需考虑耐腐蚀性能。目前氮窑主要的窑顶结构形式为拱顶和平顶,拱顶主要材质为刚玉-莫来石,平顶一般采用刚玉或碳化硅横梁作为承载件。刚玉-莫来石具有荷重软化点高、抗热震性能好等优点,在各种工业窑炉上得到了广泛的应用。但高温情况下,刚玉-莫来石拱顶会逐渐产生蠕变和腐蚀,特别在Mn-Zn铁氧体的挥发物的酸性腐蚀条件下,导致刚玉-莫来石加速变形下沉,影响窑炉的安全生产。碳化硅具有高温高强度、抗酸性腐蚀等优良特性,国内部分窑炉生产厂家已开始将碳化硅横梁平顶应用到氮窑中,目前反馈其使用效果较好,已逐步验证了碳化硅适应氮窑烧结条件的使用。但碳化硅横梁平顶结构在氮窑上的实践与理论尚存在一些问题,需要大量经验的验证总结与分析,不断研究与探讨,促进氮窑烧结装备的进步。1碳化硅横梁的基本特性窑炉中常用的碳化硅横梁有反应烧结碳化硅陶瓷、重结晶碳化硅陶瓷和无压烧结碳化硅陶瓷三种材料;三种材质碳化硅因为制作工艺不同,其使用温度也有差异。反应烧结碳化硅,一般使用在1200℃的隧道窑中;重结晶碳化硅梁使用再结晶工艺,使用收稿日期:2022-04-08作者简介:颜林波(1990—),男,工学硕士,工程师,主要从事热工设备的设计与研究.碳化硅横梁平顶结构在氮窑中应用实践与探讨颜林波,宋晓峰,王世刚,王翼伦(湖南烁科热工智能装备有限公司,湖南长沙410000)摘要:氮窑窑顶结构的好坏直接影响着窑炉的使用寿命和产品的烧结品质。结合国内氮窑窑顶结构特点,通过对比刚玉拱顶结构,分析和探讨碳化硅横梁平顶结构在氮窑中的应用实践。对结构受力、温度和气氛均匀性、保温性能和氧化反应等理化性能进行分析,为碳化硅横梁结构在氮窑烧结工艺的条件下更好的应用提供理论基础。关键词:碳化硅横梁;平顶;氮窑;应用实践中图分类号:TQ175.6+53文献标识码:B文章编号:1001-6988(2023)01-0029-04ApplicationPracticeandDiscussionofSiliconCarbideBeamFlatRoofStructureinNitrogenKilnYANLinbo,SONGXiaofeng,WANGShigang,WANGYilun(HunanShuokeThermalIntelligentEquipmentCo.Ltd.,Ch...

1、当您付费下载文档后,您只拥有了使用权限,并不意味着购买了版权,文档只能用于自身使用,不得用于其他商业用途(如 [转卖]进行直接盈利或[编辑后售卖]进行间接盈利)。
2、本站所有内容均由合作方或网友上传,本站不对文档的完整性、权威性及其观点立场正确性做任何保证或承诺!文档内容仅供研究参考,付费前请自行鉴别。
3、如文档内容存在违规,或者侵犯商业秘密、侵犯著作权等,请点击“违规举报”。

碎片内容

蜗牛文库的最新文档

二年级数学下册其中检测卷二年级数学下册其中检测卷附答案#期中测试卷.pdf
10.00金币
0下载
二年级数学下册期末质检卷(苏教版)二年级数学下册期末质检卷(苏教版)#期末复习 #期末测试卷 #二年级数学 #二年级数学下册#关注我持续更新小学知识.pdf
10.00金币
0下载
二年级数学下册期末混合运算专项练习二年级数学下册期末混合运算专项练习#二年级#二年级数学下册#关注我持续更新小学知识 #知识分享 #家长收藏孩子受益.pdf
10.00金币
1下载
二年级数学下册年月日三类周期问题解题方法二年级数学下册年月日三类周期问题解题方法#二年级#二年级数学下册#知识分享 #关注我持续更新小学知识 #家长收藏孩子受益.pdf
10.00金币
0下载
二年级数学下册解决问题专项训练二年级数学下册解决问题专项训练#专项训练#解决问题#二年级#二年级数学下册#知识分享.pdf
10.00金币
1下载
二年级数学下册还原问题二年级数学下册还原问题#二年级#二年级数学#关注我持续更新小学知识 #知识分享 #家长收藏孩子受益.pdf
10.00金币
1下载
二年级数学下册第六单元考试卷家长打印出来给孩子测试测试争取拿到高分!#小学二年级试卷分享 #二年级第六单考试数学 #第六单考试#二年级数学下册.pdf
10.00金币
0下载
二年级数学下册必背顺口溜口诀汇总二年级数学下册必背顺口溜口诀汇总#二年级#二年级数学下册 #知识分享 #家长收藏孩子受益 #关注我持续更新小学知识.pdf
10.00金币
0下载
二年级数学下册《重点难点思维题》两大问题解决技巧和方法巧算星期几解决周期问题还原问题强化思维训练老师精心整理家长可以打印出来给孩子练习#家长收藏孩子受益 #学霸秘籍 #思维训练 #二年级 #知识点总结.pdf
10.00金币
0下载
二年级数学下册 必背公式大全寒假提前背一背开学更轻松#二年级 #二年级数学 #二年级数学下册 #寒假充电计划 #公式.pdf
10.00金币
0下载
蜗牛文库+ 关注
实名认证
内容提供者

提供各种专业文档内容

确认删除?
QQ
  • QQ点击这里给我发消息
微信客服
  • 微信客服
回到顶部