电脑桌面
添加蜗牛文库到电脑桌面
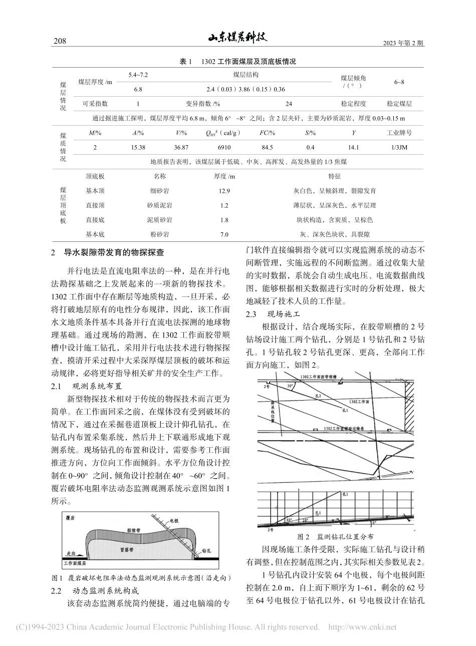
安装后可以在桌面快捷访问

巨野煤田大采深采煤工作面导水裂隙带发育高度探查研究_初月明.pdfVIP免费

巨野煤田大采深采煤工作面导水裂隙带发育高度探查研究_初月明.pdf_第1页
巨野煤田大采深采煤工作面导水裂隙带发育高度探查研究_初月明.pdf_第2页
巨野煤田大采深采煤工作面导水裂隙带发育高度探查研究_初月明.pdf_第3页
2072023年第2期初月明等:巨野煤田大采深采煤工作面导水裂隙带发育高度探查研究初月明等:巨野煤田大采深采煤工作面导水裂隙带发育高度探查研究巨野煤田大采深采煤工作面导水裂隙带发育高度探查研究初月明曲延涛(山东能源龙口矿业集团有限公司,山东烟台265700)摘要通过钻孔并行电法测试技术在巨野煤田大采深采煤工作面的应用,对郓城煤矿1302工作面进行了采动覆岩导水裂隙带现场勘探试验,从而得出巨野煤田大采深煤层顶板“两带”发育高度值,研究得出1302工作面岩层破坏从两端扩展到中间区域,呈“鞍形分布”破坏状态。1302工作面导水裂隙带高度为59m。关键词井下钻孔并行电法;导水裂隙带;发育高度中图分类号TD745文献标识码Bdoi:10.3969/j.issn.1005-2801.2023.02.071ExplorationandStudyontheDevelopmentHeightofWaterConductedZoneinLargeMiningDepthCoalFaceinJuyeCoalfieldChuYuemingQuYantao(ShandongEnergyLongkouMiningIndustryGroupCo.,Ltd.,ShandongYantai265700)Abstract:ByusingtheparallelelectricaltestingtechnologyofundergrounddrillinginthelargeminingdepthcoalfaceofJuyeCoalfield,thefieldexplorationtestoftheminingoverburdenwater-conductingfracturezoneofYunchengCoalMine1302workingfacewascarriedout,andthedevelopmentheightvalueofthe"twozones"oftheroofofthelargeminingdepthcoalseaminJuyeCoalFieldwasobtained,andtherockstratadamageofthe1302workingfaceexpandedfrombothendstothemiddlearea,showinga"saddledistribution"damagestate.Theheightofthewaterdiversionfracturezoneofworkingface1302is59m.Keywords:parallelelectricalmethodforundergrounddrilling;waterconductedzone;developmentheight收稿日期2022-08-01作者简介初月明(1974—),男,山东烟台人,2017年毕业于山东科技大学采矿工程专业,本科,采煤工程师,现从事采掘管理技术工作,研究方向:矿山采掘技术。初月明等:巨野煤田大采深采煤工作面导水裂隙带发育高度探查研究初月明等:巨野煤田大采深采煤工作面导水裂隙带发育高度探查研究1概况李楼煤业3煤层是主要开采煤层,主要含煤地层为石炭系太原组和二叠系山西组。新生界地层厚度472.80~591.30m,平均518.39m,中部相对厚,北厚南薄。上部覆盖地层为新近系松散-半胶结砂泥地层和第四系。1302工作面布置在矿井的开拓大巷以北,工作面以南是2煤可采边界线,八里庄断层在工作面以西...

1、当您付费下载文档后,您只拥有了使用权限,并不意味着购买了版权,文档只能用于自身使用,不得用于其他商业用途(如 [转卖]进行直接盈利或[编辑后售卖]进行间接盈利)。
2、本站所有内容均由合作方或网友上传,本站不对文档的完整性、权威性及其观点立场正确性做任何保证或承诺!文档内容仅供研究参考,付费前请自行鉴别。
3、如文档内容存在违规,或者侵犯商业秘密、侵犯著作权等,请点击“违规举报”。

碎片内容

蜗牛文库的最新文档

二年级数学下册其中检测卷二年级数学下册其中检测卷附答案#期中测试卷.pdf
10.00金币
0下载
二年级数学下册期末质检卷(苏教版)二年级数学下册期末质检卷(苏教版)#期末复习 #期末测试卷 #二年级数学 #二年级数学下册#关注我持续更新小学知识.pdf
10.00金币
0下载
二年级数学下册期末混合运算专项练习二年级数学下册期末混合运算专项练习#二年级#二年级数学下册#关注我持续更新小学知识 #知识分享 #家长收藏孩子受益.pdf
10.00金币
1下载
二年级数学下册年月日三类周期问题解题方法二年级数学下册年月日三类周期问题解题方法#二年级#二年级数学下册#知识分享 #关注我持续更新小学知识 #家长收藏孩子受益.pdf
10.00金币
0下载
二年级数学下册解决问题专项训练二年级数学下册解决问题专项训练#专项训练#解决问题#二年级#二年级数学下册#知识分享.pdf
10.00金币
1下载
二年级数学下册还原问题二年级数学下册还原问题#二年级#二年级数学#关注我持续更新小学知识 #知识分享 #家长收藏孩子受益.pdf
10.00金币
1下载
二年级数学下册第六单元考试卷家长打印出来给孩子测试测试争取拿到高分!#小学二年级试卷分享 #二年级第六单考试数学 #第六单考试#二年级数学下册.pdf
10.00金币
0下载
二年级数学下册必背顺口溜口诀汇总二年级数学下册必背顺口溜口诀汇总#二年级#二年级数学下册 #知识分享 #家长收藏孩子受益 #关注我持续更新小学知识.pdf
10.00金币
0下载
二年级数学下册《重点难点思维题》两大问题解决技巧和方法巧算星期几解决周期问题还原问题强化思维训练老师精心整理家长可以打印出来给孩子练习#家长收藏孩子受益 #学霸秘籍 #思维训练 #二年级 #知识点总结.pdf
10.00金币
0下载
二年级数学下册 必背公式大全寒假提前背一背开学更轻松#二年级 #二年级数学 #二年级数学下册 #寒假充电计划 #公式.pdf
10.00金币
0下载
蜗牛文库+ 关注
实名认证
内容提供者

提供各种专业文档内容

确认删除?
QQ
  • QQ点击这里给我发消息
微信客服
  • 微信客服
回到顶部