电脑桌面
添加蜗牛文库到电脑桌面
安装后可以在桌面快捷访问

SCT 8063-2001 玻璃钢渔船用不饱和聚酯树脂和玻璃纤维制品.pdfVIP免费

SCT 8063-2001 玻璃钢渔船用不饱和聚酯树脂和玻璃纤维制品.pdf_第1页
SCT 8063-2001 玻璃钢渔船用不饱和聚酯树脂和玻璃纤维制品.pdf_第2页
SCT 8063-2001 玻璃钢渔船用不饱和聚酯树脂和玻璃纤维制品.pdf_第3页
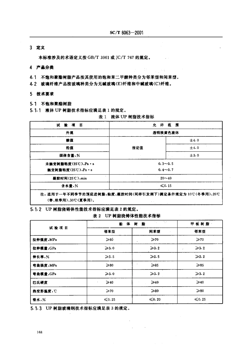
SC/T8063-2001前言本标准根据中华人民共和国农业部渔业船舶检验局《玻瑞纤维增强塑料渔船建造规范!(1995)的规定和我国不饱和聚醋树脂和玻瑞纤维制品的生产实际制定。本标准结合玻璃钢渔船设计、施工要求,规定了玻璃钢渔船用不饱和聚醋树脂和玻璃纤维制品的技术要求和试验方法等。本标准由农业部渔业局提出。本标准由中国水产科学研究院归口。本标准起草单位:上海玻瑞钢研究所、农业部渔船检验局。本标准主要起草人:胡振哲、汪泽霖、冯振玉。中华人民共和国水产行业标准玻瑞钢渔船用不饱和聚醋树脂和玻玻纤维制品SC/T8063-2001Unsaturatedpolyesterresinandfiberglassproductsforglassfiberreinforcedplasticsfishingvessels1范圈本标准规定了玻璃俐(FRP)渔船用不饱和聚醋树脂(简称UP树脂)和玻璃纤维制品的分类、技术要求和试验方法。本标准适用于玻瑞钥渔船用不饱和聚酷树脂和玻瑞纤维制品。2引用标准下列标准所包含的条文,通过在本标淮中引用而构成为本标准的条文。本标准出版时,所示版本均为有效。所有标准都会被修订,使用本标准的各方应探讨使用下列标准最新版本的可能性。GB191-200。包装储运图示标志GB/T1446-1983纤维增强塑料性能试验方法总则GB/T1447-1983玻瑞纤维增强塑料拉伸性能试验方法GB/T1449-1983玻璃纤维增强塑料弯曲性能试验方法GB/T1451-1983玻璃纤维增强塑料简支梁式冲击韧性试验方法GB/T1462-1988纤维增强塑料吸水性试验方法GB/T1463-1988纤维增强塑料密度和相对密度试验方法GB/T1634-1979塑料弯曲负载热变形沮度(简称热变形温度)试验方法GB/T2567-1995树脂浇铸体性能试验方法总则GB/T2568-1995树脂浇铸体拉伸性能试验方法GB/T2570-1995树脂浇铸体弯曲性能试验方法GB/T2577-1989玻璃纤维增强塑料树脂含量试验方法GB/T3854-1983纤维增强塑料巴氏(巴柯尔)硬度试验方法GB/T3961-1993纤维增强塑料术语GB/T5258-1995纤维增强塑料薄层板压缩性能试验方法GB/T7193.2-1987不饱和聚醋树脂经值侧定方法GB/T7380-1995表面活性荆和洗涤荆含水量的测定卡尔·费休法GB/T8237-1987玻璃纤维增强塑料(玻璃钥)用液体不饱和聚醋树脂GB/T17470-1998玻璃纤维短切原丝毡JC/T281-1994无碱玻璃纤维无捻粗纱布JC/T576-1994中碱玻璃纤维无捻粗纱布JC/T767-1996纺织玻璃纤维术语及定义中华人民共和国农业部2001一06-01批准2001一10一01实施SC/T8063-20013定义本标准涉及的术语定义按GB/T3961或JC/T767的规定。4产品分类4.1不饱和聚醋树脂产品按其使用的...

1、当您付费下载文档后,您只拥有了使用权限,并不意味着购买了版权,文档只能用于自身使用,不得用于其他商业用途(如 [转卖]进行直接盈利或[编辑后售卖]进行间接盈利)。
2、本站所有内容均由合作方或网友上传,本站不对文档的完整性、权威性及其观点立场正确性做任何保证或承诺!文档内容仅供研究参考,付费前请自行鉴别。
3、如文档内容存在违规,或者侵犯商业秘密、侵犯著作权等,请点击“违规举报”。

碎片内容

蜗牛文库的最新文档

二年级数学下册其中检测卷二年级数学下册其中检测卷附答案#期中测试卷.pdf
10.00金币
0下载
二年级数学下册期末质检卷(苏教版)二年级数学下册期末质检卷(苏教版)#期末复习 #期末测试卷 #二年级数学 #二年级数学下册#关注我持续更新小学知识.pdf
10.00金币
0下载
二年级数学下册期末混合运算专项练习二年级数学下册期末混合运算专项练习#二年级#二年级数学下册#关注我持续更新小学知识 #知识分享 #家长收藏孩子受益.pdf
10.00金币
1下载
二年级数学下册年月日三类周期问题解题方法二年级数学下册年月日三类周期问题解题方法#二年级#二年级数学下册#知识分享 #关注我持续更新小学知识 #家长收藏孩子受益.pdf
10.00金币
0下载
二年级数学下册解决问题专项训练二年级数学下册解决问题专项训练#专项训练#解决问题#二年级#二年级数学下册#知识分享.pdf
10.00金币
1下载
二年级数学下册还原问题二年级数学下册还原问题#二年级#二年级数学#关注我持续更新小学知识 #知识分享 #家长收藏孩子受益.pdf
10.00金币
1下载
二年级数学下册第六单元考试卷家长打印出来给孩子测试测试争取拿到高分!#小学二年级试卷分享 #二年级第六单考试数学 #第六单考试#二年级数学下册.pdf
10.00金币
0下载
二年级数学下册必背顺口溜口诀汇总二年级数学下册必背顺口溜口诀汇总#二年级#二年级数学下册 #知识分享 #家长收藏孩子受益 #关注我持续更新小学知识.pdf
10.00金币
0下载
二年级数学下册《重点难点思维题》两大问题解决技巧和方法巧算星期几解决周期问题还原问题强化思维训练老师精心整理家长可以打印出来给孩子练习#家长收藏孩子受益 #学霸秘籍 #思维训练 #二年级 #知识点总结.pdf
10.00金币
0下载
二年级数学下册 必背公式大全寒假提前背一背开学更轻松#二年级 #二年级数学 #二年级数学下册 #寒假充电计划 #公式.pdf
10.00金币
0下载
蜗牛文库+ 关注
实名认证
内容提供者

提供各种专业文档内容

确认删除?
QQ
  • QQ点击这里给我发消息
微信客服
  • 微信客服
回到顶部