电脑桌面
添加蜗牛文库到电脑桌面
安装后可以在桌面快捷访问

SCT 8088-1994 渔船制冷系统效用试验技术要求.pdfVIP免费

SCT 8088-1994 渔船制冷系统效用试验技术要求.pdf_第1页
SCT 8088-1994 渔船制冷系统效用试验技术要求.pdf_第2页
SCT 8088-1994 渔船制冷系统效用试验技术要求.pdf_第3页
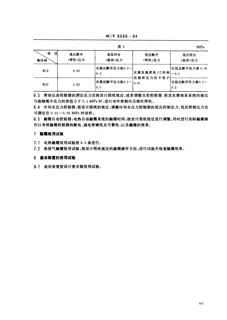
中华人民共和国水产行业标准SC/T8088一94渔船制冷系统效用试验技术要求代替SC68-821主肠内容与适用范围本标准规定了渔船的制冷系统效用试验的技术要求。本标准适用于以氟利昂为制冷剂的直接蒸发式的新建渔船鱼货保冷冻结和冷藏系统的效用试验。2试验前要求2.1效用试验应在各项密性试验结束后及低压回气管路包扎绝热材料后才能进行。22报警及自动保护设备的效用和可靠性,应经调试、检查、确认;测量仪表的准确性,应经校测各压力表阀应全部开启.2.3压缩机排出端、贮液器、冷凝器、中间冷却器及蒸发器的安全阀应调试好,其开启压力应不大于表1规定。表1MPa名称}冷凝器及贮液器}·中间冷却器及燕Y}il!h;ivlL*f*—R12R220.69l.372.礴制冷剂应急拽放管应畅通。2.5制冷机室和速冻间的通风机应做过1h的效用试验。2.6试验时鱼舱的密闭舱口盖、出入门及换气管、落水口液封槽应充足盐水。3制冷试验3.1制冷试验在冷藏鱼舱空舱情况下进行。3.2开动全部制冷压缩机,使所有鱼舱从常温冷却到设计要求的最低温度,然后使压缩机继续制冷12h,但从制冷开始到试验结束的总时间应不少于24h。记录从压缩机开始制冷至舱内达到设计要求温度时所需的时间,并注意制冷压缩机、冷却水泵、冷风机以及它们的电动机的运转情况。试验时,下列各项参数应每小时记录1次:制冷压缩机的转速、吸排气温度和压力。制冷压缩机滑油压力。a.阮。制冷压缩机电动机的转速、电流及电压。d,冷凝器冷却水进、出温度及压力。冷凝器的冷却水泵电动机的转速、电流及电压。f.冷藏鱼舱各测点温度。9,外界大气温度及与冷藏鱼舱相邻舱室的温度。h,冷风器的空气进、出口温度、压力。i,冷风器风机电动机转速、电流及电压。中华人民共和国农业部1994一11一01批准1995一01一01实施sC/T8088一94试验结束后,应检测各电动机及其控制设备的热态绝缘电阻,其值应不小于1Ml.3.3制冷试验结束后,工厂应整理试验数据,填写试验报告,报告格式见附录表Al及附录表A2,4首制冷改渔船冷改装置热平衡试验4.1冷藏装置的热平衡试验,应在冷藏舱达到设计要求的最低温度,并消除绝热层等的潜在热量和使舱温经一段时间稳定后开始,热平衡试验时间为8h,4.2试验时,鱼舱温度应保持在设计要求的最低温度,如有减小则应不大于1'C。为了达到这一目的,可改变制冷机组的运转台数或转速,亦可使压缩机作间歇运行。凡进行上述每种改变时,均应准确记录其改变时间。所有上述改变均不得借助于自动调载或自动控制系统。4.3热平衡试验时...

1、当您付费下载文档后,您只拥有了使用权限,并不意味着购买了版权,文档只能用于自身使用,不得用于其他商业用途(如 [转卖]进行直接盈利或[编辑后售卖]进行间接盈利)。
2、本站所有内容均由合作方或网友上传,本站不对文档的完整性、权威性及其观点立场正确性做任何保证或承诺!文档内容仅供研究参考,付费前请自行鉴别。
3、如文档内容存在违规,或者侵犯商业秘密、侵犯著作权等,请点击“违规举报”。

碎片内容

蜗牛文库的最新文档

二年级数学下册其中检测卷二年级数学下册其中检测卷附答案#期中测试卷.pdf
10.00金币
0下载
二年级数学下册期末质检卷(苏教版)二年级数学下册期末质检卷(苏教版)#期末复习 #期末测试卷 #二年级数学 #二年级数学下册#关注我持续更新小学知识.pdf
10.00金币
0下载
二年级数学下册期末混合运算专项练习二年级数学下册期末混合运算专项练习#二年级#二年级数学下册#关注我持续更新小学知识 #知识分享 #家长收藏孩子受益.pdf
10.00金币
1下载
二年级数学下册年月日三类周期问题解题方法二年级数学下册年月日三类周期问题解题方法#二年级#二年级数学下册#知识分享 #关注我持续更新小学知识 #家长收藏孩子受益.pdf
10.00金币
0下载
二年级数学下册解决问题专项训练二年级数学下册解决问题专项训练#专项训练#解决问题#二年级#二年级数学下册#知识分享.pdf
10.00金币
1下载
二年级数学下册还原问题二年级数学下册还原问题#二年级#二年级数学#关注我持续更新小学知识 #知识分享 #家长收藏孩子受益.pdf
10.00金币
1下载
二年级数学下册第六单元考试卷家长打印出来给孩子测试测试争取拿到高分!#小学二年级试卷分享 #二年级第六单考试数学 #第六单考试#二年级数学下册.pdf
10.00金币
0下载
二年级数学下册必背顺口溜口诀汇总二年级数学下册必背顺口溜口诀汇总#二年级#二年级数学下册 #知识分享 #家长收藏孩子受益 #关注我持续更新小学知识.pdf
10.00金币
0下载
二年级数学下册《重点难点思维题》两大问题解决技巧和方法巧算星期几解决周期问题还原问题强化思维训练老师精心整理家长可以打印出来给孩子练习#家长收藏孩子受益 #学霸秘籍 #思维训练 #二年级 #知识点总结.pdf
10.00金币
0下载
二年级数学下册 必背公式大全寒假提前背一背开学更轻松#二年级 #二年级数学 #二年级数学下册 #寒假充电计划 #公式.pdf
10.00金币
0下载
蜗牛文库+ 关注
实名认证
内容提供者

提供各种专业文档内容

确认删除?
QQ
  • QQ点击这里给我发消息
微信客服
  • 微信客服
回到顶部