电脑桌面
添加蜗牛文库到电脑桌面
安装后可以在桌面快捷访问

GBT 4294-1997 氢氧化铝.pdfVIP免费

GBT 4294-1997 氢氧化铝.pdf_第1页
GBT 4294-1997 氢氧化铝.pdf_第2页
GBT 4294-1997 氢氧化铝.pdf_第3页
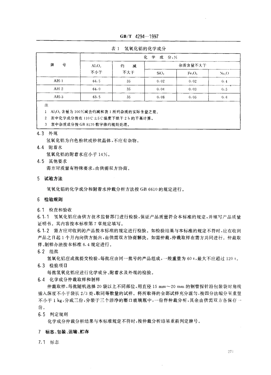
GB/T4294-1997前言本标准按GB/T1.1-1993和GB/T1.22-19934标准化工作导则》的有关规定编写本标准参照国外先进标准,结合我国的国情,依据技术上先进,经济上合理的原则,对原标准中技术条件部分做了如下修订:1.将原氢氧化铝国标一级品中:Si0:含量不大于。.03%,修订为不大于。.02%;Fe,O含量不大于。.03%,修订为不大于。.02%;Na,O含量不大于。4500,修订为不大于。4%.2.将原氢氧化铝国标二级品中:Si0,含量不大于0.05%,修订为不大于。.04%;Na户含量不大于0.45%,修订为不大于。.50o03.将原氢氧化铝国标三级品中:Si0:含量不大于。.1000,修订为不大于。.08%;Na,O含量不大于0.50yo,修订为不大于。.6%.本标准生效之日起,同时代替GB/T4294-84.本标准由中国有色金属工业总公司提出。本标准由中国有色金属工业总公司标准计量研究所负责归口。本标准由山东铝业公司负贵起草。本标准主要起草人:李林海、刘爽、钟沂妹。中华人民共和国国家标准GB/'r4294-1997氢氧化铝代替GB129184Aluminiumhydroxide1范围本标准规定了普通氢氧化铝(Al(OH),)的分级、要求、试验方法、检验规则及标志、包装、运输、贮存本标准适用于生产无机铝盐、阻燃填料及生产其他氢氧化铝、氧化铝制品用原料氢氧化铝2引用标准下列标准所包含的条文,通过在本标准中引用而构成为本标准的条文。本标准出版时,所示版本均为有效。所有标准都会被修订,使用本标准的各方应探讨使用下列标准最新版本的可能性GB817。一87数字修约规则GB/T6610.1-86氢氧化铝化学分析方法重量法测定水分GB/T6610.2-86氢氧化铝化学分析方法重量法测定灼烧失量GB/T6610.3-86氢氧化铝化学分析方法铝蓝光度法测定二氧化硅量GB/T6610.4-86氢氧化铝化学分析方法邻二氮杂菲光度法测定氧化铁量GB/16610.5-86氢氧化铝化学分析方法火焰光度法测定氧化钠里3订货合同内容本标准所列的产品汀货合同应包括下列内容:3.1产品名称3.2牌号3.3重量3.4标准编pl-3.5其他。4要求4门产品分级氢氧化铝按化学成分分为三个牌号:AH-1,AH-2,AH-304.2化学成分氢氧化铝的化学成分应符合表1的规定国家技术监督局1997一12一22批准1998一08-01实施GB/'r4294-1997表1氢氧化铝的化学成分牌号化学成分,16Ah0不小于灼减不大于杂质含量不大干SiO2Fe式〕,Na,0AH]645350.020.020.4AH-264.0350.040.03门0.5AH一363.5350.080.050-6注1Ab,0含枯为100y,减去灼减和表1所列杂质的实际含量之差2表中化学成分按在110它士5C温度下烘干2h的千基计算3表中杂质成分按GB...

1、当您付费下载文档后,您只拥有了使用权限,并不意味着购买了版权,文档只能用于自身使用,不得用于其他商业用途(如 [转卖]进行直接盈利或[编辑后售卖]进行间接盈利)。
2、本站所有内容均由合作方或网友上传,本站不对文档的完整性、权威性及其观点立场正确性做任何保证或承诺!文档内容仅供研究参考,付费前请自行鉴别。
3、如文档内容存在违规,或者侵犯商业秘密、侵犯著作权等,请点击“违规举报”。

碎片内容

蜗牛文库的最新文档

二年级数学下册其中检测卷二年级数学下册其中检测卷附答案#期中测试卷.pdf
10.00金币
0下载
二年级数学下册期末质检卷(苏教版)二年级数学下册期末质检卷(苏教版)#期末复习 #期末测试卷 #二年级数学 #二年级数学下册#关注我持续更新小学知识.pdf
10.00金币
0下载
二年级数学下册期末混合运算专项练习二年级数学下册期末混合运算专项练习#二年级#二年级数学下册#关注我持续更新小学知识 #知识分享 #家长收藏孩子受益.pdf
10.00金币
1下载
二年级数学下册年月日三类周期问题解题方法二年级数学下册年月日三类周期问题解题方法#二年级#二年级数学下册#知识分享 #关注我持续更新小学知识 #家长收藏孩子受益.pdf
10.00金币
0下载
二年级数学下册解决问题专项训练二年级数学下册解决问题专项训练#专项训练#解决问题#二年级#二年级数学下册#知识分享.pdf
10.00金币
1下载
二年级数学下册还原问题二年级数学下册还原问题#二年级#二年级数学#关注我持续更新小学知识 #知识分享 #家长收藏孩子受益.pdf
10.00金币
1下载
二年级数学下册第六单元考试卷家长打印出来给孩子测试测试争取拿到高分!#小学二年级试卷分享 #二年级第六单考试数学 #第六单考试#二年级数学下册.pdf
10.00金币
0下载
二年级数学下册必背顺口溜口诀汇总二年级数学下册必背顺口溜口诀汇总#二年级#二年级数学下册 #知识分享 #家长收藏孩子受益 #关注我持续更新小学知识.pdf
10.00金币
0下载
二年级数学下册《重点难点思维题》两大问题解决技巧和方法巧算星期几解决周期问题还原问题强化思维训练老师精心整理家长可以打印出来给孩子练习#家长收藏孩子受益 #学霸秘籍 #思维训练 #二年级 #知识点总结.pdf
10.00金币
0下载
二年级数学下册 必背公式大全寒假提前背一背开学更轻松#二年级 #二年级数学 #二年级数学下册 #寒假充电计划 #公式.pdf
10.00金币
0下载
蜗牛文库+ 关注
实名认证
内容提供者

提供各种专业文档内容

确认删除?
QQ
  • QQ点击这里给我发消息
微信客服
  • 微信客服
回到顶部