电脑桌面
添加蜗牛文库到电脑桌面
安装后可以在桌面快捷访问

GBT 3503-2006 氧化钇.pdfVIP免费

GBT 3503-2006 氧化钇.pdf_第1页
GBT 3503-2006 氧化钇.pdf_第2页
GBT 3503-2006 氧化钇.pdf_第3页
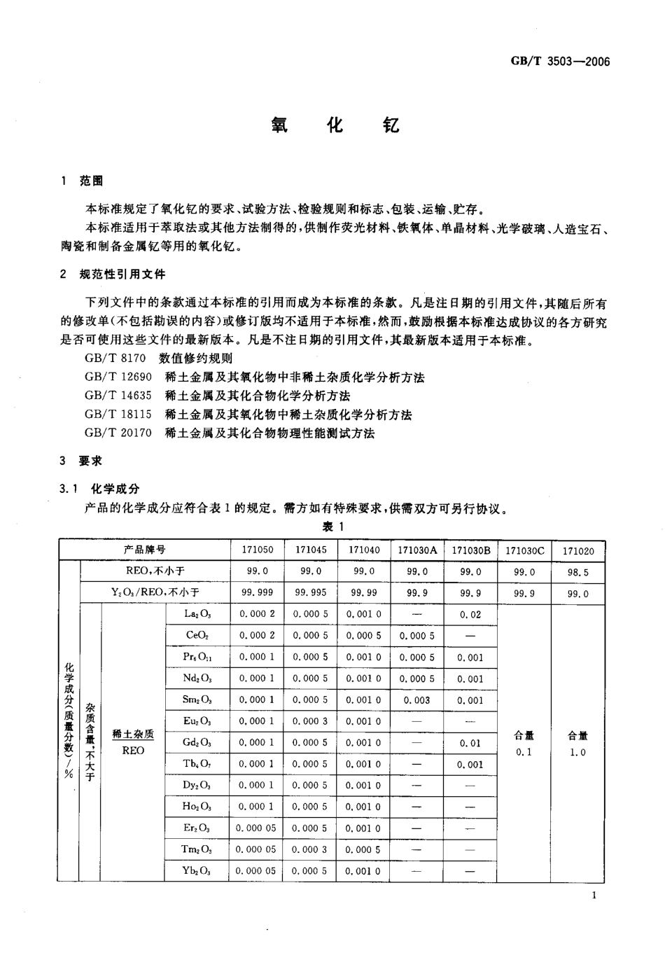
ICS77.120.99H65巧日中华人民共和国国家标准GB/T3503-2006代替GB/T3503-1993氧化忆Yttriumoxide2006-04-13发布2006-10-01实施中华人民共和国国家质量监督检验检疫总局中国国家标准化管理委员会发布GB/T3503-2006前言本标准代替GB/T3503-1993((氧化忆》。本标准与GB/T3503-1993相比主要变化如下:—按GB/T17803-1999《稀土产品牌号表示方法》的要求改用数字牌号;—增加171045牌号(纯度为99.995%),原Y,0,-04Y与原Y203-04两个牌号合并为17104。牌号(纯度为99.99%);—产品纯度为99.99%以上的稀土杂质考核指标由合量变为分量;—171050牌号中非稀土杂质Fe,0,由0.0005%修改为0.0003a/o,CaO由0.0005%修改为0.0007oo,SiO:由0.0025%修改为0.002Ooa;—171040牌号中稀土杂质EU203由0.0005%修改为0.0010%;—增加了对非稀土杂质C1一的考核。本标准由国家发展和改革委员会稀土办公室提出。本标准由全国稀土标准化技术委员会归口并负责解释。本标准由上海跃龙新材料股份有限公司负责起草。本标准由广东珠江稀土有限公司、九江有色金属冶炼厂参加起草。本标准主要起草人:张晓明、吴克平、靳海明、陈察苟、王丽霞。本标准所代替标准的历次版本发布情况:-GB/T3503-1984,GB/T3503-1993GB/T3503-2006氧化忆范围本标准规定了氧化忆的要求、试验方法、检验规则和标志、包装、运输、贮存。本标准适用于萃取法或其他方法制得的,供制作荧光材料、铁氧体、单晶材料、光学破璃、人造宝石、陶瓷和制备金属忆等用的氧化忆。2规范性引用文件下列文件中的条款通过本标准的引用而成为本标准的条款。凡是注日期的引用文件,其随后所有的修改单(不包括勘误的内容)或修订版均不适用于本标准,然而,鼓励根据本标准达成协议的各方研究是否可使用这些文件的最新版本。凡是不注日期的引用文件,其最新版本适用于本标准。GB/T8170数值修约规则GB/T1269。稀土金属及其氧化物中非稀土杂质化学分析方法GB/T14635稀土金属及其化合物化学分析方法GB/T18115稀土金属及其氧化物中稀土杂质化学分析方法GB/T20170稀土金属及其化合物物理性能测试方法3要求3.1化学成分产品的化学成分应符合表1的规定。需方如有特殊要求,供需双方可另行协议。表1产品牌号171050171045171040171030A171030B171030C171020化学成分质量分数/%REO,不小于99.099,099.099.099.099.098.5Y,O,/REO,不小于99.99999.99599.9999.999.999.999.0杂质含量不大于稀土杂质REOLa,O,0.00020.00050,00100.02合量0.1拿R0CeO20.00020.0005...

1、当您付费下载文档后,您只拥有了使用权限,并不意味着购买了版权,文档只能用于自身使用,不得用于其他商业用途(如 [转卖]进行直接盈利或[编辑后售卖]进行间接盈利)。
2、本站所有内容均由合作方或网友上传,本站不对文档的完整性、权威性及其观点立场正确性做任何保证或承诺!文档内容仅供研究参考,付费前请自行鉴别。
3、如文档内容存在违规,或者侵犯商业秘密、侵犯著作权等,请点击“违规举报”。

碎片内容

蜗牛文库的最新文档

二年级数学下册其中检测卷二年级数学下册其中检测卷附答案#期中测试卷.pdf
10.00金币
0下载
二年级数学下册期末质检卷(苏教版)二年级数学下册期末质检卷(苏教版)#期末复习 #期末测试卷 #二年级数学 #二年级数学下册#关注我持续更新小学知识.pdf
10.00金币
0下载
二年级数学下册期末混合运算专项练习二年级数学下册期末混合运算专项练习#二年级#二年级数学下册#关注我持续更新小学知识 #知识分享 #家长收藏孩子受益.pdf
10.00金币
1下载
二年级数学下册年月日三类周期问题解题方法二年级数学下册年月日三类周期问题解题方法#二年级#二年级数学下册#知识分享 #关注我持续更新小学知识 #家长收藏孩子受益.pdf
10.00金币
0下载
二年级数学下册解决问题专项训练二年级数学下册解决问题专项训练#专项训练#解决问题#二年级#二年级数学下册#知识分享.pdf
10.00金币
1下载
二年级数学下册还原问题二年级数学下册还原问题#二年级#二年级数学#关注我持续更新小学知识 #知识分享 #家长收藏孩子受益.pdf
10.00金币
1下载
二年级数学下册第六单元考试卷家长打印出来给孩子测试测试争取拿到高分!#小学二年级试卷分享 #二年级第六单考试数学 #第六单考试#二年级数学下册.pdf
10.00金币
0下载
二年级数学下册必背顺口溜口诀汇总二年级数学下册必背顺口溜口诀汇总#二年级#二年级数学下册 #知识分享 #家长收藏孩子受益 #关注我持续更新小学知识.pdf
10.00金币
0下载
二年级数学下册《重点难点思维题》两大问题解决技巧和方法巧算星期几解决周期问题还原问题强化思维训练老师精心整理家长可以打印出来给孩子练习#家长收藏孩子受益 #学霸秘籍 #思维训练 #二年级 #知识点总结.pdf
10.00金币
0下载
二年级数学下册 必背公式大全寒假提前背一背开学更轻松#二年级 #二年级数学 #二年级数学下册 #寒假充电计划 #公式.pdf
10.00金币
0下载
蜗牛文库+ 关注
实名认证
内容提供者

提供各种专业文档内容

确认删除?
QQ
  • QQ点击这里给我发消息
微信客服
  • 微信客服
回到顶部