电脑桌面
添加蜗牛文库到电脑桌面
安装后可以在桌面快捷访问

GB 18455-2001 包装回收标志.pdfVIP免费

GB 18455-2001 包装回收标志.pdf_第1页
GB 18455-2001 包装回收标志.pdf_第2页
GB 18455-2001 包装回收标志.pdf_第3页
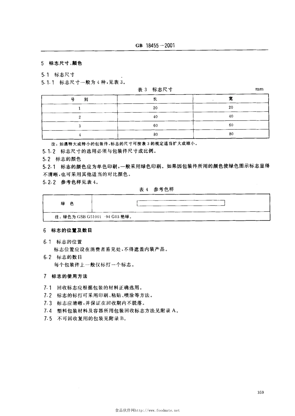
中华人民共和国国家标准包装回收标志Gs184552001Packagingrecyclemark1范围本标准规定了可回收复用包装及可再生利用包装标志的种类、名称、尺寸及颜色等。本标准适用于各类可回收复用和再生利用的包装{不包括危险品)材料2引用标准下列标准所包含的条文,通过在本标准中引用而构成为本标准的条文。本标准出版时,所示版本均为有效。所有标准都会被修订,使用本标准的各方应探讨使用下列标准最新版本的可能性GB月,16716-1996包装废弃物的处理与利用通则3定义本标准采用下列定义Gain16716所列各项定义均适用于本标准。绿点标志greenpointmark包装生产者已支付包装处理费的绿色包装环保标志。4标志的图形、名称及材质代号4门标志的图形和名称共四类见表1e表1回收标志标志11标志名称标志适用范围可重复使用可回收再生适用于各类包装含再生材料i__上~_一-一~一~~一--.一-一一一士一_,一一扮一一一」一_,一-一一」中华人民共和国国家质f监督检验检疫总局2001一09-18批准2002一01一01实施食品伙伴网http://www.foodmate.netGB18455-2001表1(完)标志号标志名称标志图形标志适用范围绿点标志适用于各类包装4.2各种材质的包装在所属标志图形中的代号见表20表2包装材料代号类别名称代号一I厅一塑料高密度聚乙烯HDPE低密度聚乙烯LDPE聚舰乙烯PVC聚酷PET聚丙烯PP聚苯乙烯PSY纸纸WPP纸板PB瓦楞纸板CB瓦楞纤维板CFB非瓦楞纤维板NCFB租金属钢铁FE铝ALUN复合材料塑料/铝11塑料/马口铁12塑料/混合金属13塑料/玻璃14玻璃/铝21玻璃/马口铁22玻璃/混合金属23纸或纤维板/塑料31纸或纤维板/铝32纸或纤维板/马n铁33纸或纤维板/混合金属34纸或纤维板/塑料/金属41V玻璃无色Gl_I棕色GL2绿色GIAof木材自然木材NW358食品伙伴网http://www.foodmate.netGB18455-20015标志尺寸、颜色:.{。标志尺寸标志尺寸一般为4种,见表3,表3标志尺寸m们I号别长宽12020240403606048080注:如遇特大或特小的包装件,标志的尺寸可按表3的规定适当扩大或缩小.5.1.2标志尺寸的选用必须与包装件尺寸成比例。52标志的颜色5.2.1标志的颜色应为单色印刷,一般采用绿色印刷。如果因包装件所用的颜色使绿色图示标志显得不清晰,也可采用其他适当的对比颜色。5.2.2参考色样见表4表4参考色样绿色}}注:绿色为GSBG51001-94G03艳绿6标志的位里及数目6.1标志的位置标志位置应设在消费者易见处,不得遮盖内装产品。6.2标志的数目侮个包装件上一般仅标打一个标志。7标志的使用方法7.1回收标志应根据包装的材料正确...

1、当您付费下载文档后,您只拥有了使用权限,并不意味着购买了版权,文档只能用于自身使用,不得用于其他商业用途(如 [转卖]进行直接盈利或[编辑后售卖]进行间接盈利)。
2、本站所有内容均由合作方或网友上传,本站不对文档的完整性、权威性及其观点立场正确性做任何保证或承诺!文档内容仅供研究参考,付费前请自行鉴别。
3、如文档内容存在违规,或者侵犯商业秘密、侵犯著作权等,请点击“违规举报”。

碎片内容

蜗牛文库的最新文档

二年级数学下册其中检测卷二年级数学下册其中检测卷附答案#期中测试卷.pdf
10.00金币
0下载
二年级数学下册期末质检卷(苏教版)二年级数学下册期末质检卷(苏教版)#期末复习 #期末测试卷 #二年级数学 #二年级数学下册#关注我持续更新小学知识.pdf
10.00金币
0下载
二年级数学下册期末混合运算专项练习二年级数学下册期末混合运算专项练习#二年级#二年级数学下册#关注我持续更新小学知识 #知识分享 #家长收藏孩子受益.pdf
10.00金币
1下载
二年级数学下册年月日三类周期问题解题方法二年级数学下册年月日三类周期问题解题方法#二年级#二年级数学下册#知识分享 #关注我持续更新小学知识 #家长收藏孩子受益.pdf
10.00金币
0下载
二年级数学下册解决问题专项训练二年级数学下册解决问题专项训练#专项训练#解决问题#二年级#二年级数学下册#知识分享.pdf
10.00金币
1下载
二年级数学下册还原问题二年级数学下册还原问题#二年级#二年级数学#关注我持续更新小学知识 #知识分享 #家长收藏孩子受益.pdf
10.00金币
1下载
二年级数学下册第六单元考试卷家长打印出来给孩子测试测试争取拿到高分!#小学二年级试卷分享 #二年级第六单考试数学 #第六单考试#二年级数学下册.pdf
10.00金币
0下载
二年级数学下册必背顺口溜口诀汇总二年级数学下册必背顺口溜口诀汇总#二年级#二年级数学下册 #知识分享 #家长收藏孩子受益 #关注我持续更新小学知识.pdf
10.00金币
0下载
二年级数学下册《重点难点思维题》两大问题解决技巧和方法巧算星期几解决周期问题还原问题强化思维训练老师精心整理家长可以打印出来给孩子练习#家长收藏孩子受益 #学霸秘籍 #思维训练 #二年级 #知识点总结.pdf
10.00金币
0下载
二年级数学下册 必背公式大全寒假提前背一背开学更轻松#二年级 #二年级数学 #二年级数学下册 #寒假充电计划 #公式.pdf
10.00金币
0下载
蜗牛文库+ 关注
实名认证
内容提供者

提供各种专业文档内容

确认删除?
QQ
  • QQ点击这里给我发消息
微信客服
  • 微信客服
回到顶部