电脑桌面
添加蜗牛文库到电脑桌面
安装后可以在桌面快捷访问

bz001005427.pdfVIP免费

bz001005427.pdf_第1页
bz001005427.pdf_第2页
bz001005427.pdf_第3页
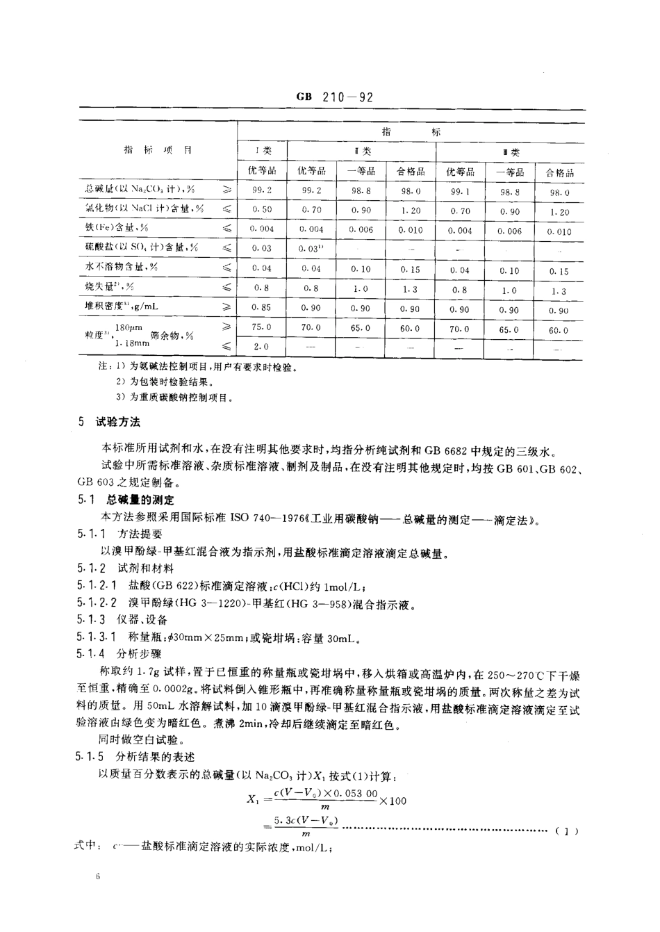
中华人民共和国国家标准GB210一92工业碳酸钠代替GB21089GB2368^2373-89Sodiumcarbonateforindustrialuse1主题内容与适用范围本标准规定了工业碳酸钠的技术要求、试验方法、检验规则、标志、包装、运输和贮存本标准适用于以工业盐或天然碱为原料,由氨碱法、联碱法或其他方法制得的工业碳酸钠。该产品要用于化工、玻璃、冶金、造纸、印染、合成洗涤剂、石油化工等工业分子式:Na,CO相对分子质量:105.99(按1987年国际相对原子量)2}I用标准GB191包装储运图示标志GB601化学试剂滴定分析(容量分析)用标准溶液的制备GB602化学试剂杂质测定用标准溶液的制备GB603化学试剂试验方法中所用制剂及制品的制备GB125。极限数值的表示方法和判定方法GB3049化工产品中铁含量测定的通用方法邻菲哆琳分光光度法GB305。无机化工产品中氯化物含量测定的通用方法电位滴定法GB3051无机化工产品中氯化物含量测定的通用方法汞量法GB6003试验筛GB6678化工产品采样总则GB6682实验室用水规格GB8946塑料编织袋GB8947复合塑料编织袋GB10454柔性集装袋GSBG12001工业碳酸钠国家标准样品3产品分类工业碳酸钠分为三种类别:工类为特种工业用重质碳酸钠。适用于制造显象管玻壳、浮法玻璃、光学玻璃等。1类为一般工业盐及天然碱为原料生产的工业碳酸钠。包括轻质碳酸钠和重质碳酸钠。.类为硫酸钠型卤水盐为原料联碱法生产的工业碳酸钠。包括轻质碳酸钠和重质碳酸钠。4技术要求4门外观:I类为白色细小颗粒。I,11类轻质碳酸钠为白色结晶粉末,重质碳酸钠为白色细小颗粒。4.2工业碳酸钠应符合下表要求:国家技术监督局1992一12-04批准1993一09一013EAGB210一92指标项目指标I类兀类.类优等品优等品一等品合格品优等品一等品合格精总碱址(以NatCC1计),%妻99.299.298.898.099.198.8980抓化物(以NaCIi价含量,%石0.500.700.901.200.700.901.20铁(Fe)含量,%簇0.0040.0040.0060.0100.0040.0060.010硫酸盐(以5()计)含显%蕊0.030.03"水不溶物含坛,%0.040.040.100.150.040.100.15烧失量2’,%蕊0.80.81.01.30.81.01.3堆积密度飞,g/mL妻0.850.900.900.900.900.900.9075.070.065.060.070.065.060.02.0注:曰为氨碱法控制项目,用户有要求时检验2)为包装时检验结果.3)为重质碳酸钠控制项目5试验方法本标准所用试剂和水,在没有注明其他要求时,均指分析纯试剂和GB6682中规定的三级水试验中所需标准溶液、杂质标准溶液、制剂及制品,在没有注明其他规定时,均按GB601,GB602,GB603之规定制备。5.1总碱A的测...

1、当您付费下载文档后,您只拥有了使用权限,并不意味着购买了版权,文档只能用于自身使用,不得用于其他商业用途(如 [转卖]进行直接盈利或[编辑后售卖]进行间接盈利)。
2、本站所有内容均由合作方或网友上传,本站不对文档的完整性、权威性及其观点立场正确性做任何保证或承诺!文档内容仅供研究参考,付费前请自行鉴别。
3、如文档内容存在违规,或者侵犯商业秘密、侵犯著作权等,请点击“违规举报”。

碎片内容

蜗牛文库的最新文档

二年级数学下册其中检测卷二年级数学下册其中检测卷附答案#期中测试卷.pdf
10.00金币
0下载
二年级数学下册期末质检卷(苏教版)二年级数学下册期末质检卷(苏教版)#期末复习 #期末测试卷 #二年级数学 #二年级数学下册#关注我持续更新小学知识.pdf
10.00金币
0下载
二年级数学下册期末混合运算专项练习二年级数学下册期末混合运算专项练习#二年级#二年级数学下册#关注我持续更新小学知识 #知识分享 #家长收藏孩子受益.pdf
10.00金币
1下载
二年级数学下册年月日三类周期问题解题方法二年级数学下册年月日三类周期问题解题方法#二年级#二年级数学下册#知识分享 #关注我持续更新小学知识 #家长收藏孩子受益.pdf
10.00金币
0下载
二年级数学下册解决问题专项训练二年级数学下册解决问题专项训练#专项训练#解决问题#二年级#二年级数学下册#知识分享.pdf
10.00金币
1下载
二年级数学下册还原问题二年级数学下册还原问题#二年级#二年级数学#关注我持续更新小学知识 #知识分享 #家长收藏孩子受益.pdf
10.00金币
1下载
二年级数学下册第六单元考试卷家长打印出来给孩子测试测试争取拿到高分!#小学二年级试卷分享 #二年级第六单考试数学 #第六单考试#二年级数学下册.pdf
10.00金币
0下载
二年级数学下册必背顺口溜口诀汇总二年级数学下册必背顺口溜口诀汇总#二年级#二年级数学下册 #知识分享 #家长收藏孩子受益 #关注我持续更新小学知识.pdf
10.00金币
0下载
二年级数学下册《重点难点思维题》两大问题解决技巧和方法巧算星期几解决周期问题还原问题强化思维训练老师精心整理家长可以打印出来给孩子练习#家长收藏孩子受益 #学霸秘籍 #思维训练 #二年级 #知识点总结.pdf
10.00金币
0下载
二年级数学下册 必背公式大全寒假提前背一背开学更轻松#二年级 #二年级数学 #二年级数学下册 #寒假充电计划 #公式.pdf
10.00金币
0下载
蜗牛文库+ 关注
实名认证
内容提供者

提供各种专业文档内容

确认删除?
QQ
  • QQ点击这里给我发消息
微信客服
  • 微信客服
回到顶部