电脑桌面
添加蜗牛文库到电脑桌面
安装后可以在桌面快捷访问

bz001015963.pdfVIP免费

bz001015963.pdf_第1页
bz001015963.pdf_第2页
bz001015963.pdf_第3页
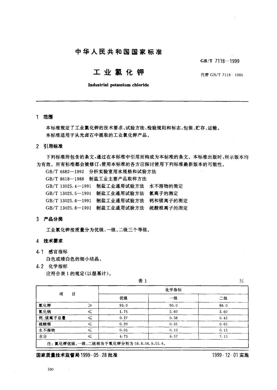
GB/T7118-1999前言本标准是对GB/T7118-19861氛化钾(苦卤燕发法)》的第一次修订,主要修订内容如下标准名称改用《工业撅化钾》;化学指标以湿基表示;化学指标中部分指标略有提高;试验方法作了局部修改。本标准从生效之日起,同时代替GB/T7118-1986,本标准由国家轻工业局提出。本标准起草单位:中国轻工总会制盐研究所。本标准由全国海湖盐标准化中心归口。本标准主要起草人:陈坚庭、徐中玲。中华人民共和国国家标准GB/T7118-1999工业氮化钾代替GB/T7118--1986Industrialpotassiumchloride,范圈本标准规定了工业抓化钾的技术要求、试验方法、检验规则和标志、包装、贮存、运输。本标准适用于从光卤石中提取的工业氯化钾产品。2引用标准下列标准所包含的条文,通过在本标准中引用而构成为本标准的条文。本标准出版时为有效。所有标准都会被修订,使用本标准的各方应探讨使用下列标准最新版本的可能性GB/T6682-1992分析实验室用水规格和试验方法GB/T8618-1988制盐工业主要产品取样方法GB/T13025.4-1991制盐工业通用试验方法水不溶物的测定GB/T13025.5-1991制盐工业通用试验方法抓离子的测定GB/T13025.6-1991制盐工业通用试验方法钙和镁离子的测定GB/T13025.8-1991制盐工业通用试验方法硫酸根离子的测定3产品分类工业抓化钾按质量分为优级、一级、二级三个等级。4技术要求4.1感官指标白色或暗白色的细小结晶。4.2化学指标应符合表1的规定(以湿基计)。表1,所示版本均项目化学指标优级一级二级抓化钾)93.090.088,0抓化钠蕊1.752.603.60钙、镁离子总量(}0.380.45硫酸根(0.200.350.65水不溶物(0.050.100.15水分(4.73}7.15注抓化钾优级、一级、二级相当于氧化钾分别为58.8,56.9,55.6.国家质f技术监份局1999一05一28批准1999一12一01实施GB/T7118-19995试验方法本方法所用试剂和水在没有注明其他要求时,均使用分析纯试剂,实验室用水应符合GB/T6682-1992中三级水的规格。本方法规定之允许差系指两次平行测定结果不超过的差值。51样品溶液的制备称取25g氮化钾样品,称准至0.001g,置于400mL烧杯中,加200mL水,加热溶解。冷却后移入500mL容量瓶中,加水稀释至刻度,摇匀,必要时过滤。5.2水分含量的测定5.2.1原理样品在(105士2)℃加热,测定加热后失去的质量.5.2.2仪器设备一般实验室仪器和低型称量瓶(50X30mm),5.2.3试验程序称取6g-8g样品,称准至0.001g。置于已在(105土2)'C恒重的称瓶中,于电烘箱中(105士2)`C烘2h-3h。取出置于干燥器中冷却至室温后称重,以...

1、当您付费下载文档后,您只拥有了使用权限,并不意味着购买了版权,文档只能用于自身使用,不得用于其他商业用途(如 [转卖]进行直接盈利或[编辑后售卖]进行间接盈利)。
2、本站所有内容均由合作方或网友上传,本站不对文档的完整性、权威性及其观点立场正确性做任何保证或承诺!文档内容仅供研究参考,付费前请自行鉴别。
3、如文档内容存在违规,或者侵犯商业秘密、侵犯著作权等,请点击“违规举报”。

碎片内容

蜗牛文库的最新文档

二年级数学下册其中检测卷二年级数学下册其中检测卷附答案#期中测试卷.pdf
10.00金币
0下载
二年级数学下册期末质检卷(苏教版)二年级数学下册期末质检卷(苏教版)#期末复习 #期末测试卷 #二年级数学 #二年级数学下册#关注我持续更新小学知识.pdf
10.00金币
0下载
二年级数学下册期末混合运算专项练习二年级数学下册期末混合运算专项练习#二年级#二年级数学下册#关注我持续更新小学知识 #知识分享 #家长收藏孩子受益.pdf
10.00金币
1下载
二年级数学下册年月日三类周期问题解题方法二年级数学下册年月日三类周期问题解题方法#二年级#二年级数学下册#知识分享 #关注我持续更新小学知识 #家长收藏孩子受益.pdf
10.00金币
0下载
二年级数学下册解决问题专项训练二年级数学下册解决问题专项训练#专项训练#解决问题#二年级#二年级数学下册#知识分享.pdf
10.00金币
1下载
二年级数学下册还原问题二年级数学下册还原问题#二年级#二年级数学#关注我持续更新小学知识 #知识分享 #家长收藏孩子受益.pdf
10.00金币
1下载
二年级数学下册第六单元考试卷家长打印出来给孩子测试测试争取拿到高分!#小学二年级试卷分享 #二年级第六单考试数学 #第六单考试#二年级数学下册.pdf
10.00金币
0下载
二年级数学下册必背顺口溜口诀汇总二年级数学下册必背顺口溜口诀汇总#二年级#二年级数学下册 #知识分享 #家长收藏孩子受益 #关注我持续更新小学知识.pdf
10.00金币
0下载
二年级数学下册《重点难点思维题》两大问题解决技巧和方法巧算星期几解决周期问题还原问题强化思维训练老师精心整理家长可以打印出来给孩子练习#家长收藏孩子受益 #学霸秘籍 #思维训练 #二年级 #知识点总结.pdf
10.00金币
0下载
二年级数学下册 必背公式大全寒假提前背一背开学更轻松#二年级 #二年级数学 #二年级数学下册 #寒假充电计划 #公式.pdf
10.00金币
0下载
蜗牛文库+ 关注
实名认证
内容提供者

提供各种专业文档内容

确认删除?
QQ
  • QQ点击这里给我发消息
微信客服
  • 微信客服
回到顶部