电脑桌面
添加蜗牛文库到电脑桌面
安装后可以在桌面快捷访问

bz001011552.pdfVIP免费

bz001011552.pdf_第1页
bz001011552.pdf_第2页
bz001011552.pdf_第3页
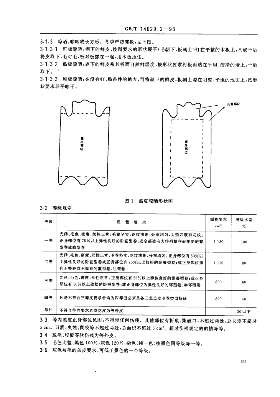
中华人民共和国国家标准Gs/'r14629.2一93裘皮三北羔皮Fur-Persinlambskin1主题内容与适用范围本标准规定了三北羔皮的技术要求,检验方法,检验规则和包装、储存、标志、运输。本标准适用于三北羔皮加工、购销。2术语2.1三北羔皮:我国西北、华北、东北等地区,纯种及改良杂交的三北羊所产的羔羊皮。2.2光泽正常:自然光线下,毛面光泽柔和。2.3毛色正常:以纯黑色、中灰色为正常色。2.4密度正常:不露皮板,手感适中为密度正常。2.5丝性正常:手感被毛有丝绸般的光滑、柔软。2.6弹性良好:毛卷坚挺,受外力作用后,恢复原状。2.7卧蚕型卷:毛卷向一方卷曲,毛光向里卷曲,形似卧蚕状。2.8服型卷:毛卷自中线向两侧成锐角排列。2-9肋型卷:毛卷排成肋骨状,呈“厂”字形,宽度大于高度。2.10环型卷:被毛有足够的长度,与皮板平行卷曲成环状。2.11半环型卷:被毛长度不足,与皮板平行卷曲,未形成环状。2.12杯型卷:毛股成螺旋式,形似杯状。2.13豌豆型卷:毛股的顶端扭成小结,形似豌豆状。2.14正身部位:上边前肩部横线以下,至尾根部横线以上,两边以两欣内侧直线以内,见图1,2.15折疽:表皮层有断裂条痕,有损皮质。2.16撕破口:剥皮、晾晒、保管中人为的将皮板撕破。2.17刀洞:因刀伤形成的洞。2.18缺材:因缺少某一部位,皮形不完整。2.19胶板:皮板油溃变质,造成胶质化。2.20脱毛:因皮板发霉变质,被毛脱落。2.21冻板:鲜皮受冻,皮板增厚,皮纤维组织受破坏,弹性较差。3技术要求3.1加工要求3.1.1取皮时间:一般羔羊出生后1^-3d内屠宰取皮,如被毛较短,可适当延长屠宰时间。3.1.2剥皮:用刀在羔羊的脖子下正中直线挑至肛门处,挑开四肢,去掉腿骨,抽出尾骨。耳、尾、头、腿齐全。防止被毛被血污染。国家技术监督局1993一08一29批准1993一12一01实施GB/'r14629.2一933-1-3晾晒:晾晒成长方形。冬季严防冻板,见下图。3.1-3-,钉板晾晒:剥下的鲜皮,按图要求的形状展平(毛朝下,板朝上)钉在平整的木板上,八成干后将皮取下,毛对毛,板对板M在一起,用木板压住。3.1.3.2贴板晾晒:剥下的鲜皮乘其板面自然鲜湿度,按形状要求将板面贴在平坦、洁净的墙上,干后取下。3.1.3.3原板晾晒:在没有钉、贴条件的地方,可将剥下的鲜皮,板朝上晾在阴凉、平坦的地面上,按形状要求展平晾干。其他那位图1羔皮晾晒形状图3.2等级规定等级质量要求面积要求cm公等级比差%一等光泽、毛色、密度、丝性正常,毛卷坚实,花纹清晰,分布均匀,头颈四肢有花纹.正身部位有75%以上弹性良好的...

1、当您付费下载文档后,您只拥有了使用权限,并不意味着购买了版权,文档只能用于自身使用,不得用于其他商业用途(如 [转卖]进行直接盈利或[编辑后售卖]进行间接盈利)。
2、本站所有内容均由合作方或网友上传,本站不对文档的完整性、权威性及其观点立场正确性做任何保证或承诺!文档内容仅供研究参考,付费前请自行鉴别。
3、如文档内容存在违规,或者侵犯商业秘密、侵犯著作权等,请点击“违规举报”。

碎片内容

蜗牛文库的最新文档

二年级数学下册其中检测卷二年级数学下册其中检测卷附答案#期中测试卷.pdf
10.00金币
0下载
二年级数学下册期末质检卷(苏教版)二年级数学下册期末质检卷(苏教版)#期末复习 #期末测试卷 #二年级数学 #二年级数学下册#关注我持续更新小学知识.pdf
10.00金币
0下载
二年级数学下册期末混合运算专项练习二年级数学下册期末混合运算专项练习#二年级#二年级数学下册#关注我持续更新小学知识 #知识分享 #家长收藏孩子受益.pdf
10.00金币
1下载
二年级数学下册年月日三类周期问题解题方法二年级数学下册年月日三类周期问题解题方法#二年级#二年级数学下册#知识分享 #关注我持续更新小学知识 #家长收藏孩子受益.pdf
10.00金币
0下载
二年级数学下册解决问题专项训练二年级数学下册解决问题专项训练#专项训练#解决问题#二年级#二年级数学下册#知识分享.pdf
10.00金币
1下载
二年级数学下册还原问题二年级数学下册还原问题#二年级#二年级数学#关注我持续更新小学知识 #知识分享 #家长收藏孩子受益.pdf
10.00金币
1下载
二年级数学下册第六单元考试卷家长打印出来给孩子测试测试争取拿到高分!#小学二年级试卷分享 #二年级第六单考试数学 #第六单考试#二年级数学下册.pdf
10.00金币
0下载
二年级数学下册必背顺口溜口诀汇总二年级数学下册必背顺口溜口诀汇总#二年级#二年级数学下册 #知识分享 #家长收藏孩子受益 #关注我持续更新小学知识.pdf
10.00金币
0下载
二年级数学下册《重点难点思维题》两大问题解决技巧和方法巧算星期几解决周期问题还原问题强化思维训练老师精心整理家长可以打印出来给孩子练习#家长收藏孩子受益 #学霸秘籍 #思维训练 #二年级 #知识点总结.pdf
10.00金币
0下载
二年级数学下册 必背公式大全寒假提前背一背开学更轻松#二年级 #二年级数学 #二年级数学下册 #寒假充电计划 #公式.pdf
10.00金币
0下载
蜗牛文库+ 关注
实名认证
内容提供者

提供各种专业文档内容

确认删除?
QQ
  • QQ点击这里给我发消息
微信客服
  • 微信客服
回到顶部