电脑桌面
添加蜗牛文库到电脑桌面
安装后可以在桌面快捷访问

大型常压储罐漏磁检测及其完整性评价_王学平.pdfVIP免费

大型常压储罐漏磁检测及其完整性评价_王学平.pdf_第1页
大型常压储罐漏磁检测及其完整性评价_王学平.pdf_第2页
大型常压储罐漏磁检测及其完整性评价_王学平.pdf_第3页
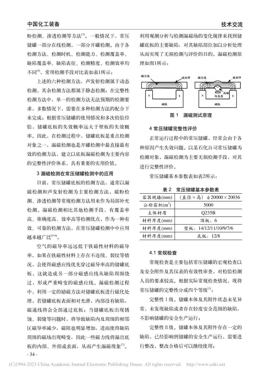
-33-技术交流中国化工装备大型常压储罐漏磁检测及其完整性评价王学平牟龙龙(甘肃省特种设备检验检测研究院,兰州730314)摘要:介绍了常压储罐检测的基本方法,对完整性检测的技术手段做出研究对比,建立以漏磁检测为主要内容的完整性评价体系,通过常规检查、底板漏磁检测、超声波测厚、剩余寿命计算等技术手段,建立常压储罐完整性评价体系,并通过一个实例,对一台常压储罐进行完整性评价,根据完整性评价等级,确定检验周期,科学地判断和评价常压储罐的运行风险和管理风险。关键词:常压储罐完整性漏磁检测1概述常压储罐是石油炼化行业的重要储存设备之一,其内主要储存易燃、易爆、有毒的化工类介质。若一旦发生重大安全事故,将会带来巨大的经济损失和人员伤亡,并产生不良的结果影响[1]。一方面,由于我国法律法规并未强制要求对常压储罐检验检测,实际检验率较低,多数常压储罐在投入使用后未进行过有效检验,存在一定的安全隐患;另一方面,企业为了方便管理,大多数常压储罐的检验周期都是一致的,并未对常压储罐进行有重点、有针对性的维护管理和检验检测。通过对储罐进行完整性评价,可以有效的降低企业管理风险与运行风险,根据综合评价结果,对储罐的风险级别进行划分,风险级别较高的储罐应缩短其检验周期,制定相应的监控措施,对风险级别较低的储罐应将检验周期适当延长,提高在役常压储罐的安全可靠性和经济效益,最终实现储罐的完整性评价[2]。2完整性检测完整性测试作为设备完整性评估的主要组成部分之一,利用各项无损测试手段来判断设备中可能出现的隐患,并以此来作为下一个设备完整性评估的基础;内容主要分为日常与全面的检测状况、储罐在线监测、以及储罐开罐检测等主要方式[3]。日常与全面检查主要通过使用单位的日常保养记录和全面检查表作为评判依据;目前,声发射测试是对常压罐最普遍的在线测试方式,主要涉及对罐护墙板和罐底板的测试,其中罐护墙板主要是热活性较高,而罐底板产生锈蚀和泄露的几率也较高;开罐检测,指的是使用单位在停产的情形下,将常压储罐内部清空,并通过置换、清洗后,进行检测,无损检测方法主要以漏磁检测为主,其余辅助检测项目有真空试漏、磁表1常压储罐常规检测手段对比表检测方法检测时机检测能力检测覆盖率缺陷表征检测精度检测效率漏磁检测开罐罐底板高定量高高声发射检测在线罐底板整体100%定性中高真空试漏开罐底板焊接接头所有焊接接头定性高低超声测厚开罐局部罐底板低定量高...

1、当您付费下载文档后,您只拥有了使用权限,并不意味着购买了版权,文档只能用于自身使用,不得用于其他商业用途(如 [转卖]进行直接盈利或[编辑后售卖]进行间接盈利)。
2、本站所有内容均由合作方或网友上传,本站不对文档的完整性、权威性及其观点立场正确性做任何保证或承诺!文档内容仅供研究参考,付费前请自行鉴别。
3、如文档内容存在违规,或者侵犯商业秘密、侵犯著作权等,请点击“违规举报”。

碎片内容

蜗牛文库的最新文档

二年级数学下册其中检测卷二年级数学下册其中检测卷附答案#期中测试卷.pdf
10.00金币
0下载
二年级数学下册期末质检卷(苏教版)二年级数学下册期末质检卷(苏教版)#期末复习 #期末测试卷 #二年级数学 #二年级数学下册#关注我持续更新小学知识.pdf
10.00金币
0下载
二年级数学下册期末混合运算专项练习二年级数学下册期末混合运算专项练习#二年级#二年级数学下册#关注我持续更新小学知识 #知识分享 #家长收藏孩子受益.pdf
10.00金币
1下载
二年级数学下册年月日三类周期问题解题方法二年级数学下册年月日三类周期问题解题方法#二年级#二年级数学下册#知识分享 #关注我持续更新小学知识 #家长收藏孩子受益.pdf
10.00金币
0下载
二年级数学下册解决问题专项训练二年级数学下册解决问题专项训练#专项训练#解决问题#二年级#二年级数学下册#知识分享.pdf
10.00金币
1下载
二年级数学下册还原问题二年级数学下册还原问题#二年级#二年级数学#关注我持续更新小学知识 #知识分享 #家长收藏孩子受益.pdf
10.00金币
1下载
二年级数学下册第六单元考试卷家长打印出来给孩子测试测试争取拿到高分!#小学二年级试卷分享 #二年级第六单考试数学 #第六单考试#二年级数学下册.pdf
10.00金币
0下载
二年级数学下册必背顺口溜口诀汇总二年级数学下册必背顺口溜口诀汇总#二年级#二年级数学下册 #知识分享 #家长收藏孩子受益 #关注我持续更新小学知识.pdf
10.00金币
0下载
二年级数学下册《重点难点思维题》两大问题解决技巧和方法巧算星期几解决周期问题还原问题强化思维训练老师精心整理家长可以打印出来给孩子练习#家长收藏孩子受益 #学霸秘籍 #思维训练 #二年级 #知识点总结.pdf
10.00金币
0下载
二年级数学下册 必背公式大全寒假提前背一背开学更轻松#二年级 #二年级数学 #二年级数学下册 #寒假充电计划 #公式.pdf
10.00金币
0下载
蜗牛文库+ 关注
实名认证
内容提供者

提供各种专业文档内容

确认删除?
QQ
  • QQ点击这里给我发消息
微信客服
  • 微信客服
回到顶部