电脑桌面
添加蜗牛文库到电脑桌面
安装后可以在桌面快捷访问

GBT 5009.46-1996 乳与乳制品卫生标准的分析方法.pdfVIP免费

GBT 5009.46-1996 乳与乳制品卫生标准的分析方法.pdf_第1页
GBT 5009.46-1996 乳与乳制品卫生标准的分析方法.pdf_第2页
GBT 5009.46-1996 乳与乳制品卫生标准的分析方法.pdf_第3页
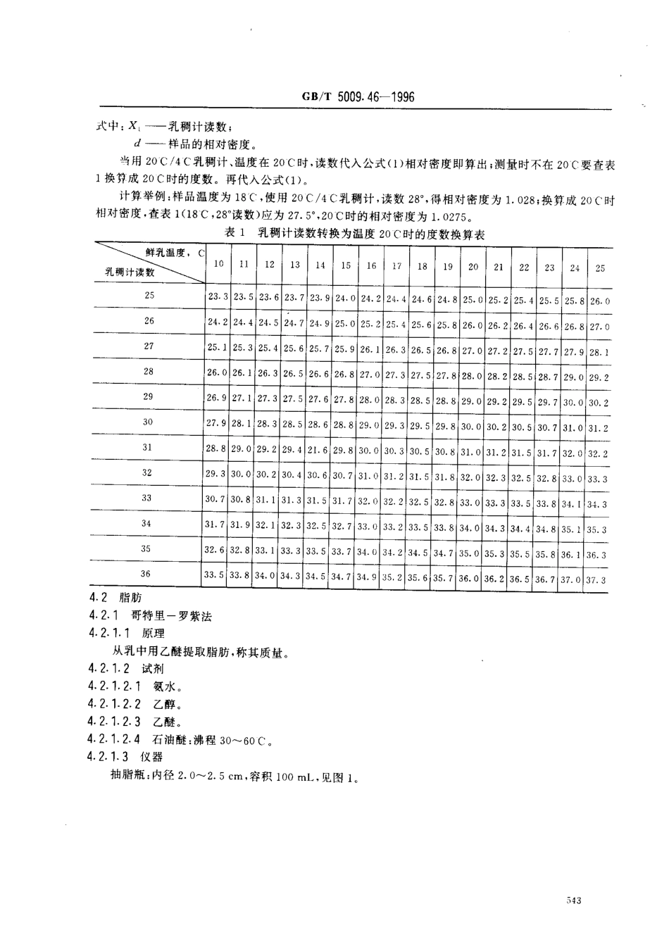
中华人民共和国国家标准乳与乳制品卫生标准的分析方法GB/T5009.46-1996Methodofanalysisofhygienicstandardofmilkandmilkproducts代替GB5009.46--851主题内容与适用范围本标准规定了乳与乳制品中各项卫生指标的分析方法。本标准适用于乳与乳制品中各项卫生指标的分析2弓{用标准GB2746酸牛乳Gig2747全脂无糖炼乳(淡炼乳)G195408消毒牛乳Gh541。全脂乳粉GB5415奶油GB5417全脂加糖炼乳(甜炼乳)GB5421硬质卜酪检验方法第一篇消毒牛乳本瑞适用J“消毒牛乳各项卫生指标的测定3感官检查按〔.B5408中1.3条要求进行检查。4理化检验4.141!对密度4-1.1N器4.1.1.1乳稠计:有20C/4C及15C八5C两种,前者较后者测得的结果低2C,4.1.1.2玻璃圆筒或200^250mL量筒:圆筒高度应大于乳稠计的长度,其直径大小应使在沉入乳稠:卜时使乳稠计周边和圆筒内壁的距离不小于smm4门.2分析步骤取昆匀并调节温度为10^-25C的样品,小心倒入玻璃圆筒内.勿使发生泡沫并测量样品温度。小心将乳稠日沉入样品中到相当刻度300处,然后让其自然浮动,但不能与筒内壁接触。静置2-3min,眼睛对准筒内牛乳液面的ra度,读出乳稠计数值。根据样品的温度和乳稠计读数查表1换算成20C时的度数〕相对密度d与乳稠计刻度关系式如下:XI=(d一1.。。。)X1000,,·················。··。⋯⋯(1)中华人民共和国卫生部1996一06一19批准1996-09-01实施Gs/'r5009:46-1996式中:x上—乳稠计读数;d样品的相对密度。当用20C/4C乳稠计、温度在20C时,读数代入公式(1)相对密度即算出;测量时不在20C要查表1换钟成20C时的度数。再代入公式(1)计算举例:样品温度为18c,使用20C/4C乳稠计,读数280,得相对密度为1.028;换算成20C时相对密度,查表1(180,280读数)应为27.50,20'0时的相对密度为1.0275,表1乳稠计读数转换为温度20C时的度数换算表磊瘾黔c101112131415161718192021222324252523.323.523.623.723.924.024224.424.624.825.025.225.425.525.826.02624.224.424.524.724.925.025.225.425.625.826.026.226.426.626.827.02725.125.325.425.625.725.926.126326.526.827.027.227.527.727.928.12826.026.126.326.526.626.827.027.327.527.828.028.228.528.729.029.22926.927.127.327.527.627.828.028.328.528.829.029.229.529.730.030.23027.928.128.328.528.628.829.029.329.529.830.030.230.530.731.031.23128.829.029.229.421.629.830.030.330.530.831.01,夕31.531.732.03223229.330.030.230.430.630....

1、当您付费下载文档后,您只拥有了使用权限,并不意味着购买了版权,文档只能用于自身使用,不得用于其他商业用途(如 [转卖]进行直接盈利或[编辑后售卖]进行间接盈利)。
2、本站所有内容均由合作方或网友上传,本站不对文档的完整性、权威性及其观点立场正确性做任何保证或承诺!文档内容仅供研究参考,付费前请自行鉴别。
3、如文档内容存在违规,或者侵犯商业秘密、侵犯著作权等,请点击“违规举报”。

碎片内容

蜗牛文库的最新文档

二年级数学下册其中检测卷二年级数学下册其中检测卷附答案#期中测试卷.pdf
10.00金币
0下载
二年级数学下册期末质检卷(苏教版)二年级数学下册期末质检卷(苏教版)#期末复习 #期末测试卷 #二年级数学 #二年级数学下册#关注我持续更新小学知识.pdf
10.00金币
0下载
二年级数学下册期末混合运算专项练习二年级数学下册期末混合运算专项练习#二年级#二年级数学下册#关注我持续更新小学知识 #知识分享 #家长收藏孩子受益.pdf
10.00金币
1下载
二年级数学下册年月日三类周期问题解题方法二年级数学下册年月日三类周期问题解题方法#二年级#二年级数学下册#知识分享 #关注我持续更新小学知识 #家长收藏孩子受益.pdf
10.00金币
0下载
二年级数学下册解决问题专项训练二年级数学下册解决问题专项训练#专项训练#解决问题#二年级#二年级数学下册#知识分享.pdf
10.00金币
1下载
二年级数学下册还原问题二年级数学下册还原问题#二年级#二年级数学#关注我持续更新小学知识 #知识分享 #家长收藏孩子受益.pdf
10.00金币
1下载
二年级数学下册第六单元考试卷家长打印出来给孩子测试测试争取拿到高分!#小学二年级试卷分享 #二年级第六单考试数学 #第六单考试#二年级数学下册.pdf
10.00金币
0下载
二年级数学下册必背顺口溜口诀汇总二年级数学下册必背顺口溜口诀汇总#二年级#二年级数学下册 #知识分享 #家长收藏孩子受益 #关注我持续更新小学知识.pdf
10.00金币
0下载
二年级数学下册《重点难点思维题》两大问题解决技巧和方法巧算星期几解决周期问题还原问题强化思维训练老师精心整理家长可以打印出来给孩子练习#家长收藏孩子受益 #学霸秘籍 #思维训练 #二年级 #知识点总结.pdf
10.00金币
0下载
二年级数学下册 必背公式大全寒假提前背一背开学更轻松#二年级 #二年级数学 #二年级数学下册 #寒假充电计划 #公式.pdf
10.00金币
0下载
蜗牛文库+ 关注
实名认证
内容提供者

提供各种专业文档内容

确认删除?
QQ
  • QQ点击这里给我发消息
微信客服
  • 微信客服
回到顶部