电脑桌面
添加蜗牛文库到电脑桌面
安装后可以在桌面快捷访问

GB 16715.4-1999 瓜菜作物种子 甘蓝类.pdfVIP免费

GB 16715.4-1999 瓜菜作物种子 甘蓝类.pdf_第1页
GB 16715.4-1999 瓜菜作物种子 甘蓝类.pdf_第2页
GB 16715.4-1999 瓜菜作物种子 甘蓝类.pdf_第3页
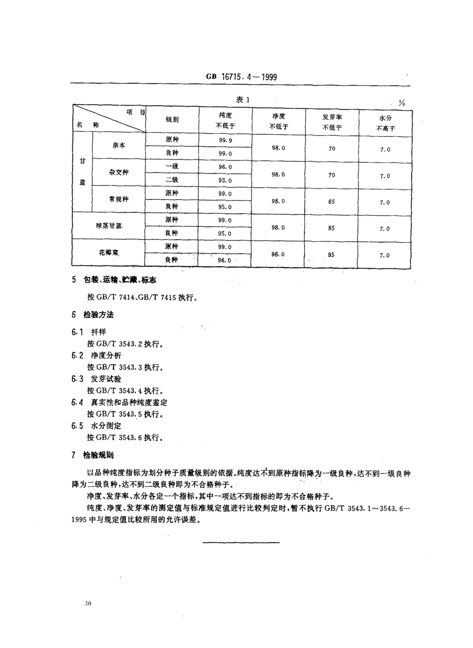
GB16715.4一1999前言为促使优良品种能在农业生产上获得高产、优质的产品,保护农业生产,保障种子生产者、经营者和使用者的利益,促进种子贸易,特制修订甘蓝类蔬菜种子质量标准。本标准在对我国甘蓝类种子质量现状进行广泛调查和大量试验研究的基础上,对GB8079-1987《蔬菜种子》中的甘蓝、花椰菜种子质量标准进行修订。同时制定杂交甘蓝、球茎甘蓝(T,蓝)的种子质量标准。标准项目仍为品种纯度、种子净度、发芽率和水分。本标准中,种子质量级别减少,常规种不分级,四项指标各定一个标准值:纯度、净度、发芽率定最低指标,水分规定最高限度。杂交种以纯度为准分二级,其余三项同常规种。由于检验方法和判定标准的改变,发芽率改为幼苗鉴定法,故修订后的数值降低;净度采用快速法,故修订后的数值提高。水分的标准值变化不大。本标准由中华人民共和国农业部提出。本标准由全国农作物种子标准化技术委员会归口。本标准负责起草单位:全国农业技术推广服务中心、湖南省种子站、天津市种子站、北京市种子站、河北省种子站、农业部北京蔬莱种子质检中心。本标准主要起草人:张淑敏、赵菊英、杨淑惠、何晓艳、袁淑荣、郑晓鹰。本标准委托农业部全国农业技术推广服务中心负责解释。中华人民共和国国家标准瓜菜作物种子甘蓝类GB16715.4一1999代替GB8079-1987Seedsofgourdandvegetable-Colevegetables1范围本标准规定了甘蓝、杂交甘蓝、球茎甘蓝、花椰莱种子的质量要求、检验方法、检验规则。本标准适用于生产和销售的甘蓝类作物种子。2引用标准下列标准所包含的条文,通过在本标准中引用而构成为本标准的条文。本标准出版时,所示版本均为有效。所有标准都会被修订,使用本标准的各方应探讨使用下列标准最新版本的可能性。GB/T3543.1-1995农作物种子检验规程总则GB/T3543.2-1995农作物种子检验规程扦样GB/T3543.3-1995农作物种子检验规程净度分析GB/T3543.4-1995农作物种子检验规程发芽试验GB/T3543.5-1995农作物种子检验规程真实性和品种纯度鉴定GB/T3543.6-1995农作物种子检验规程水分测定GB/T7414-1987主要农作物种子包装GB/T7415-1987主要农作物种子贮藏3定义本标准采用下列定义。3.1原种basicseed用育种家种子繁殖的第一代至第三代或按原种生产技术规程生产的达到原种质量标准的种子。3.2良种qualityseed用常规种原种萦殖的第一代至第三代或杂交种达到良种质量标准的种子.4质f要求甘蓝类作物种子质量措标见表1国家质f技术监督局1999一09一08批准2000一...

1、当您付费下载文档后,您只拥有了使用权限,并不意味着购买了版权,文档只能用于自身使用,不得用于其他商业用途(如 [转卖]进行直接盈利或[编辑后售卖]进行间接盈利)。
2、本站所有内容均由合作方或网友上传,本站不对文档的完整性、权威性及其观点立场正确性做任何保证或承诺!文档内容仅供研究参考,付费前请自行鉴别。
3、如文档内容存在违规,或者侵犯商业秘密、侵犯著作权等,请点击“违规举报”。

碎片内容

蜗牛文库的最新文档

二年级数学下册其中检测卷二年级数学下册其中检测卷附答案#期中测试卷.pdf
10.00金币
0下载
二年级数学下册期末质检卷(苏教版)二年级数学下册期末质检卷(苏教版)#期末复习 #期末测试卷 #二年级数学 #二年级数学下册#关注我持续更新小学知识.pdf
10.00金币
0下载
二年级数学下册期末混合运算专项练习二年级数学下册期末混合运算专项练习#二年级#二年级数学下册#关注我持续更新小学知识 #知识分享 #家长收藏孩子受益.pdf
10.00金币
1下载
二年级数学下册年月日三类周期问题解题方法二年级数学下册年月日三类周期问题解题方法#二年级#二年级数学下册#知识分享 #关注我持续更新小学知识 #家长收藏孩子受益.pdf
10.00金币
0下载
二年级数学下册解决问题专项训练二年级数学下册解决问题专项训练#专项训练#解决问题#二年级#二年级数学下册#知识分享.pdf
10.00金币
1下载
二年级数学下册还原问题二年级数学下册还原问题#二年级#二年级数学#关注我持续更新小学知识 #知识分享 #家长收藏孩子受益.pdf
10.00金币
1下载
二年级数学下册第六单元考试卷家长打印出来给孩子测试测试争取拿到高分!#小学二年级试卷分享 #二年级第六单考试数学 #第六单考试#二年级数学下册.pdf
10.00金币
0下载
二年级数学下册必背顺口溜口诀汇总二年级数学下册必背顺口溜口诀汇总#二年级#二年级数学下册 #知识分享 #家长收藏孩子受益 #关注我持续更新小学知识.pdf
10.00金币
0下载
二年级数学下册《重点难点思维题》两大问题解决技巧和方法巧算星期几解决周期问题还原问题强化思维训练老师精心整理家长可以打印出来给孩子练习#家长收藏孩子受益 #学霸秘籍 #思维训练 #二年级 #知识点总结.pdf
10.00金币
0下载
二年级数学下册 必背公式大全寒假提前背一背开学更轻松#二年级 #二年级数学 #二年级数学下册 #寒假充电计划 #公式.pdf
10.00金币
0下载
蜗牛文库+ 关注
实名认证
内容提供者

提供各种专业文档内容

确认删除?
QQ
  • QQ点击这里给我发消息
微信客服
  • 微信客服
回到顶部