电脑桌面
添加蜗牛文库到电脑桌面
安装后可以在桌面快捷访问

GBT 9856-1988 化学试剂 碳酸钠.pdfVIP免费

GBT 9856-1988 化学试剂 碳酸钠.pdf_第1页
GBT 9856-1988 化学试剂 碳酸钠.pdf_第2页
GBT 9856-1988 化学试剂 碳酸钠.pdf_第3页
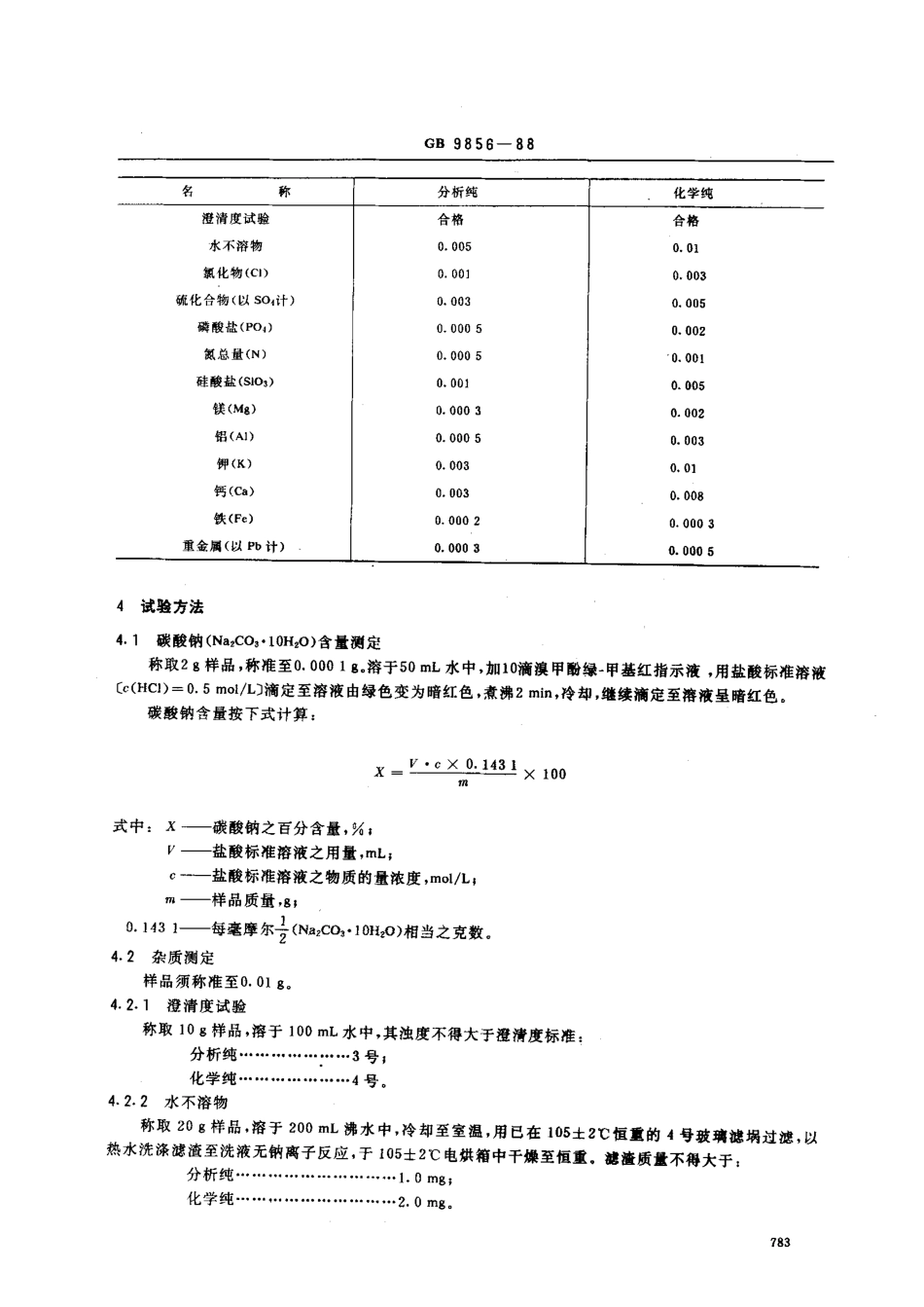
中华人民共和国国家标准化学试剂54.41-6619856一88碳酸钠ChemicalreagentSodiumcarbonatedecahydrate本标准参照采用国际标准ISO6353/2-1983《化学分析试剂—第2部分:规格—第一批》中R31"碳酸钠”。本试剂为无色透明或白色结晶,溶于水。分子式:Na,C03"IOH20分子量:286.14(按1985年国际原子量)1主腼内容与适用范围本标准规定了化学试剂碳酸钠的技术要求、试验方法、检验规则和包装及标志。本标准适用于化学试剂碳酸钠的检验。2引用标准GB601化学试剂滴定分析〔容量分析)用标准溶液的制备GB602化学试剂杂质测定用标准溶液的制备GB603化学试剂试验方法中所用制剂及制品的制备GB619化学试剂采样及验收规则GB6682实验室用水规格GB9723化学试剂火焰原子吸收光谱法通则HG3-119化学试剂包装及标志3技术要求3,1碳酸钠(Na2CO3"1OH20)含量不少于99.0写。3.2杂质最高含量(指标以百分含量计)见下表‘中华人民共和国化学工业部1988一。6一2。批准1989一04一01实施GB9856一88澄清度试验水不溶物氯化物(Cl)硫化合物(以SO;计)磷酸盐(POO氮总量(N)硅酸盐(SI03)镁(Mg)铝(AI)钾(K)钙(Ca)铁(Fe)重金属(以Pb计)ft*it合格0.0050.0010.0030.00050.00050.0010.00030.00050.0030.0030.00020.0003化学纯合格0.010.0030.0050.0020.001::::0.0030.010.0080.00030.00054.1试验方法碳酸钠(NaaCO3"1OH30)含量测定称取2g样品,称准至。.0001g,溶于50mL水中,加10滴澳甲酚绿一甲基红指示液,用盐酸标准溶液CcMCI)=0.5mot/LD滴定至溶液由绿色变为暗红色,煮沸2min,冷却,继续滴定至溶液呈暗红色。碳酸钠含量按下式计算:X_V上生兰生丝丝X100式中:X—碳酸钠之百分含量,%;V—盐酸标准溶液之用量,mL1。—盐酸标准溶液之物质的量浓度,mol/L1,—样品质量,9。0.143,一。摩尔李Na2C03-lOH20)4$'Z3t数。4.2杂质测定样品须称准至0.01g,4.2.1澄清度试验称取log样品,溶于100ml,水中,其浊度不得大于澄清度标准:分析纯“..⋯,⋯化学纯·..⋯⋯4.2.2水不溶物··”⋯3号;·”·“⋯4号。称取20g样品.溶于200mL沸水中,冷却至室温,用已在105士21C恒重的热水洗涤滤渣至洗液无钠离子反应,于105士2℃电烘箱中干燥至恒重。4号玻瑞滤涡过滤,以分析纯化学纯撼渣质量不得大于:........................·。二1.0mg;······...····.····⋯⋯2.0mg。G139856一884.2.3氯化物称取1g样品,溶于10mL水中,用硝酸溶液(25%)中和(必要时过滤),稀释至25mL,加2mL硝酸溶液(25%)及1mL硝酸银溶液(...

1、当您付费下载文档后,您只拥有了使用权限,并不意味着购买了版权,文档只能用于自身使用,不得用于其他商业用途(如 [转卖]进行直接盈利或[编辑后售卖]进行间接盈利)。
2、本站所有内容均由合作方或网友上传,本站不对文档的完整性、权威性及其观点立场正确性做任何保证或承诺!文档内容仅供研究参考,付费前请自行鉴别。
3、如文档内容存在违规,或者侵犯商业秘密、侵犯著作权等,请点击“违规举报”。

碎片内容

蜗牛文库的最新文档

二年级数学下册其中检测卷二年级数学下册其中检测卷附答案#期中测试卷.pdf
10.00金币
0下载
二年级数学下册期末质检卷(苏教版)二年级数学下册期末质检卷(苏教版)#期末复习 #期末测试卷 #二年级数学 #二年级数学下册#关注我持续更新小学知识.pdf
10.00金币
0下载
二年级数学下册期末混合运算专项练习二年级数学下册期末混合运算专项练习#二年级#二年级数学下册#关注我持续更新小学知识 #知识分享 #家长收藏孩子受益.pdf
10.00金币
1下载
二年级数学下册年月日三类周期问题解题方法二年级数学下册年月日三类周期问题解题方法#二年级#二年级数学下册#知识分享 #关注我持续更新小学知识 #家长收藏孩子受益.pdf
10.00金币
0下载
二年级数学下册解决问题专项训练二年级数学下册解决问题专项训练#专项训练#解决问题#二年级#二年级数学下册#知识分享.pdf
10.00金币
1下载
二年级数学下册还原问题二年级数学下册还原问题#二年级#二年级数学#关注我持续更新小学知识 #知识分享 #家长收藏孩子受益.pdf
10.00金币
1下载
二年级数学下册第六单元考试卷家长打印出来给孩子测试测试争取拿到高分!#小学二年级试卷分享 #二年级第六单考试数学 #第六单考试#二年级数学下册.pdf
10.00金币
0下载
二年级数学下册必背顺口溜口诀汇总二年级数学下册必背顺口溜口诀汇总#二年级#二年级数学下册 #知识分享 #家长收藏孩子受益 #关注我持续更新小学知识.pdf
10.00金币
0下载
二年级数学下册《重点难点思维题》两大问题解决技巧和方法巧算星期几解决周期问题还原问题强化思维训练老师精心整理家长可以打印出来给孩子练习#家长收藏孩子受益 #学霸秘籍 #思维训练 #二年级 #知识点总结.pdf
10.00金币
0下载
二年级数学下册 必背公式大全寒假提前背一背开学更轻松#二年级 #二年级数学 #二年级数学下册 #寒假充电计划 #公式.pdf
10.00金币
0下载
蜗牛文库+ 关注
实名认证
内容提供者

提供各种专业文档内容

确认删除?
QQ
  • QQ点击这里给我发消息
微信客服
  • 微信客服
回到顶部