电脑桌面
添加蜗牛文库到电脑桌面
安装后可以在桌面快捷访问

GBT 20098-2006 低温环境作业保护靴通用技术要求.pdfVIP免费

GBT 20098-2006 低温环境作业保护靴通用技术要求.pdf_第1页
GBT 20098-2006 低温环境作业保护靴通用技术要求.pdf_第2页
GBT 20098-2006 低温环境作业保护靴通用技术要求.pdf_第3页
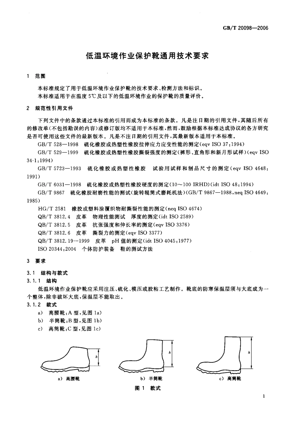
ICS13.340.50C73巧黔中华人民共和国国家标准GB/T20098-2006低温环境作业保护靴通用技术要求Generaltechnicalrequirementsforprotectivebootuseatlowtemperatureworkplace(ISO2252:1983Rubberfootwear,linedindustrial,foruseatlowtemperatures,NEQ)2006-01一12发布2006-09-01实施中华人民共和国国家质量监督检验检疫总局中国国家标准化管理委员会发布GB/T20098-2006月U舌本标准参考了ISO2252:1983《有衬里低温用工业橡胶鞋类)(英文版),ISO20344:2004《个体防护装备鞋的测试方法})(英文版)和ISO20345:2004《个体防护装备安全鞋》(英文版)。本标准中的外底和靴后跟硬度及靴帮柔软性的技术要求与ISO2252:1983完全一致。本标准的附录A是规范性附录。本标准由国家安全生产监督管理总局提出。本标准由全国个体防护装备标准化技术委员会归口。本标准起草单位:武汉安全环保研究院、重庆沙坪坝皮鞋厂有限公司。本部分主要起草人:佘启元、刘宏斌、张元虎、程钧、黎钦华、唐正鹏。GB/T20098-2006低温环境作业保护靴通用技术要求范围本标准规定了用于低温环境作业保护靴的技术要求、检测方法和标识。本标准适用于在温度5℃及以下的低温环境作业的保护靴的质量评价。规范性引用文件下列文件中的条款通过本标准的引用而成为本标准的条款。凡是注日期的引用文件,其随后所有的修改单(不包括勘误的内容)或修订版均不适用于本标准,然而,鼓励根据本标准达成协议的各方研究是否可使用这些文件的最新版本。凡是不注日期的引用文件,其最新版本适用于本标准。GB/T528-1998硫化橡胶或热塑性橡胶拉伸应力应变性能的测定(eqvISO37:1994)GB/T529-1999硫化橡胶或热塑性橡胶撕裂强度的测定(裤形、直角形和新月形试样)(eqvISC34-1:1994)GB/T5723-1993硫化橡胶或热塑性橡胶试验用试样和制品尺寸的测定(eqvISO4648:1991)GB/T6031-1998硫化橡胶或热塑性橡胶硬度的测定(10^-100IRHD)(idtISO48:1994)GB/T9867硫化橡胶耐磨性能的测试(旋转辊筒式磨耗机法)(GB/T9867-1988,neqISO4649:1985)HG/T2581橡胶或塑料涂覆织物耐撕裂性能的测定(neqISO4674)QB/T3812.4皮革物理性能测试厚度的测定(idtISO2589)QB/T3812.5皮革抗张强度和伸长率的测定(eqvISO3376)QB/T3812.6皮革撕裂力的测定(eqvISO3377)QB/T3812.19-1999皮革pH值的测定(idtISO4045:1977)ISO20344:2004个体防护装备鞋的测试方法要求3.1结构与款式3.1.1结构低温环境作业保护靴应采用注压、硫化、模压或胶粘工艺制作。靴底的防寒保...

1、当您付费下载文档后,您只拥有了使用权限,并不意味着购买了版权,文档只能用于自身使用,不得用于其他商业用途(如 [转卖]进行直接盈利或[编辑后售卖]进行间接盈利)。
2、本站所有内容均由合作方或网友上传,本站不对文档的完整性、权威性及其观点立场正确性做任何保证或承诺!文档内容仅供研究参考,付费前请自行鉴别。
3、如文档内容存在违规,或者侵犯商业秘密、侵犯著作权等,请点击“违规举报”。

碎片内容

蜗牛文库的最新文档

二年级数学下册其中检测卷二年级数学下册其中检测卷附答案#期中测试卷.pdf
10.00金币
0下载
二年级数学下册期末质检卷(苏教版)二年级数学下册期末质检卷(苏教版)#期末复习 #期末测试卷 #二年级数学 #二年级数学下册#关注我持续更新小学知识.pdf
10.00金币
0下载
二年级数学下册期末混合运算专项练习二年级数学下册期末混合运算专项练习#二年级#二年级数学下册#关注我持续更新小学知识 #知识分享 #家长收藏孩子受益.pdf
10.00金币
1下载
二年级数学下册年月日三类周期问题解题方法二年级数学下册年月日三类周期问题解题方法#二年级#二年级数学下册#知识分享 #关注我持续更新小学知识 #家长收藏孩子受益.pdf
10.00金币
0下载
二年级数学下册解决问题专项训练二年级数学下册解决问题专项训练#专项训练#解决问题#二年级#二年级数学下册#知识分享.pdf
10.00金币
1下载
二年级数学下册还原问题二年级数学下册还原问题#二年级#二年级数学#关注我持续更新小学知识 #知识分享 #家长收藏孩子受益.pdf
10.00金币
1下载
二年级数学下册第六单元考试卷家长打印出来给孩子测试测试争取拿到高分!#小学二年级试卷分享 #二年级第六单考试数学 #第六单考试#二年级数学下册.pdf
10.00金币
0下载
二年级数学下册必背顺口溜口诀汇总二年级数学下册必背顺口溜口诀汇总#二年级#二年级数学下册 #知识分享 #家长收藏孩子受益 #关注我持续更新小学知识.pdf
10.00金币
0下载
二年级数学下册《重点难点思维题》两大问题解决技巧和方法巧算星期几解决周期问题还原问题强化思维训练老师精心整理家长可以打印出来给孩子练习#家长收藏孩子受益 #学霸秘籍 #思维训练 #二年级 #知识点总结.pdf
10.00金币
0下载
二年级数学下册 必背公式大全寒假提前背一背开学更轻松#二年级 #二年级数学 #二年级数学下册 #寒假充电计划 #公式.pdf
10.00金币
0下载
蜗牛文库+ 关注
实名认证
内容提供者

提供各种专业文档内容

确认删除?
QQ
  • QQ点击这里给我发消息
微信客服
  • 微信客服
回到顶部