电脑桌面
添加蜗牛文库到电脑桌面
安装后可以在桌面快捷访问

GBT 15267-1994 食品包装用聚氯乙烯硬片、膜.pdfVIP免费

GBT 15267-1994 食品包装用聚氯乙烯硬片、膜.pdf_第1页
GBT 15267-1994 食品包装用聚氯乙烯硬片、膜.pdf_第2页
GBT 15267-1994 食品包装用聚氯乙烯硬片、膜.pdf_第3页
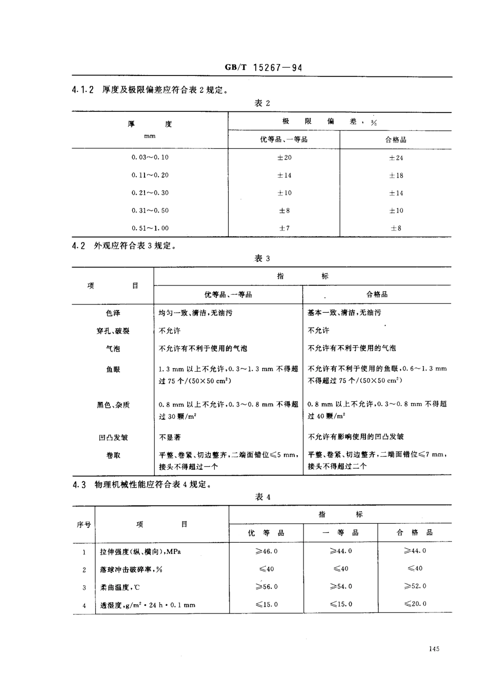
中华人民共和国国家标准GB/T15267一94食品包装用聚氯乙烯硬片、膜Rigidpolyvinylchloridesheetandfilmforfoodstuffpacking1主题内容与适用范围本标准规定了食品包装用聚氯乙烯硬片、膜(以下简称片、膜)的技术要求、试验方法、检验规则及标志、包装、运输、贮存。本标准适用于以卫生级聚氯乙烯树脂为主要原料,添加符合卫生要求的各种助剂,用压延或挤出法制得的片、膜。2引用标准GB1037塑料薄膜和片材透水蒸气性试验方法杯式法GB2410透明塑料透光率和雾度试验方法GB2828逐批检查计数抽样程序及抽样表(适用于连续批的检查)GB2918塑料试样状态调节和试验的标准环境GB5009.60食品包装用聚乙烯、聚苯乙烯、聚丙烯成型品卫生标准的分析方法GB5009.67食品包装用聚氯乙烯成型品卫生标准的分析方法GB6672塑料薄膜和薄片厚度的测定机械测量法GB6673塑料薄膜与片材长度和宽度的测定GB9681食品包装用聚氯乙烯成型品卫生标准GB13022塑料薄膜拉伸性能试验方法GB/T15043塑料扭转刚性试验方法3产品分类按透明度分:透明片、膜,非透明片、膜。4技术要求4.1规格4.1-1宽度及极限偏差应符合表1规定。表1宽度极限偏差优等品、一等品合格品<700)700士2士3+4一2士5国家技术监督局1994门1一16批准1995一04一0,实施GB/T15267一944.1.2厚度及极限偏差应符合表2规定。厚表2优等品极、一等品合格品0.03-0.10士20+240.110.20士14+180.21^-0.300.31^-0.500.51-1.004.2外观应符合表3规定。表3项目指标优等品、一等品合格品色泽穿孔、破裂气泡鱼眼黑色、杂质凹凸发皱卷取均匀一致、清洁,无油污不允许不允许有不利于使用的气泡1.3mm以上不允许,。3^1.3mm不得超过75个/(50X50-')0.8m-以上不允许,0.3-0.8mm不得超过30颗/m舍不显著平整、卷紧、切边整齐,二端面错位簇5mm,接头不得超过一个基本一致、清洁,无油污不允许不允许有不利于使用的气泡不允许有不利于使用的鱼眼,0.6^-1.3mm不得超过75个/(50X50cm')0.8mm以上不允许,0.3-0.8mm不得超过40颖/m'不允许有影响使用的凹凸发皱平整、卷紧、切边整齐,二端面错位簇7mm,接头不得超过二个4.3物理机械性能应符合表4规定。表4序号项目指标优等品一等品合格品1234拉伸强度(纵、横向),MPa落球冲击破碎率,%柔曲温度,℃透湿度,g/m·24h·0.1mm)46.0(40>56.0《15.0>44.0(40)54.0镇15.0)44.0墓40妻52.0镇20.0145GB/T15267一94续表4序号项目指标优等品一等品合格品5透光率%厚度,mm妻88.0妻87.0)86.0)85.0)87.0)86.0)85.0)84.0)86.0)85.0...

1、当您付费下载文档后,您只拥有了使用权限,并不意味着购买了版权,文档只能用于自身使用,不得用于其他商业用途(如 [转卖]进行直接盈利或[编辑后售卖]进行间接盈利)。
2、本站所有内容均由合作方或网友上传,本站不对文档的完整性、权威性及其观点立场正确性做任何保证或承诺!文档内容仅供研究参考,付费前请自行鉴别。
3、如文档内容存在违规,或者侵犯商业秘密、侵犯著作权等,请点击“违规举报”。

碎片内容

蜗牛文库的最新文档

二年级数学下册其中检测卷二年级数学下册其中检测卷附答案#期中测试卷.pdf
10.00金币
0下载
二年级数学下册期末质检卷(苏教版)二年级数学下册期末质检卷(苏教版)#期末复习 #期末测试卷 #二年级数学 #二年级数学下册#关注我持续更新小学知识.pdf
10.00金币
0下载
二年级数学下册期末混合运算专项练习二年级数学下册期末混合运算专项练习#二年级#二年级数学下册#关注我持续更新小学知识 #知识分享 #家长收藏孩子受益.pdf
10.00金币
1下载
二年级数学下册年月日三类周期问题解题方法二年级数学下册年月日三类周期问题解题方法#二年级#二年级数学下册#知识分享 #关注我持续更新小学知识 #家长收藏孩子受益.pdf
10.00金币
0下载
二年级数学下册解决问题专项训练二年级数学下册解决问题专项训练#专项训练#解决问题#二年级#二年级数学下册#知识分享.pdf
10.00金币
1下载
二年级数学下册还原问题二年级数学下册还原问题#二年级#二年级数学#关注我持续更新小学知识 #知识分享 #家长收藏孩子受益.pdf
10.00金币
1下载
二年级数学下册第六单元考试卷家长打印出来给孩子测试测试争取拿到高分!#小学二年级试卷分享 #二年级第六单考试数学 #第六单考试#二年级数学下册.pdf
10.00金币
0下载
二年级数学下册必背顺口溜口诀汇总二年级数学下册必背顺口溜口诀汇总#二年级#二年级数学下册 #知识分享 #家长收藏孩子受益 #关注我持续更新小学知识.pdf
10.00金币
0下载
二年级数学下册《重点难点思维题》两大问题解决技巧和方法巧算星期几解决周期问题还原问题强化思维训练老师精心整理家长可以打印出来给孩子练习#家长收藏孩子受益 #学霸秘籍 #思维训练 #二年级 #知识点总结.pdf
10.00金币
0下载
二年级数学下册 必背公式大全寒假提前背一背开学更轻松#二年级 #二年级数学 #二年级数学下册 #寒假充电计划 #公式.pdf
10.00金币
0下载
蜗牛文库+ 关注
实名认证
内容提供者

提供各种专业文档内容

确认删除?
QQ
  • QQ点击这里给我发消息
微信客服
  • 微信客服
回到顶部