电脑桌面
添加蜗牛文库到电脑桌面
安装后可以在桌面快捷访问

GB 6941-1986 人参种子.pdfVIP免费

GB 6941-1986 人参种子.pdf_第1页
GB 6941-1986 人参种子.pdf_第2页
GB 6941-1986 人参种子.pdf_第3页
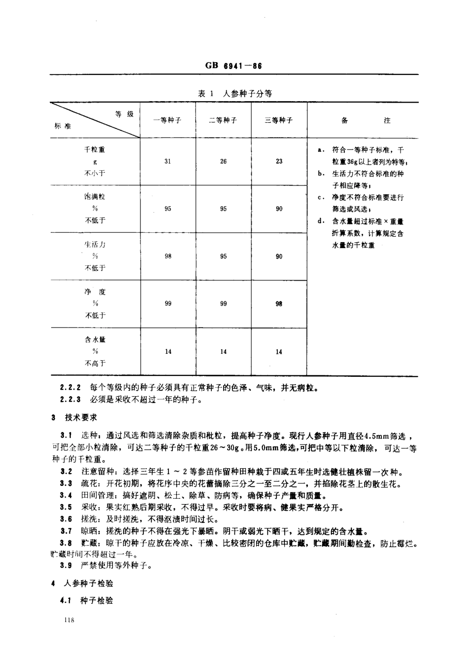
中华人民共和国国家标准UDC939朋人参种子GB6941-86Ginsengseed适用于参业生产、科研和经营中对人参种子分级、1名词术语分等和检验。1.1种子大小:指果核大小,用长、宽、厚度表示。1.1.1种子长度“):纵量果核为长,以毫米(mm)表示。1.1.2种子宽度(6):横量果核为宽,以毫米(mm)表示。1.1.3种子厚度(t):扁量果核为厚,以毫米(mm)表示。1.2千粒重:1000粒种子重量,以克(9)表示。1.3种子分级:按种子大小分成五级。1.3.1.3.1.3.1.3.1.3.1.41.51.61.71.81.91特大粒:指用筛孔直径5.5mm筛选的筛上粒。2大粒:经孔径5.。一5.5mm选出的种子。中等粒:经孔径4.5.5.Omm选出的种子。小粒:经孔径4.1一4.5mm选出的种子。等外粒:经孔径4.1mm筛选的筛下粒。成熟度:种胚呈梨形或锁形的视为成熟种子。以其占测定粒数的百分数表示。饱满度:胚乳充满果核的种子占测定粒数的百分数。生活力:指种子的生活能力,用百分数表示。杂质:指种子内夹杂的土粒、砂粒、石块、果柄、碎果核等。色泽:指种子表面的色泽,正常种子的表面(果核)为黄白或灰白色。健粒:无病虫害,具有生活力的种子。废拉:指批粒、碎校、病粒等。净度:完整的人参种子占样品重量的百分率。扦样:贮藏的种子用扦样器取样,称为扦样。小样:用扦样器或徒手每次取出的少量样品,称为小样。原始样品:从一个检样单位扦取的所有小样混在一起,就是这个检样单位的原始样品。平均样品:原始样品充分混合,均匀的分出作检验用的样品,称为平均样品。容重:单位体积(1L)种子重量。.石口,n臼‘..,‘.U‘月仲口..d..心..口..月...........…….........‘.....J.....2人参种子分级标准2.2暂确定为一等、二等、三等三个等级。分等2.2.1以人参种子千粒重、饱满度、种子净度(或废粒和杂质含量)、种子生活力、种子含水量等为依据进行分等(见表1)。国家标准局1986-10-04发布1987-05-01实施GB6941-86表I人参种子分等I一等种子二等种子三等种子备注千粒重K不小于312623a.符合一等种子标准,千拉重36g以上者列为特等。b.生活力不符合标准的种子相应降等;c.净度不符合标准要进行筛选或风选.d.含水a超过标准又重里折算系数,计算规定含水a的千拉重饱满粒%不低于959590生活力%不低于989590净度%不低于999998含水量%不高于141414:一:一;每个等级内的种子必须具有正常种子的色泽、气味,并无病拉。必须是采收不超过一年的种子。3技术要求3.1选种:通过风选和筛选清除杂质和批粒,提高种子净度。现行人参种子用直径4.5mm筛选,可把全部小粒清除...

1、当您付费下载文档后,您只拥有了使用权限,并不意味着购买了版权,文档只能用于自身使用,不得用于其他商业用途(如 [转卖]进行直接盈利或[编辑后售卖]进行间接盈利)。
2、本站所有内容均由合作方或网友上传,本站不对文档的完整性、权威性及其观点立场正确性做任何保证或承诺!文档内容仅供研究参考,付费前请自行鉴别。
3、如文档内容存在违规,或者侵犯商业秘密、侵犯著作权等,请点击“违规举报”。

碎片内容

蜗牛文库的最新文档

二年级数学下册其中检测卷二年级数学下册其中检测卷附答案#期中测试卷.pdf
10.00金币
0下载
二年级数学下册期末质检卷(苏教版)二年级数学下册期末质检卷(苏教版)#期末复习 #期末测试卷 #二年级数学 #二年级数学下册#关注我持续更新小学知识.pdf
10.00金币
0下载
二年级数学下册期末混合运算专项练习二年级数学下册期末混合运算专项练习#二年级#二年级数学下册#关注我持续更新小学知识 #知识分享 #家长收藏孩子受益.pdf
10.00金币
1下载
二年级数学下册年月日三类周期问题解题方法二年级数学下册年月日三类周期问题解题方法#二年级#二年级数学下册#知识分享 #关注我持续更新小学知识 #家长收藏孩子受益.pdf
10.00金币
0下载
二年级数学下册解决问题专项训练二年级数学下册解决问题专项训练#专项训练#解决问题#二年级#二年级数学下册#知识分享.pdf
10.00金币
1下载
二年级数学下册还原问题二年级数学下册还原问题#二年级#二年级数学#关注我持续更新小学知识 #知识分享 #家长收藏孩子受益.pdf
10.00金币
1下载
二年级数学下册第六单元考试卷家长打印出来给孩子测试测试争取拿到高分!#小学二年级试卷分享 #二年级第六单考试数学 #第六单考试#二年级数学下册.pdf
10.00金币
0下载
二年级数学下册必背顺口溜口诀汇总二年级数学下册必背顺口溜口诀汇总#二年级#二年级数学下册 #知识分享 #家长收藏孩子受益 #关注我持续更新小学知识.pdf
10.00金币
0下载
二年级数学下册《重点难点思维题》两大问题解决技巧和方法巧算星期几解决周期问题还原问题强化思维训练老师精心整理家长可以打印出来给孩子练习#家长收藏孩子受益 #学霸秘籍 #思维训练 #二年级 #知识点总结.pdf
10.00金币
0下载
二年级数学下册 必背公式大全寒假提前背一背开学更轻松#二年级 #二年级数学 #二年级数学下册 #寒假充电计划 #公式.pdf
10.00金币
0下载
蜗牛文库+ 关注
实名认证
内容提供者

提供各种专业文档内容

确认删除?
QQ
  • QQ点击这里给我发消息
微信客服
  • 微信客服
回到顶部