电脑桌面
添加蜗牛文库到电脑桌面
安装后可以在桌面快捷访问

GBT 17824.4-1999 中、小型集约化养猪场环境参数及环境管理.pdfVIP免费

GBT 17824.4-1999 中、小型集约化养猪场环境参数及环境管理.pdf_第1页
GBT 17824.4-1999 中、小型集约化养猪场环境参数及环境管理.pdf_第2页
GBT 17824.4-1999 中、小型集约化养猪场环境参数及环境管理.pdf_第3页
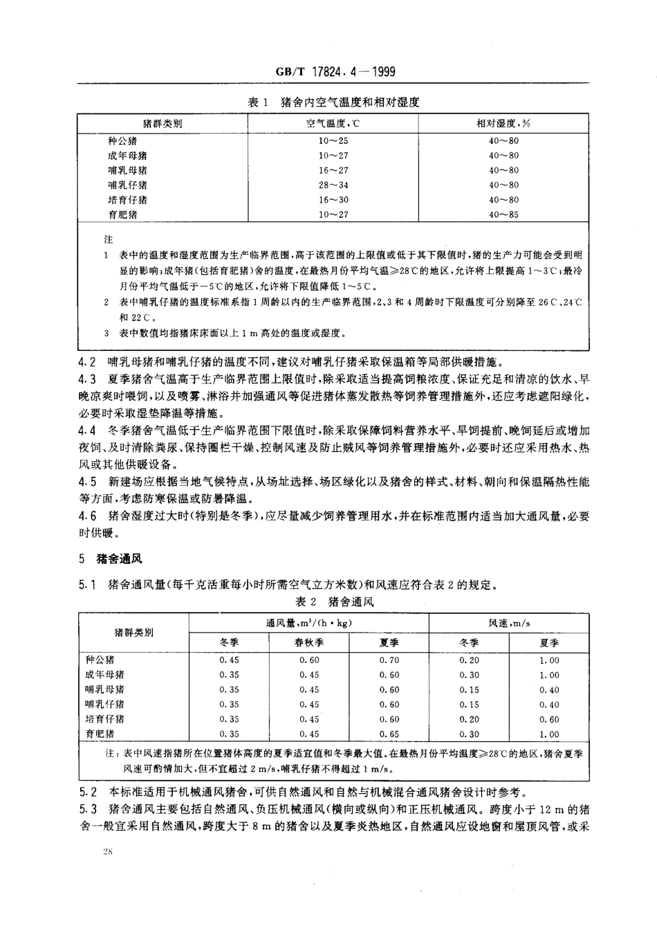
GB/T17824.4-1999前言随着我国集约化养猪的迅速发展,猪场及周围环境恶化问题日显突出。为保障人畜健康,防止环境污染,本标准根据我国国情规定了猪场和猪舍环境卫生标准及环境管理要求,可作为已建猪场进行环境评价、改善环境管理措施及新建猪场规划设计的依据。本要点是中、小型集约化养猪场综合技术标准之一。中、小型集约化养猪综合技术标准中的“猪场建设”、“猪场设备”和“猪场兽医防疫工作规程”是本标准实施的保证。本标准由中华人民共和国农业部提出。本标准由农业部归口。本标准起草单位:北京市农林科学院畜牧兽医研究所、中国农业大学动物科学技术学院、中国农业大学动物医学院、农业部规划设计研究院、北京市农业机械研究所。本标准起草人:王新谋、吴中红。中华人民共和国国家标准中、小型集约化养猪场环境参数及环境管理GB/T17824.4一1999Environmentalparametersandenvironmentalmanagementinmiddleandsmallintensivepigfarms范围本标准规定了中、小型集约化养猪场环境参数及环境管理要点。本标准适用于我国不同地区、不同性质的中、小型集约化养猪场,亦可供大型集约化养猪场参照执行。2引用下列标准所包含的条文,通过在本标准中引甩而构成为本标准的条文。本标准出版时,所示版本均为有效。所有标准都会被修订,使用本标准的各方应探讨使用下列标准最新版本的可能性。GB5749-1985生活饮用水卫生标准GB8978-1996污水综合排放标准GB5084-1992农田灌溉水质标准GB11607-1989渔业水质标准GB7959-1987粪便无害化卫生标准GB/T17824.1-1999中、小型集约化养猪场建设3定义本标准采用下列定义。3.1[M体悬浮物(SS)水中不溶解的固体物质。3.2化学耗氧量(CODS)用化学氧化剂氧化水中有机物时消耗的氧化剂折算为氧的量(mg/L)。我国规定用重铬酸钾作化学氧化剂。3.3生化需氧量(BOD5)水中微生物分解有机物时消耗的氧的数量(mg/L),4猪舍空气温度和相对湿度4.1猪舍内空气温度和相对湿度应符合表1的规定。国家质f技术监奋局1999一08一11批准2000一02一01实施Gs/T17824.4一1999表1猪舍内空气温度和相对湿度猪群类别种公猪成年母猪哺乳母猪哺乳仔猪培育仔猪育肥猪空气温度,℃102510-2716-2728-3416-3010--27相对湿度,X40^8040--8040-8040-8040-8040-85表中的温度和湿度范围为生产临界范围,高于该范围的上限值或低于其下限值时,猪的生产力可能会受到明显的影响,成年猪〔包括育肥猪)舍的温度,在最热月份平均气温)28℃的地区.允许将上限提高1-3'C;...

1、当您付费下载文档后,您只拥有了使用权限,并不意味着购买了版权,文档只能用于自身使用,不得用于其他商业用途(如 [转卖]进行直接盈利或[编辑后售卖]进行间接盈利)。
2、本站所有内容均由合作方或网友上传,本站不对文档的完整性、权威性及其观点立场正确性做任何保证或承诺!文档内容仅供研究参考,付费前请自行鉴别。
3、如文档内容存在违规,或者侵犯商业秘密、侵犯著作权等,请点击“违规举报”。

碎片内容

蜗牛文库的最新文档

二年级数学下册其中检测卷二年级数学下册其中检测卷附答案#期中测试卷.pdf
10.00金币
0下载
二年级数学下册期末质检卷(苏教版)二年级数学下册期末质检卷(苏教版)#期末复习 #期末测试卷 #二年级数学 #二年级数学下册#关注我持续更新小学知识.pdf
10.00金币
0下载
二年级数学下册期末混合运算专项练习二年级数学下册期末混合运算专项练习#二年级#二年级数学下册#关注我持续更新小学知识 #知识分享 #家长收藏孩子受益.pdf
10.00金币
1下载
二年级数学下册年月日三类周期问题解题方法二年级数学下册年月日三类周期问题解题方法#二年级#二年级数学下册#知识分享 #关注我持续更新小学知识 #家长收藏孩子受益.pdf
10.00金币
0下载
二年级数学下册解决问题专项训练二年级数学下册解决问题专项训练#专项训练#解决问题#二年级#二年级数学下册#知识分享.pdf
10.00金币
1下载
二年级数学下册还原问题二年级数学下册还原问题#二年级#二年级数学#关注我持续更新小学知识 #知识分享 #家长收藏孩子受益.pdf
10.00金币
1下载
二年级数学下册第六单元考试卷家长打印出来给孩子测试测试争取拿到高分!#小学二年级试卷分享 #二年级第六单考试数学 #第六单考试#二年级数学下册.pdf
10.00金币
0下载
二年级数学下册必背顺口溜口诀汇总二年级数学下册必背顺口溜口诀汇总#二年级#二年级数学下册 #知识分享 #家长收藏孩子受益 #关注我持续更新小学知识.pdf
10.00金币
0下载
二年级数学下册《重点难点思维题》两大问题解决技巧和方法巧算星期几解决周期问题还原问题强化思维训练老师精心整理家长可以打印出来给孩子练习#家长收藏孩子受益 #学霸秘籍 #思维训练 #二年级 #知识点总结.pdf
10.00金币
0下载
二年级数学下册 必背公式大全寒假提前背一背开学更轻松#二年级 #二年级数学 #二年级数学下册 #寒假充电计划 #公式.pdf
10.00金币
0下载
蜗牛文库+ 关注
实名认证
内容提供者

提供各种专业文档内容

确认删除?
QQ
  • QQ点击这里给我发消息
微信客服
  • 微信客服
回到顶部