电脑桌面
添加蜗牛文库到电脑桌面
安装后可以在桌面快捷访问

GB 10465-1989 辣椒干.pdfVIP免费

GB 10465-1989 辣椒干.pdf_第1页
GB 10465-1989 辣椒干.pdf_第2页
GB 10465-1989 辣椒干.pdf_第3页
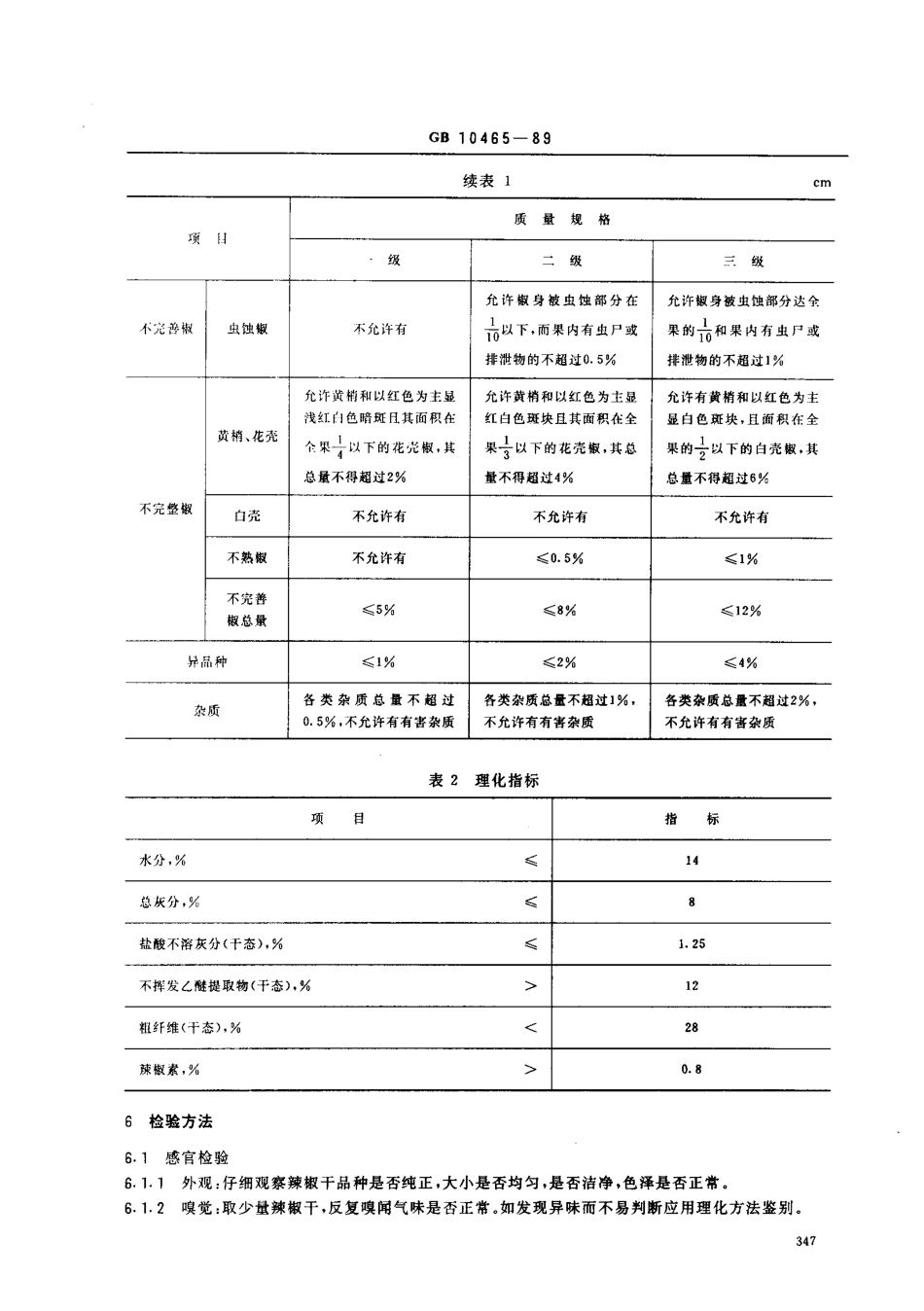
中华人民共和国国家标准辣椒干GB10465一89Driedhotpepper本标准参照采用国际标准ISO/R972-1969《香料和调味品整辣椒规格》。1主题内容和适用范围本标准规定了辣椒干的技术要求、取样和检验方法、包装、贮存、运输条件。本标准适用于各类辣椒干质量评定和检验。2引用标准GB7718食品标签通用标准GB8858水果、蔬菜产品中干物质和水分含量的测定方法GB8857水果、蔬菜产品总灰分的测定方法GB10473水果和蔬菜产品中盐酸不溶性灰分的测定方法GB10469水果、蔬菜产品粗纤维的测定方法3术语3.1身干散籽:指成熟辣椒干制后种籽呈深黄色,并与胎座自然脱离,摇动有响声。3.2气味:指辣椒干特有的刺鼻辣味,会引起打喷嚏,但不是令人不愉快的气味。3.3滋味:指辣椒干正常的带刺激性的辛辣味。3.4异味:指辣椒干本身的气味以外的不正常的气味和滋味。3.5外观:指辣椒干的形状、色泽、均匀度及洁净度。3.5.1形状:指本品种固有的正常形状。3.5.2色泽:指本品种干制后正常的颜色和光泽。3.5.3均匀度:指辣椒千的形状、色泽、椒身长、宽均匀整齐的程度。3.5.4洁净度:指辣椒干椒身外表的斑痕或附着的尘土等污物对外观影响的程度。3.6不完善椒:指失去一部分使用价值和椒体不全的辣椒干。包括:黑斑椒、黄梢、花壳椒、不熟椒、断裂椒、虫蛀椒等3.6.1黑斑椒:指辣椒受病虫危害后,呈现的黑斑、黑点。3.6.2黄梢、花壳、白壳:辣椒干的顶部红色消减呈干燥的黄色或淡黄色谓之黄梢,椒体以红色为主,但部分红色减退显黄色白色的间杂斑块谓之花壳,椒体红色消退,呈燥状的黄白色,肉质消失而呈轻飘的薄片谓之白壳,白壳椒已无商品价值。3.6.3不成熟椒:指辣椒成熟度不够干制后的辣椒干,其体形瘦小、明显瘪缩,色泽暗淡或呈暗绿色者。3.6.4断裂椒:断损而未变质的辣椒干。3.6.5虫蛀椒:指椒体被虫啃食、蛀蚀和内部附有虫尸或其污染物。3.了霉斑椒:指辣椒表面或内部有霉迹者。中华人民共和国商业部1989一03一09批准1989一10一O1实施GB10465一893.8霉变椒:指辣椒干生霉而导致变质的辣椒干。3.9异品种椒:指不属于本品种或形状与本品种有显著差异的辣椒干3.10杂质:凡辣椒干本身以外的一切物品均属杂质。3.11长度:指辣椒干身长—从果顶至基部的距离,以厘米表示。3.12宽度:指辣椒椒身最宽横断面处的量度,以厘米表示。4辣椒干的分类辣椒干以其长度,椒壳的平皱情况,加工规格进行分类。41按体形长度分为:小辣椒:3^-6cm;中辣椒:6-9cm;大辣椒:>9cm,4.2按椒壳平皱分为:平板椒;皱椒。4.3按加工规格分...

1、当您付费下载文档后,您只拥有了使用权限,并不意味着购买了版权,文档只能用于自身使用,不得用于其他商业用途(如 [转卖]进行直接盈利或[编辑后售卖]进行间接盈利)。
2、本站所有内容均由合作方或网友上传,本站不对文档的完整性、权威性及其观点立场正确性做任何保证或承诺!文档内容仅供研究参考,付费前请自行鉴别。
3、如文档内容存在违规,或者侵犯商业秘密、侵犯著作权等,请点击“违规举报”。

碎片内容

蜗牛文库的最新文档

二年级数学下册其中检测卷二年级数学下册其中检测卷附答案#期中测试卷.pdf
10.00金币
0下载
二年级数学下册期末质检卷(苏教版)二年级数学下册期末质检卷(苏教版)#期末复习 #期末测试卷 #二年级数学 #二年级数学下册#关注我持续更新小学知识.pdf
10.00金币
0下载
二年级数学下册期末混合运算专项练习二年级数学下册期末混合运算专项练习#二年级#二年级数学下册#关注我持续更新小学知识 #知识分享 #家长收藏孩子受益.pdf
10.00金币
1下载
二年级数学下册年月日三类周期问题解题方法二年级数学下册年月日三类周期问题解题方法#二年级#二年级数学下册#知识分享 #关注我持续更新小学知识 #家长收藏孩子受益.pdf
10.00金币
0下载
二年级数学下册解决问题专项训练二年级数学下册解决问题专项训练#专项训练#解决问题#二年级#二年级数学下册#知识分享.pdf
10.00金币
1下载
二年级数学下册还原问题二年级数学下册还原问题#二年级#二年级数学#关注我持续更新小学知识 #知识分享 #家长收藏孩子受益.pdf
10.00金币
1下载
二年级数学下册第六单元考试卷家长打印出来给孩子测试测试争取拿到高分!#小学二年级试卷分享 #二年级第六单考试数学 #第六单考试#二年级数学下册.pdf
10.00金币
0下载
二年级数学下册必背顺口溜口诀汇总二年级数学下册必背顺口溜口诀汇总#二年级#二年级数学下册 #知识分享 #家长收藏孩子受益 #关注我持续更新小学知识.pdf
10.00金币
0下载
二年级数学下册《重点难点思维题》两大问题解决技巧和方法巧算星期几解决周期问题还原问题强化思维训练老师精心整理家长可以打印出来给孩子练习#家长收藏孩子受益 #学霸秘籍 #思维训练 #二年级 #知识点总结.pdf
10.00金币
0下载
二年级数学下册 必背公式大全寒假提前背一背开学更轻松#二年级 #二年级数学 #二年级数学下册 #寒假充电计划 #公式.pdf
10.00金币
0下载
蜗牛文库+ 关注
实名认证
内容提供者

提供各种专业文档内容

确认删除?
QQ
  • QQ点击这里给我发消息
微信客服
  • 微信客服
回到顶部