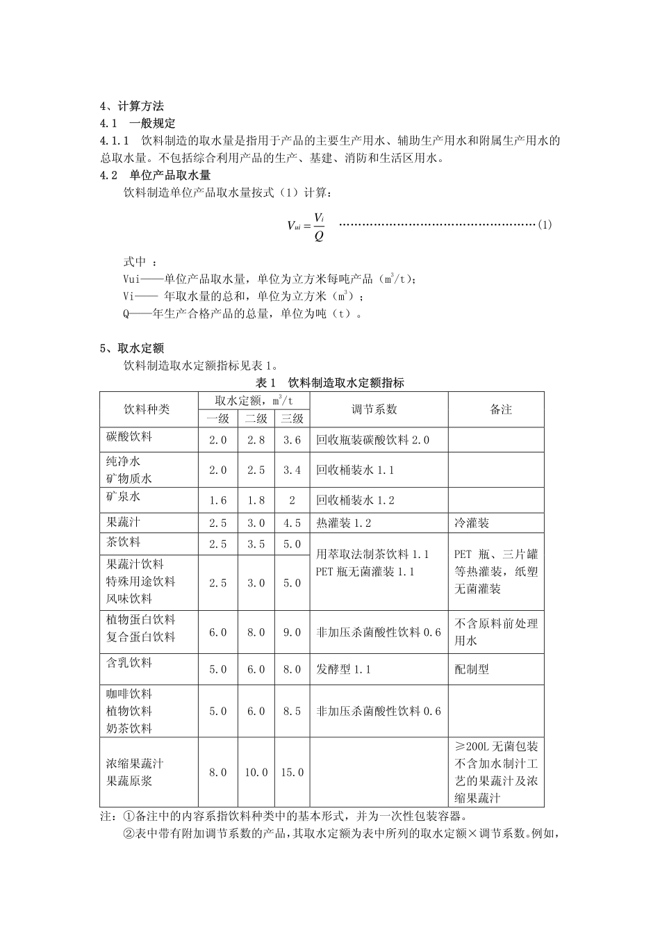
QB/T2931-2008饮料制造取水定额1、范围本标准规定了饮料制造取水定额的术语和定义、取水量计算方法和单位产品取水量定额。本标准适用于GB10789《饮料通则》中除固体饮料的各类饮料制造过程中取水量的管理。本标准适用的包装容器为聚酯瓶、易开盖金属罐、铝制两片罐、塑料薄膜和其他薄膜复合制造的容器、玻璃瓶和其他塑料容器等。2、规范性引用文件下列文件中的条款通过在本标准中引用而构成为本标准的条款,凡是注日期的引用文件,其随后所有的修改单(不包括勘误的内容)或修订版本均不适用本标准。然而,鼓励根据本标准达成协议的各方研究是否可使用这些文件的最新版本,凡是不注日期的引用文件,其最新版本适用本标准。GB7119评价企业合理用水技术通则GB10789饮料通则GB/T12452企业水平衡与测试通则GB/T18820工业企业产品取水定额编制通则3、术语与定义下列术语与定义适用于本标准。3.1取水定额normofwaterintake针对饮料制造取水核算单位制定的,以生产每吨产品所规定的合理取水量。3.2取水量quantityofwaterintake饮料企业在生产过程中从各种水源(自来水、地表水、地下水)提取之水量,即一级计量水表的水量。3.3单位产品取水量quantityofwaterintakeforunitproduct在一定计量时间内,生产每吨产品需要从水源提取的水量。3.4主要生产用水waterusageformajorproduce从原料的清洗直至产品制造全过程的用水,包括清洗装备用水和制备饮料用水的水处理装置所损耗的水。3.5辅助生产用水waterusageforauxiliaryproduce包括锅炉房、机修、制冷、空压机及真空泵站、污水处理站、化验室和贮运等的用水。3.6附属生产用水waterusageforaccessoryproduce包括企业办公、食堂、厕所、洗浴、洗衣房、环境清洁与绿化的用水。4、计算方法4.1一般规定4.1.1饮料制造的取水量是指用于产品的主要生产用水、辅助生产用水和附属生产用水的总取水量。不包括综合利用产品的生产、基建、消防和生活区用水。4.2单位产品取水量饮料制造单位产品取水量按式(1)计算:iuiVVQ=……………………………………………(1)式中:Vui——单位产品取水量,单位为立方米每吨产品(m3/t);Vi——年取水量的总和,单位为立方米(m3);Q——年生产合格产品的总量,单位为吨(t)。5、取水定额饮料制造取水定额指标见表1。表1饮料制造取水定额指标取水定额,m3/t饮料种类一级二级三级调节系数备注碳酸饮料2.02.83.6回收瓶装碳酸饮料2.0纯净水矿物质水2.02.53.4回收桶装水1.1矿泉水1.61....