电脑桌面
添加蜗牛文库到电脑桌面
安装后可以在桌面快捷访问

QBT 1392-1991 干装苹果罐头.pdfVIP免费

QBT 1392-1991 干装苹果罐头.pdf_第1页
QBT 1392-1991 干装苹果罐头.pdf_第2页
QBT 1392-1991 干装苹果罐头.pdf_第3页
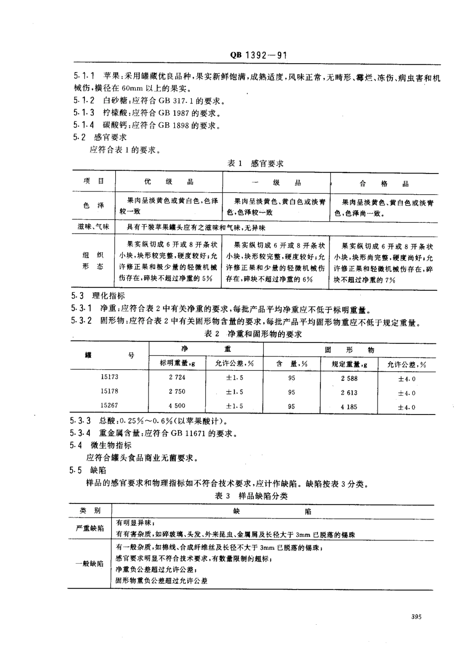
中华人民共和国行业标准干装苹果罐头Qs1392一91Cannedappies,solidpack1主题内容与适用范围本标准规定了干装苹果罐头的产品分类、技术要求、试验方法、检验规则和标志、包装、运输、贮存的基本要求。本标准适用于以苹果为原料,经去皮、去籽巢、切块、抽空、脱水、装雄、密封、杀菌制成的干装苹果罐头。2引用标准GB317.1白砂糖GB1987食品添加剂柠檬酸GB1898食品添加剂沉淀碳酸钙GB4789.26食品卫生微生物学检验罐头食品商业无菌的检验GB5009.11食品中总砷的测定方法GB5009.12食品中铅的测定方法GB5009.13食品中铜的测定方法GB5009.16食品中锡的测定方法GB11671果蔬类罐头食品卫生标准GB/T12456食品中总酸的测定方法QB1006罐头食品检验规则QB1007罐头食品净重和固形物含量的测定ZBX70004罐头食品的感官检验ZBX70005罐头食品包装、标志、运输和贮存3术语3.1碎块小于正常果块二分之一的形状各异的碎块。3.2修正果局部受伤或处理不净等,经加工修正后基本上保持了外形的果块。4产品分类干装苹果罐头的产品代号为630,5技术要求5.1原辅材料中华人民共和国轻工业部1991一12一31批准1992一08一01实施QB1392一915.1.1苹果:采用罐藏优良品种,果实新鲜饱满,成熟适度,风味正常,无畸形、霉烂、冻伤、病虫害和机械伤,横径在60mm以上的果实。5.1.2白砂糖:应符合GB317.1的要求。5.1.3柠檬酸:应符合GB1987的要求。5.1.4碳酸钙:应符合GB1898的要求。5.2感官要求应符合表1的要求。表1感官要求项目优级品一级品合格品色泽果肉呈淡黄色或黄白色,色泽较一致果肉呈淡黄色、黄白色或淡青色,色泽较一致果肉呈淡黄色、黄白色或淡青色,色泽尚一致。滋味、气味具有干装苹果埔头应有之滋味和气味,无异味组织形态果实纵切成6开或8开条状小块,块形较完整,硬度较好,允许修正果和极少量的轻微机械伤存在,碎块不超过净重的5%果实纵切成6开或8开条状小块,块形较完整,硬度较好;允许修正果和少量的轻微机械伤存在,碎块不超过净重的6%果实纵切成6开或8开条状小块,块形尚完整,硬度尚好,允许修正果和轻微机械伤存在,碎块不超过净重的7%5.35.3.15.3.2理化指标净重:应符合表2中有关净重的要求,每批产品平均净重应不低于标明重量。固形物:应符合表2中有关固形物含量的要求,每批产品平均固形物重应不低于规定重量。表2净重和固形物的要求暇号净重固形物标明重量,g允许公差,%含量,%规定重量,9允许公差,%151731517815267272427504500士1.5士1.5士1.5959595258826134185士...

1、当您付费下载文档后,您只拥有了使用权限,并不意味着购买了版权,文档只能用于自身使用,不得用于其他商业用途(如 [转卖]进行直接盈利或[编辑后售卖]进行间接盈利)。
2、本站所有内容均由合作方或网友上传,本站不对文档的完整性、权威性及其观点立场正确性做任何保证或承诺!文档内容仅供研究参考,付费前请自行鉴别。
3、如文档内容存在违规,或者侵犯商业秘密、侵犯著作权等,请点击“违规举报”。

碎片内容

蜗牛文库的最新文档

二年级数学下册其中检测卷二年级数学下册其中检测卷附答案#期中测试卷.pdf
10.00金币
0下载
二年级数学下册期末质检卷(苏教版)二年级数学下册期末质检卷(苏教版)#期末复习 #期末测试卷 #二年级数学 #二年级数学下册#关注我持续更新小学知识.pdf
10.00金币
0下载
二年级数学下册期末混合运算专项练习二年级数学下册期末混合运算专项练习#二年级#二年级数学下册#关注我持续更新小学知识 #知识分享 #家长收藏孩子受益.pdf
10.00金币
1下载
二年级数学下册年月日三类周期问题解题方法二年级数学下册年月日三类周期问题解题方法#二年级#二年级数学下册#知识分享 #关注我持续更新小学知识 #家长收藏孩子受益.pdf
10.00金币
0下载
二年级数学下册解决问题专项训练二年级数学下册解决问题专项训练#专项训练#解决问题#二年级#二年级数学下册#知识分享.pdf
10.00金币
1下载
二年级数学下册还原问题二年级数学下册还原问题#二年级#二年级数学#关注我持续更新小学知识 #知识分享 #家长收藏孩子受益.pdf
10.00金币
1下载
二年级数学下册第六单元考试卷家长打印出来给孩子测试测试争取拿到高分!#小学二年级试卷分享 #二年级第六单考试数学 #第六单考试#二年级数学下册.pdf
10.00金币
0下载
二年级数学下册必背顺口溜口诀汇总二年级数学下册必背顺口溜口诀汇总#二年级#二年级数学下册 #知识分享 #家长收藏孩子受益 #关注我持续更新小学知识.pdf
10.00金币
0下载
二年级数学下册《重点难点思维题》两大问题解决技巧和方法巧算星期几解决周期问题还原问题强化思维训练老师精心整理家长可以打印出来给孩子练习#家长收藏孩子受益 #学霸秘籍 #思维训练 #二年级 #知识点总结.pdf
10.00金币
0下载
二年级数学下册 必背公式大全寒假提前背一背开学更轻松#二年级 #二年级数学 #二年级数学下册 #寒假充电计划 #公式.pdf
10.00金币
0下载
蜗牛文库+ 关注
实名认证
内容提供者

提供各种专业文档内容

确认删除?
QQ
  • QQ点击这里给我发消息
微信客服
  • 微信客服
回到顶部