电脑桌面
添加蜗牛文库到电脑桌面
安装后可以在桌面快捷访问

QBT 1019-1991 水松纸 (附水松原纸).pdfVIP免费

QBT 1019-1991 水松纸 (附水松原纸).pdf_第1页
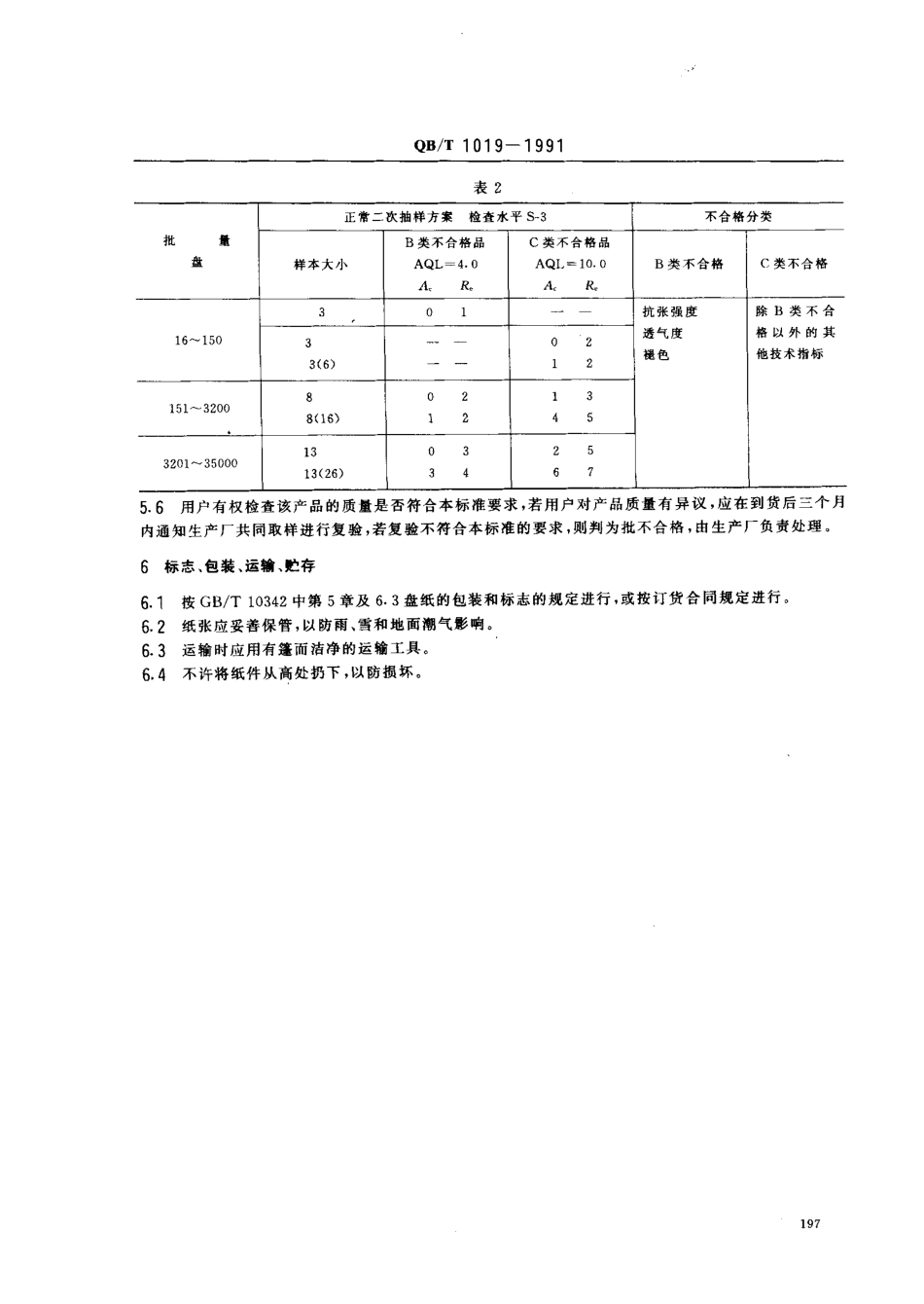
QBT 1019-1991 水松纸 (附水松原纸).pdf_第2页
QBT 1019-1991 水松纸 (附水松原纸).pdf_第3页
中华人民共和国轻工行业标准水松纸(附水松原纸)QB/T1019一1991主题内容与适用范围本标准规定了水松纸的技术规范及水松原纸的技术要求本标准适用于制造联结纸卷烟和过滤嘴用的外圈纸。引用标准GB/T45。纸和纸板试样的采取GB/T451.1纸和纸板尺寸及偏斜度的测定法GB/T451.2纸和纸板定量的测定法GB/T451.3纸和纸板厚度的测定法GB/T453纸和纸板抗张强度的测定法(恒速加荷法)GB/T458纸和纸板透气度的测定法(肖伯尔法)GB/T46。纸和纸板施胶度的测定法(墨水划线法)GB/T462纸和纸板水分的测定法GB/T463纸和纸板灰分的测定GB/T1541纸和纸板尘埃度的测定法GB/T2828逐批检查计数抽样程序及抽样表(适用于连续批的检查)GB/T8940.1纸和纸板白度测定法45/。定向反射法GB/T10342纸张的包装和标志GB/T10739纸浆、纸和纸板试样处理和试验的标准大气产品分类水松纸按质量分为A,B,C三等。水松纸为卷盘纸卷盘纸宽为38mm,40mm,44mm,48mm,68mm或按定货合同规定,宽度偏差不许超过士。.3m-.卷盘直径为(380士10)mm或按订货合同规定。:;技术要求和试验方法水松纸应用符合附录A规定的水松原纸进行加工。月..勺乙勺口月q3乐于334水松纸的技术指标必须符合表1规定。中华人民共和国轻工业部1991-03-30批准1991一12一01实施QB/T1019一1991表1单位水松纸技术要求规指标名称试验方法定量a/-'十1.534.0一1.233。0GB/T4510二心.q州1+-肠-洲紧度纵向抗张强度透气度灰分褪色浸泡时间交货水分不小于不小于不大于不小于N/-kN/mpm/Pa.1.203.501.157.00GB/T451.3GB/T453GB/T4588.0GB/T463不许有6.0士2.0%一肠一%4.3根据订货合同规定,可生产白色水松纸,其白度不小于80.00004.4根据订货合同规定,可生产其他定量的水松纸,其强度指标按比例折算或按合同规定4.5褪色:将水松纸纸条长l00mm,宽38mm放在30℃的燕馏水中浸2h,涂料面同原纸样比较,应无褪色现象。4.6水松纸的表面颜色为桔黄色或按订货合同规定有粉状和不规则的花纹,质地柔软。4.7水松纸表面涂料应均匀,色泽基本一致,花纹美观、清晰,金线明亮。4.8纸张的纤维组织均匀,纸面平整,不许有折痕,裂口、透明点、皱纹、砂子、硬质块及影响使用的外观纸病4.9水松纸不许有掉粉、变色等现象,无特殊异味,口含无褪色现象。4.10分切盘纸应松紧一致,盘面应平、齐、洁净,不应有机械损伤、污点。4.11每盘接头不多于4个,接头必须牢固,粘接后不许有粘层和拖尾巴现象,接头宽度不超过20mm4.12水松纸花纹面向外复卷,筒芯为胶木管,或高强纸管。...

1、当您付费下载文档后,您只拥有了使用权限,并不意味着购买了版权,文档只能用于自身使用,不得用于其他商业用途(如 [转卖]进行直接盈利或[编辑后售卖]进行间接盈利)。
2、本站所有内容均由合作方或网友上传,本站不对文档的完整性、权威性及其观点立场正确性做任何保证或承诺!文档内容仅供研究参考,付费前请自行鉴别。
3、如文档内容存在违规,或者侵犯商业秘密、侵犯著作权等,请点击“违规举报”。

碎片内容

蜗牛文库的最新文档

二年级数学下册其中检测卷二年级数学下册其中检测卷附答案#期中测试卷.pdf
10.00金币
0下载
二年级数学下册期末质检卷(苏教版)二年级数学下册期末质检卷(苏教版)#期末复习 #期末测试卷 #二年级数学 #二年级数学下册#关注我持续更新小学知识.pdf
10.00金币
0下载
二年级数学下册期末混合运算专项练习二年级数学下册期末混合运算专项练习#二年级#二年级数学下册#关注我持续更新小学知识 #知识分享 #家长收藏孩子受益.pdf
10.00金币
1下载
二年级数学下册年月日三类周期问题解题方法二年级数学下册年月日三类周期问题解题方法#二年级#二年级数学下册#知识分享 #关注我持续更新小学知识 #家长收藏孩子受益.pdf
10.00金币
0下载
二年级数学下册解决问题专项训练二年级数学下册解决问题专项训练#专项训练#解决问题#二年级#二年级数学下册#知识分享.pdf
10.00金币
1下载
二年级数学下册还原问题二年级数学下册还原问题#二年级#二年级数学#关注我持续更新小学知识 #知识分享 #家长收藏孩子受益.pdf
10.00金币
1下载
二年级数学下册第六单元考试卷家长打印出来给孩子测试测试争取拿到高分!#小学二年级试卷分享 #二年级第六单考试数学 #第六单考试#二年级数学下册.pdf
10.00金币
0下载
二年级数学下册必背顺口溜口诀汇总二年级数学下册必背顺口溜口诀汇总#二年级#二年级数学下册 #知识分享 #家长收藏孩子受益 #关注我持续更新小学知识.pdf
10.00金币
0下载
二年级数学下册《重点难点思维题》两大问题解决技巧和方法巧算星期几解决周期问题还原问题强化思维训练老师精心整理家长可以打印出来给孩子练习#家长收藏孩子受益 #学霸秘籍 #思维训练 #二年级 #知识点总结.pdf
10.00金币
0下载
二年级数学下册 必背公式大全寒假提前背一背开学更轻松#二年级 #二年级数学 #二年级数学下册 #寒假充电计划 #公式.pdf
10.00金币
0下载
蜗牛文库+ 关注
实名认证
内容提供者

提供各种专业文档内容

确认删除?
QQ
  • QQ点击这里给我发消息
微信客服
  • 微信客服
回到顶部