电脑桌面
添加蜗牛文库到电脑桌面
安装后可以在桌面快捷访问

QBT 1411-1991 咸核桃仁罐头.pdfVIP免费

QBT 1411-1991 咸核桃仁罐头.pdf_第1页
QBT 1411-1991 咸核桃仁罐头.pdf_第2页
QBT 1411-1991 咸核桃仁罐头.pdf_第3页
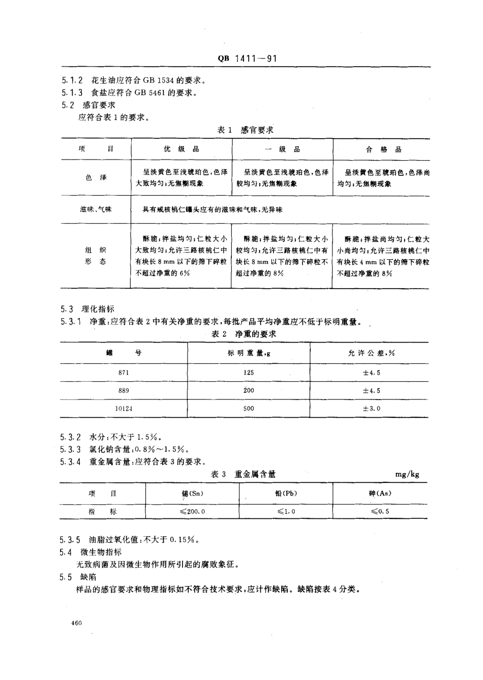
中华人民共和国行业标准咸核桃仁罐头QB1411一91Cann-Aroastedandsaltedwalnutmeat1主题内容与适用范围本标准规定了咸核桃仁罐头的产品分类、技术要求、试验方法、检验规则和标志、包装、运输、贮存的基本要求。本标准适用于以核桃仁为原料,经水煮、油炸、撞皮、拌盐、装姗、密封制成的咸核桃仁罐头。2引用标准GB1534花生油GB5461食用盐GB5009.3食品中水分的测定方法GB5009.11食品中总砷的测定方法GB5009.12食品中铅的测定方法GB5009.16食品中锡的测定方法GB5009.37食用植物油卫生标准的分析方法GB4789.26食品卫生微生物学检验魄头食品商业无菌的检验QB1006罐头食品检验规则QB1007暇头食品净重和固形物含量的测定ZBX70004嫩头食品的感官检验ZBX70005雄头食品包装L、标志、运输和贮存ZBX24006出口核桃仁检验3术语3.1核挡核桃内部隔开核桃仁肉之间的软皮。3.2四分仁整粒核桃仁纵切成的四开核桃仁。3.3三路核桃仁小于或不符合四分仁,而又不能通过孔径功mm圆孔筛的核桃仁。4产品分类咸核桃仁罐头的产品代号为959,5技术要求5.1原辅材料5.1.1核桃仁应符合ZBXU006的要求.使用淡黄色或浅珑珍色核桃仁。中华人民共和国轻工业部1991-12一3,批准1992一08一01实施QB1411一915.1.2花生油应符合GB1534的要求。5.1.3食盐应符合GB5461的要求。5.2感官要求应符合表1的要求。表1感官要求项目优级品一级品合格品色泽呈淡黄色至浅瑰拍色,色泽大致均匀;无焦栩现象呈淡黄色至浅耽拍色,色泽较均匀,无焦栩现象呈淡黄色至珑拍色,色泽尚均匀,无焦栩现象滋味、气味具有咸核桃仁傲头应有的滋味和气味,无异味组织形态酥脆;拌盐均匀;仁粒大小大致均匀卜允许三路核桃仁中有块长smm以下的筛下碎粒不超过净重的6%酥脆书拌盐均匀不仁粒大小较均匀;允许三路核桃仁中有块长8mm以下的筛下碎粒不超过净重的8%酥脆;拌盐尚均匀;仁位大小尚均匀;允许三路核桃仁中有块长4.m以下的筛下碎粒不超过净重的8%5.3理化指标5.3.1净重:应符合表2中有关净重的要求,每批产品平均净重应不低于标明重量。表2净重的要求堵号标明重量,9允许公差,%871125士45889200士4.510121500士3.05.3.2水分:不大于1.5%,5.3.3氯化钠含量;0.8%-1.5%5.3.4重金属含量应符合表3的要求。表3重金属含量mg/kg项目锡(Sn)铅(Pb)砷(As)指标<200,0(1.0(0.55.3.5油脂过氧化值:不大于。.15%<54微生物指标无致病菌及因微生物作用所引起的腐败象征。5.5缺陷样品的感官要求和物理指标如不符合技术要求,应计作缺陷。缺陷按表4分类...

1、当您付费下载文档后,您只拥有了使用权限,并不意味着购买了版权,文档只能用于自身使用,不得用于其他商业用途(如 [转卖]进行直接盈利或[编辑后售卖]进行间接盈利)。
2、本站所有内容均由合作方或网友上传,本站不对文档的完整性、权威性及其观点立场正确性做任何保证或承诺!文档内容仅供研究参考,付费前请自行鉴别。
3、如文档内容存在违规,或者侵犯商业秘密、侵犯著作权等,请点击“违规举报”。

碎片内容

蜗牛文库的最新文档

二年级数学下册其中检测卷二年级数学下册其中检测卷附答案#期中测试卷.pdf
10.00金币
0下载
二年级数学下册期末质检卷(苏教版)二年级数学下册期末质检卷(苏教版)#期末复习 #期末测试卷 #二年级数学 #二年级数学下册#关注我持续更新小学知识.pdf
10.00金币
0下载
二年级数学下册期末混合运算专项练习二年级数学下册期末混合运算专项练习#二年级#二年级数学下册#关注我持续更新小学知识 #知识分享 #家长收藏孩子受益.pdf
10.00金币
1下载
二年级数学下册年月日三类周期问题解题方法二年级数学下册年月日三类周期问题解题方法#二年级#二年级数学下册#知识分享 #关注我持续更新小学知识 #家长收藏孩子受益.pdf
10.00金币
0下载
二年级数学下册解决问题专项训练二年级数学下册解决问题专项训练#专项训练#解决问题#二年级#二年级数学下册#知识分享.pdf
10.00金币
1下载
二年级数学下册还原问题二年级数学下册还原问题#二年级#二年级数学#关注我持续更新小学知识 #知识分享 #家长收藏孩子受益.pdf
10.00金币
1下载
二年级数学下册第六单元考试卷家长打印出来给孩子测试测试争取拿到高分!#小学二年级试卷分享 #二年级第六单考试数学 #第六单考试#二年级数学下册.pdf
10.00金币
0下载
二年级数学下册必背顺口溜口诀汇总二年级数学下册必背顺口溜口诀汇总#二年级#二年级数学下册 #知识分享 #家长收藏孩子受益 #关注我持续更新小学知识.pdf
10.00金币
0下载
二年级数学下册《重点难点思维题》两大问题解决技巧和方法巧算星期几解决周期问题还原问题强化思维训练老师精心整理家长可以打印出来给孩子练习#家长收藏孩子受益 #学霸秘籍 #思维训练 #二年级 #知识点总结.pdf
10.00金币
0下载
二年级数学下册 必背公式大全寒假提前背一背开学更轻松#二年级 #二年级数学 #二年级数学下册 #寒假充电计划 #公式.pdf
10.00金币
0下载
蜗牛文库+ 关注
实名认证
内容提供者

提供各种专业文档内容

确认删除?
QQ
  • QQ点击这里给我发消息
微信客服
  • 微信客服
回到顶部