电脑桌面
添加蜗牛文库到电脑桌面
安装后可以在桌面快捷访问

库车坳陷克拉玛依组烃源岩有机地化特征_周晓飞.pdfVIP免费

库车坳陷克拉玛依组烃源岩有机地化特征_周晓飞.pdf_第1页
库车坳陷克拉玛依组烃源岩有机地化特征_周晓飞.pdf_第2页
库车坳陷克拉玛依组烃源岩有机地化特征_周晓飞.pdf_第3页
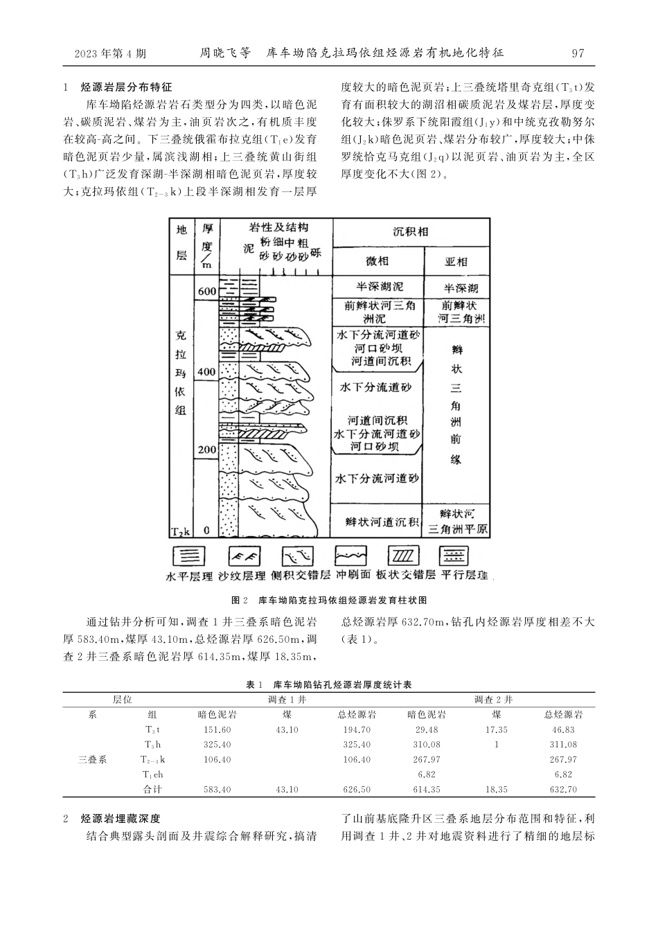
收稿日期:2022-11-13作者简介:周晓飞(1966-),男,陕西省丹凤县人,本科,高级工程师,1991年毕业于成都理工大学地质矿产专业,主要从事地质矿产勘查及研究工作。通讯作者:李斌(1981-),男,甘肃张掖人,本科,高级工程师,2009年毕业于长安大学资源勘查工程,主要从事煤田地质及非常规能源勘查及研究。通讯作者:葛栋锋(1983-),男,河南省上蔡县人,工程硕士,高级工程师,2015年毕业于中国地质大学(北京)地质工程专业,从事煤田、铀矿及非常规能源地质勘查及研究工作,总工程师。库车坳陷克拉玛依组烃源岩有机地化特征周晓飞,李斌,葛栋锋(新疆维吾尔自治区地质矿产勘查开发局第九地质大队,新疆乌鲁木齐830000)摘要:库车坳陷非常规能源调查评价页岩气产自克拉玛依组上部泥页岩中,长期以来对克拉玛依组烃源岩有机地化特征重视不够,库车坳陷非常规能源调查评价项目对克拉玛依组烃源岩有机地化特征开展了详细的研究。认为库车坳陷克拉玛依组地层中有泥岩沉积少量发育在半深湖中,产自上部暗色泥页岩的机质丰度比较高,以Ⅱ型干酪根类型为主,成熟度集中在低成熟-成熟阶段之间,处于页岩气生气窗内,热演化程度低,属较好烃源岩。上部暗色泥页岩即是常规油气的重要烃源岩,又是非常规油气勘探的重要目标。关键词:库车坳陷;克拉玛依组;烃源岩;有机质类型中图分类号:P618.120.8文献标识码:A文章编号:1006-7981(2023)04-0096-05库车坳陷属于塔里木盆地二级构造单元,东始于库尔勒阳霞一带,最西到达乌什-阿合奇,延展向为北东东走向,东西长350km,南北宽70km,面积约3.7×104km2。北边界与南天山造山带为邻居,南边界以温宿北断裂-西南大断裂划分。北向南可划分四个带相,最北部是单斜带、向南依次为依奇克里克一克拉苏构造带、阳霞凹陷一拜城凹陷、秋里塔克背斜带和南部的前缘隆起带,西端与乌什凹陷和温宿凸起相接[1](图1)。库车坳陷是一个富气的地区,发现了克拉2等大气田,气源主要产自三叠系和侏罗系的暗色泥页岩[2]。在以往库车坳陷暗色泥页岩有机地化特征研究中[3-5],对克拉玛依组上部暗色泥页岩研究欠缺。克拉玛依组作为重要的烃源岩层段湖湘烃源岩有机地化特征还存在疑虑,争议较大,笔者在非常规能源调查评价项目研究的基础上,对克拉玛依组烃源岩特征进行深入研究。图1库车坳陷二级构造单元划分图69内蒙古石油化工2023年第4期1烃源岩层分布特征库车坳陷烃源岩岩石类型分为四类,以暗色泥岩、碳质泥岩、煤岩为主,油页岩次之,有机质丰度在较高-高之间。下三叠统俄霍布拉克组(T1e)发育暗色...

1、当您付费下载文档后,您只拥有了使用权限,并不意味着购买了版权,文档只能用于自身使用,不得用于其他商业用途(如 [转卖]进行直接盈利或[编辑后售卖]进行间接盈利)。
2、本站所有内容均由合作方或网友上传,本站不对文档的完整性、权威性及其观点立场正确性做任何保证或承诺!文档内容仅供研究参考,付费前请自行鉴别。
3、如文档内容存在违规,或者侵犯商业秘密、侵犯著作权等,请点击“违规举报”。

碎片内容

蜗牛文库的最新文档

二年级数学下册其中检测卷二年级数学下册其中检测卷附答案#期中测试卷.pdf
10.00金币
0下载
二年级数学下册期末质检卷(苏教版)二年级数学下册期末质检卷(苏教版)#期末复习 #期末测试卷 #二年级数学 #二年级数学下册#关注我持续更新小学知识.pdf
10.00金币
0下载
二年级数学下册期末混合运算专项练习二年级数学下册期末混合运算专项练习#二年级#二年级数学下册#关注我持续更新小学知识 #知识分享 #家长收藏孩子受益.pdf
10.00金币
1下载
二年级数学下册年月日三类周期问题解题方法二年级数学下册年月日三类周期问题解题方法#二年级#二年级数学下册#知识分享 #关注我持续更新小学知识 #家长收藏孩子受益.pdf
10.00金币
0下载
二年级数学下册解决问题专项训练二年级数学下册解决问题专项训练#专项训练#解决问题#二年级#二年级数学下册#知识分享.pdf
10.00金币
1下载
二年级数学下册还原问题二年级数学下册还原问题#二年级#二年级数学#关注我持续更新小学知识 #知识分享 #家长收藏孩子受益.pdf
10.00金币
1下载
二年级数学下册第六单元考试卷家长打印出来给孩子测试测试争取拿到高分!#小学二年级试卷分享 #二年级第六单考试数学 #第六单考试#二年级数学下册.pdf
10.00金币
0下载
二年级数学下册必背顺口溜口诀汇总二年级数学下册必背顺口溜口诀汇总#二年级#二年级数学下册 #知识分享 #家长收藏孩子受益 #关注我持续更新小学知识.pdf
10.00金币
0下载
二年级数学下册《重点难点思维题》两大问题解决技巧和方法巧算星期几解决周期问题还原问题强化思维训练老师精心整理家长可以打印出来给孩子练习#家长收藏孩子受益 #学霸秘籍 #思维训练 #二年级 #知识点总结.pdf
10.00金币
0下载
二年级数学下册 必背公式大全寒假提前背一背开学更轻松#二年级 #二年级数学 #二年级数学下册 #寒假充电计划 #公式.pdf
10.00金币
0下载
蜗牛文库+ 关注
实名认证
内容提供者

提供各种专业文档内容

确认删除?
QQ
  • QQ点击这里给我发消息
微信客服
  • 微信客服
回到顶部