电脑桌面
添加蜗牛文库到电脑桌面
安装后可以在桌面快捷访问

某8米深基坑工程施工技术研究_陈学技.pdfVIP免费

某8米深基坑工程施工技术研究_陈学技.pdf_第1页
某8米深基坑工程施工技术研究_陈学技.pdf_第2页
某8米深基坑工程施工技术研究_陈学技.pdf_第3页
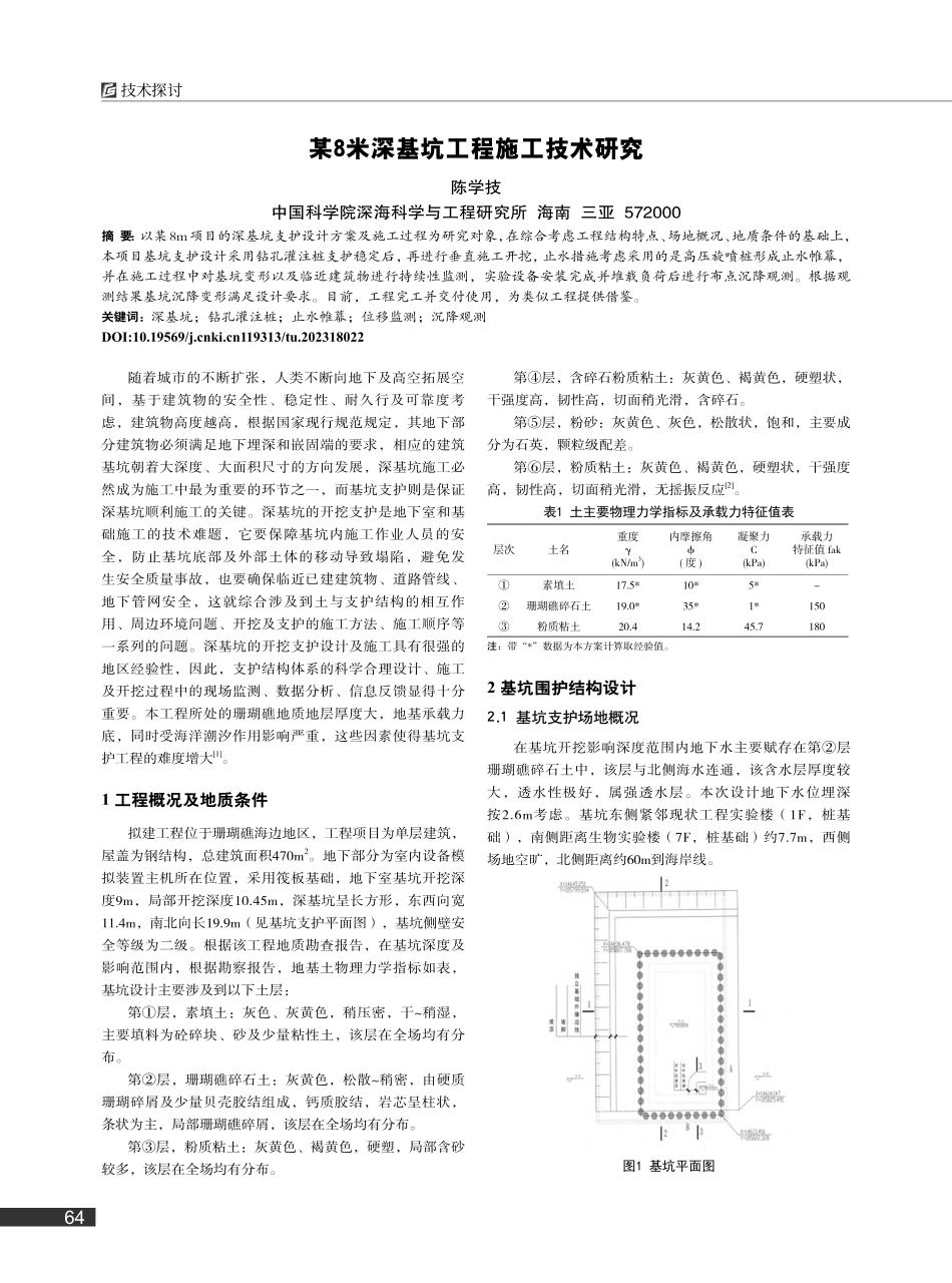
64某8米深基坑工程施工技术研究陈学技中国科学院深海科学与工程研究所海南三亚572000摘要:以某8m项目的深基坑支护设计方案及施工过程为研究对象,在综合考虑工程结构特点、场地概况、地质条件的基础上,本项目基坑支护设计采用钻孔灌注桩支护稳定后,再进行垂直施工开挖,止水措施考虑采用的是高压旋喷桩形成止水帷幕,并在施工过程中对基坑变形以及临近建筑物进行持续性监测,实验设备安装完成并堆载负荷后进行布点沉降观测。根据观测结果基坑沉降变形满足设计要求。目前,工程完工并交付使用,为类似工程提供借鉴。关键词:深基坑;钻孔灌注桩;止水帷幕;位移监测;沉降观测DOI:10.19569/j.cnki.cn119313/tu.202318022随着城市的不断扩张,人类不断向地下及高空拓展空间,基于建筑物的安全性、稳定性、耐久行及可靠度考虑,建筑物高度越高,根据国家现行规范规定,其地下部分建筑物必须满足地下埋深和嵌固端的要求,相应的建筑基坑朝着大深度、大面积尺寸的方向发展,深基坑施工必然成为施工中最为重要的环节之一,而基坑支护则是保证深基坑顺利施工的关键。深基坑的开挖支护是地下室和基础施工的技术难题,它要保障基坑内施工作业人员的安全,防止基坑底部及外部土体的移动导致塌陷,避免发生安全质量事故,也要确保临近已建建筑物、道路管线、地下管网安全,这就综合涉及到土与支护结构的相互作用、周边环境问题、开挖及支护的施工方法、施工顺序等一系列的问题。深基坑的开挖支护设计及施工具有很强的地区经验性,因此,支护结构体系的科学合理设计、施工及开挖过程中的现场监测、数据分析、信息反馈显得十分重要。本工程所处的珊瑚礁地质地层厚度大,地基承载力底,同时受海洋潮汐作用影响严重,这些因素使得基坑支护工程的难度增大[1]。1工程概况及地质条件拟建工程位于珊瑚礁海边地区,工程项目为单层建筑,屋盖为钢结构,总建筑面积470m2。地下部分为室内设备模拟装置主机所在位置,采用筏板基础,地下室基坑开挖深度9m,局部开挖深度10.45m,深基坑呈长方形,东西向宽11.4m,南北向长19.9m(见基坑支护平面图),基坑侧壁安全等级为二级。根据该工程地质勘查报告,在基坑深度及影响范围内,根据勘察报告,地基土物理力学指标如表,基坑设计主要涉及到以下土层:第①层,素填土:灰色、灰黄色,稍压密,干~稍湿,主要填料为砼碎块、砂及少量粘性土,该层在全场均有分布。第②层,珊瑚礁碎石土:灰黄色,松散~稍密,由硬质珊瑚碎屑及少量...

1、当您付费下载文档后,您只拥有了使用权限,并不意味着购买了版权,文档只能用于自身使用,不得用于其他商业用途(如 [转卖]进行直接盈利或[编辑后售卖]进行间接盈利)。
2、本站所有内容均由合作方或网友上传,本站不对文档的完整性、权威性及其观点立场正确性做任何保证或承诺!文档内容仅供研究参考,付费前请自行鉴别。
3、如文档内容存在违规,或者侵犯商业秘密、侵犯著作权等,请点击“违规举报”。

碎片内容

蜗牛文库的最新文档

二年级数学下册其中检测卷二年级数学下册其中检测卷附答案#期中测试卷.pdf
10.00金币
0下载
二年级数学下册期末质检卷(苏教版)二年级数学下册期末质检卷(苏教版)#期末复习 #期末测试卷 #二年级数学 #二年级数学下册#关注我持续更新小学知识.pdf
10.00金币
0下载
二年级数学下册期末混合运算专项练习二年级数学下册期末混合运算专项练习#二年级#二年级数学下册#关注我持续更新小学知识 #知识分享 #家长收藏孩子受益.pdf
10.00金币
1下载
二年级数学下册年月日三类周期问题解题方法二年级数学下册年月日三类周期问题解题方法#二年级#二年级数学下册#知识分享 #关注我持续更新小学知识 #家长收藏孩子受益.pdf
10.00金币
0下载
二年级数学下册解决问题专项训练二年级数学下册解决问题专项训练#专项训练#解决问题#二年级#二年级数学下册#知识分享.pdf
10.00金币
1下载
二年级数学下册还原问题二年级数学下册还原问题#二年级#二年级数学#关注我持续更新小学知识 #知识分享 #家长收藏孩子受益.pdf
10.00金币
1下载
二年级数学下册第六单元考试卷家长打印出来给孩子测试测试争取拿到高分!#小学二年级试卷分享 #二年级第六单考试数学 #第六单考试#二年级数学下册.pdf
10.00金币
0下载
二年级数学下册必背顺口溜口诀汇总二年级数学下册必背顺口溜口诀汇总#二年级#二年级数学下册 #知识分享 #家长收藏孩子受益 #关注我持续更新小学知识.pdf
10.00金币
0下载
二年级数学下册《重点难点思维题》两大问题解决技巧和方法巧算星期几解决周期问题还原问题强化思维训练老师精心整理家长可以打印出来给孩子练习#家长收藏孩子受益 #学霸秘籍 #思维训练 #二年级 #知识点总结.pdf
10.00金币
0下载
二年级数学下册 必背公式大全寒假提前背一背开学更轻松#二年级 #二年级数学 #二年级数学下册 #寒假充电计划 #公式.pdf
10.00金币
0下载
蜗牛文库+ 关注
实名认证
内容提供者

提供各种专业文档内容

确认删除?
QQ
  • QQ点击这里给我发消息
微信客服
  • 微信客服
回到顶部