电脑桌面
添加蜗牛文库到电脑桌面
安装后可以在桌面快捷访问

单向顺序阀在锚杆钻车中的应用与研究_安四元.pdfVIP免费

单向顺序阀在锚杆钻车中的应用与研究_安四元.pdf_第1页
单向顺序阀在锚杆钻车中的应用与研究_安四元.pdf_第2页
单向顺序阀在锚杆钻车中的应用与研究_安四元.pdf_第3页
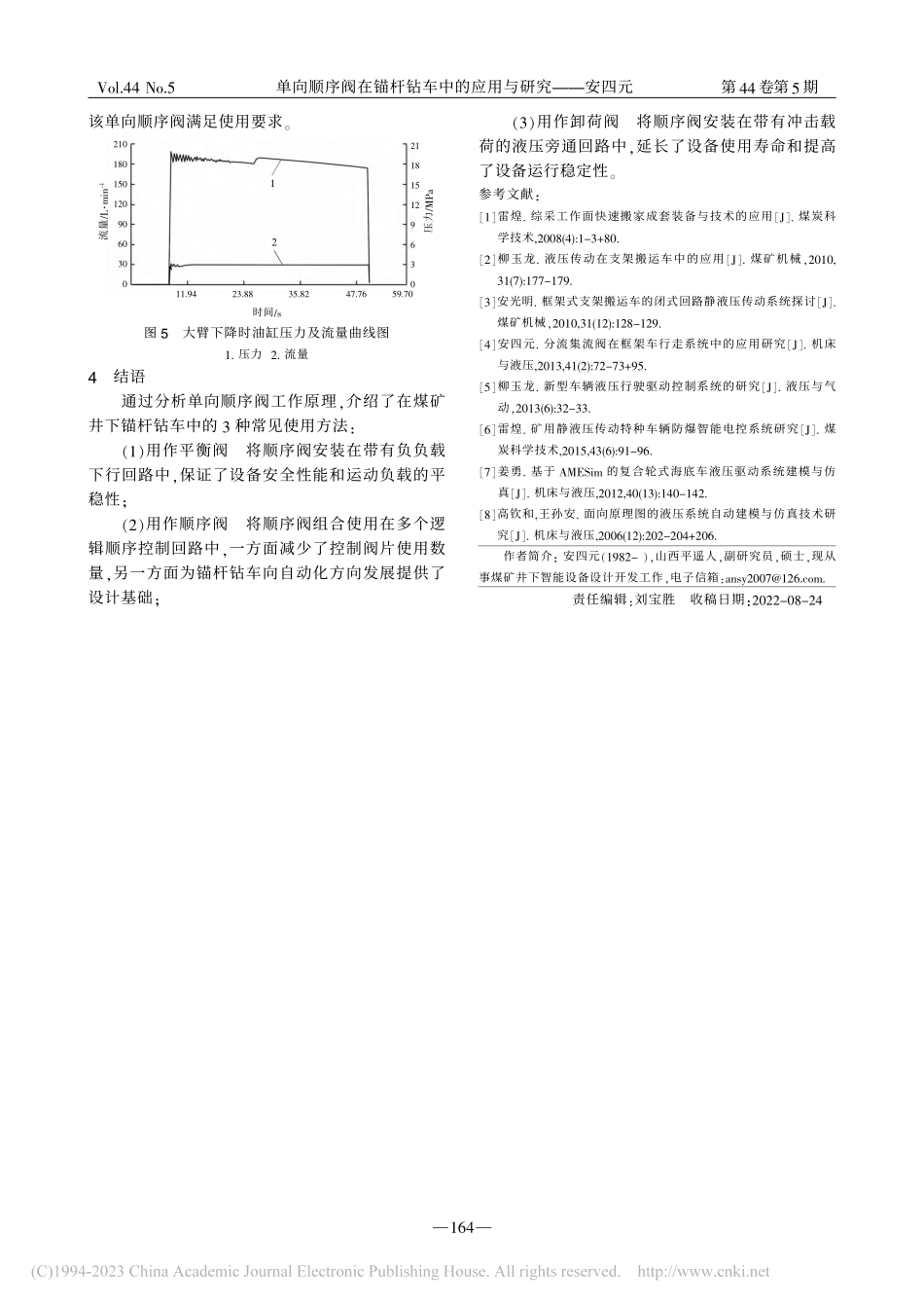
煤矿机械CoalMineMachineryVol.44No.5May.2023第44卷第5期2023年5月doi:10.13436/j.mkjx.2023050500引言单向顺序阀由单向阀和顺序阀并联组合而成,根据其功能不同,可以作为平衡阀、顺序阀和卸荷阀使用。在平衡回路中,单向顺序阀用以平衡液压系统执行元件所承受的负载,以防止执行元件带载超速下降或者超速旋转,也可使执行元件不受负载变化影响而保持平稳可靠运行。在顺序回路中,单向顺序阀通过组合使用可实现各个执行元件的顺序动作。近年来,随着煤矿采掘技术的发展,煤矿井下锚杆钻车正朝着重型化、智能化的方向发展,平衡阀在锚杆钻车中应用越来越广,该阀的使用有效保证了井下作业人员的安全作业环境。对于锚杆钻车智能化,由于电气设备煤安的要求,很多地面上使用的电气逻辑控制模块在煤矿井下不能使用,在一些自动化设备中通过液压顺序阀实现了各机构的逻辑顺序控制,因此单向顺序阀为井下锚杆钻车智能化发展提供了逻辑应用基础。1单向顺序阀结构及原理单向顺序阀结构如图1所示。液压油从P口流入经过节流孔到控制活塞右侧,当其进油压力低于弹簧设定压力时,控制活塞端推力较小,阀芯处于最右端,阀口关闭,顺序阀不通。当其进油口压力达到或者超过弹簧调定压力时,阀芯向左运动,油口开启,顺序阀接通。如果液压油从A口流入,推动单向阀向上运动,A口与P口反向接通。图1单向顺序阀结构图1.螺堵2.节流孔3.阀体4.单向阀5.阀芯6.弹簧7.调节螺杆8.控制活塞2单向顺序阀在锚杆钻车上的主要应用根据单向顺序阀工作原理,针对煤矿井下锚杆钻车使用工况,单向顺序阀有3种使用方法:①用于带有负负载的液压回路中,当作平衡阀来使用,其设定压力根据负负载来确定;②在同一片比例阀控制多个执行元件时使用,单向顺序阀在这样的逻辑回路中起顺序开关作用;③如果同一执行机构需要多种压力工况,可选择单向顺序阀作为旁通卸荷阀使用。(1)单向顺序阀在液压平衡回路中的应用在煤矿井下使用的液压支架、锚杆钻车支腿油缸、掘进机截割臂举升油缸以及多功能作业车举升油缸等,都因为存在负负载而需要防止随着自重降落,在这类油缸中都安装了平衡阀。其工作原理如图2所示,单向顺序阀串接在液压缸无杆腔回路中,即串接在负载下行回路中,其调定压力略大于运动负载单向顺序阀在锚杆钻车中的应用与研究安四元(1.中国煤炭科工集团太原研究院有限公司,太原030006;2.煤矿采掘机械装备国家工程实验室,太原030006)摘要:通过分析常用单向顺序阀结构和工作...

1、当您付费下载文档后,您只拥有了使用权限,并不意味着购买了版权,文档只能用于自身使用,不得用于其他商业用途(如 [转卖]进行直接盈利或[编辑后售卖]进行间接盈利)。
2、本站所有内容均由合作方或网友上传,本站不对文档的完整性、权威性及其观点立场正确性做任何保证或承诺!文档内容仅供研究参考,付费前请自行鉴别。
3、如文档内容存在违规,或者侵犯商业秘密、侵犯著作权等,请点击“违规举报”。

碎片内容

蜗牛文库的最新文档

二年级数学下册其中检测卷二年级数学下册其中检测卷附答案#期中测试卷.pdf
10.00金币
0下载
二年级数学下册期末质检卷(苏教版)二年级数学下册期末质检卷(苏教版)#期末复习 #期末测试卷 #二年级数学 #二年级数学下册#关注我持续更新小学知识.pdf
10.00金币
0下载
二年级数学下册期末混合运算专项练习二年级数学下册期末混合运算专项练习#二年级#二年级数学下册#关注我持续更新小学知识 #知识分享 #家长收藏孩子受益.pdf
10.00金币
1下载
二年级数学下册年月日三类周期问题解题方法二年级数学下册年月日三类周期问题解题方法#二年级#二年级数学下册#知识分享 #关注我持续更新小学知识 #家长收藏孩子受益.pdf
10.00金币
0下载
二年级数学下册解决问题专项训练二年级数学下册解决问题专项训练#专项训练#解决问题#二年级#二年级数学下册#知识分享.pdf
10.00金币
1下载
二年级数学下册还原问题二年级数学下册还原问题#二年级#二年级数学#关注我持续更新小学知识 #知识分享 #家长收藏孩子受益.pdf
10.00金币
1下载
二年级数学下册第六单元考试卷家长打印出来给孩子测试测试争取拿到高分!#小学二年级试卷分享 #二年级第六单考试数学 #第六单考试#二年级数学下册.pdf
10.00金币
0下载
二年级数学下册必背顺口溜口诀汇总二年级数学下册必背顺口溜口诀汇总#二年级#二年级数学下册 #知识分享 #家长收藏孩子受益 #关注我持续更新小学知识.pdf
10.00金币
0下载
二年级数学下册《重点难点思维题》两大问题解决技巧和方法巧算星期几解决周期问题还原问题强化思维训练老师精心整理家长可以打印出来给孩子练习#家长收藏孩子受益 #学霸秘籍 #思维训练 #二年级 #知识点总结.pdf
10.00金币
0下载
二年级数学下册 必背公式大全寒假提前背一背开学更轻松#二年级 #二年级数学 #二年级数学下册 #寒假充电计划 #公式.pdf
10.00金币
0下载
蜗牛文库+ 关注
实名认证
内容提供者

提供各种专业文档内容

确认删除?
QQ
  • QQ点击这里给我发消息
微信客服
  • 微信客服
回到顶部