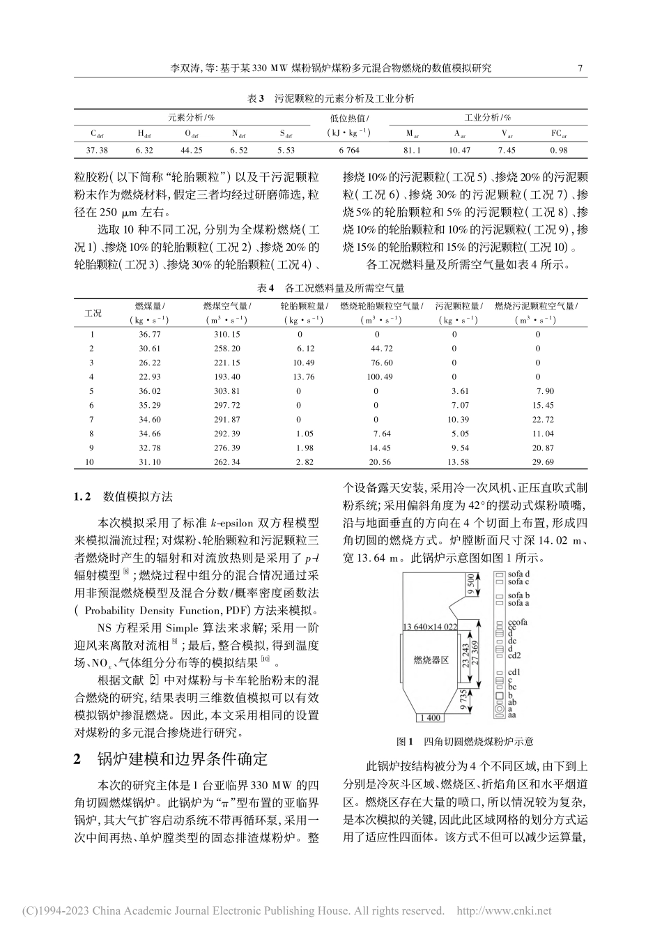
■■■■■■■■■■■■■■■■■■■■■■■■第39卷第1期2023年2■■■■■■■■■■■■■■■■■■■■■■■■■■■■■■■■■月上海电力大学学报JournalofShanghaiUniversityofElectricPo■■■■■■■■■■■■■■■■■■■■■■werVol.39,No.1Feb.2023DOI:10.3969/j.issn.2096-8299.2023.01.002收稿日期:2022-04-02通信作者简介:姜未汀(1979—),男,博士,副教授。主要研究方向为有机朗肯循环和余热利用等。E-mail:jiang-weiting618@163.com。基于某330MW煤粉锅炉煤粉多元混合物燃烧的数值模拟研究李双涛1,姜未汀1,潘卫国1,倪璐阳1,李子涵2,潘丹露3(1.上海电力大学,上海200090;2.江苏新海发电有限公司,江苏连云港222023;3.上海理工大学,上海200093)摘要:为了研究煤粉、轮胎颗粒胶粉与污泥颗粒三者混合燃烧的燃烧特性,通过使用Fluent软件对锅炉进行建模并进行数值模拟计算。分别分析了煤粉单独燃烧、煤粉与轮胎颗粒胶粉混合燃烧、煤粉与污泥颗粒混合燃烧以及三者共同混合燃烧的模拟结果。分析结果表明,在煤粉燃烧时,掺入一定比例的轮胎颗粒胶粉和污泥颗粒可以提高炉膛的燃烧效率、增强炉膛内燃料的燃尽程度。关键词:电站锅炉;掺烧;煤粉;燃烧特性;数值模拟中图分类号:TK16文献标志码:A文章编号:2096-8299(2023)01-0005-07NumericalSimulationoftheCo-combustionofMulticomponentMixtureina330MWPC-firedBoilerLIShuangtao1,JIANGWeiting1,PANWeiguo1,NILuyang1,LIZihan2,PANDanlu3(1.ShanghaiUniversityofElectricPower,Shanghai200090,China;2.JiangsuXinhaiPowerGenerationCo.,Ltd.,Lianyungang,Jiangsu222023,China;3.UniversityofShanghaiforScienceandTechnology,Shanghai200093,China)Abstract:Combustioncharacteristicsoftire-derivedfuel(TDF)andsewagesludgeblendswerestudiedbyusingapulverizedcoal(PC)-firedboilerthroughaCFDbasedapproach.Testwereper-formedonpulverizedcoalcombustionalone,co-combustionofcoalbetweenTDFandsewagesludge,andcombinationofthemrespectively.ResultsindicatethataddingacertainproportionofTDFandsewagesludgewouldimprovethecombustionefficiencyandenhancetheburnoutoffuelintheboiler.Keywords:utilityboiler;co-combustion;pulverizedcoal;combustioncharacteristics;numeri-calsimulation伴随着我国工业化程度快...