电脑桌面
添加蜗牛文库到电脑桌面
安装后可以在桌面快捷访问

50_MVar调相机润滑油系统合理选型与油温校验_贾小平.pdfVIP免费

50_MVar调相机润滑油系统合理选型与油温校验_贾小平.pdf_第1页
50_MVar调相机润滑油系统合理选型与油温校验_贾小平.pdf_第2页
50_MVar调相机润滑油系统合理选型与油温校验_贾小平.pdf_第3页
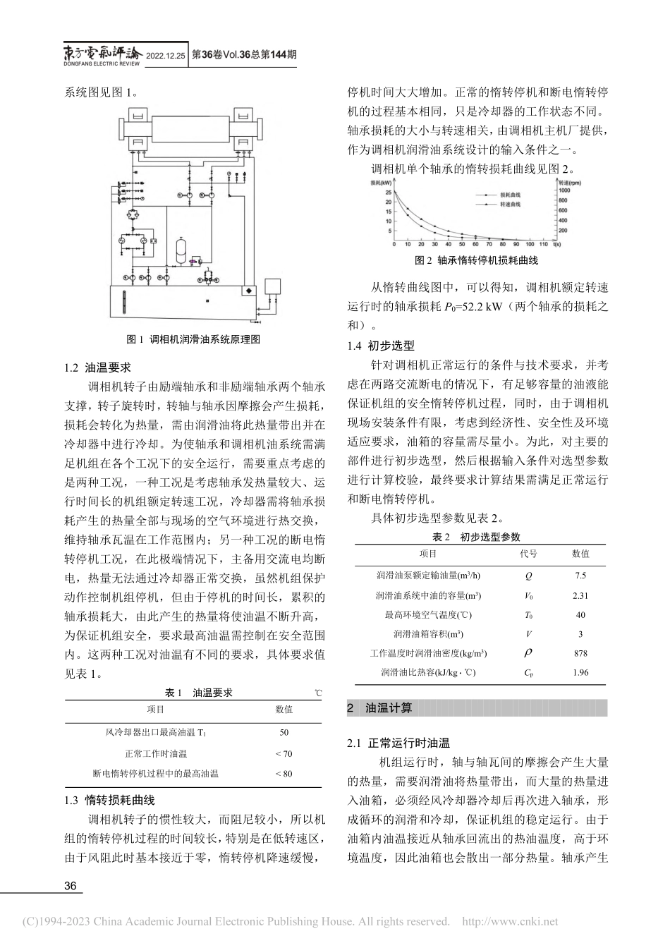
3550MVar调相机润滑油系统合理选型与油温校验贾小平夏瑜婷席波陈金鹏东方电气自动控制工程有限公司,四川德阳618000摘要:针对50MVar调相机的技术要求,对主要设备进行初步选型,并对油温进行校验计算,在保证机组安全运行的同时,使设备具有较好的经济性和环境适应性。关键词:调相机;润滑油系统;风冷却器;损耗中图分类号:TK11.4文献标志码:A文章编号:1001-9006(2022)04-0035-03SelectionandOilTemperatureCalibrationforLubricatingOilSystemof50MVarSynchronousCompensatorJIAXiaoping,XIAYuting,XIBo,CHENGJingpeng(DongfangElectricAutocontrolEngineeringCo.,Ltd.,618000,Deyang,Sichuan,China)Abstract:Accordingtothetechnicalrequirementsof50MVarsynchronouscompensator,themainequipmentisselectedandtheoiltemperatureischecked,whichensuresthesafeoperationoftheunitandmakestheequipmenthavebettereconomyandenvironmentaladaptability.Keywords:synchronouscompensator;lubricatingoilsystem;aircooler;loss1收稿日期:2022-01-14作者简介:贾小平(1972-),男,本科,水电机组控制系统专业,正高级工程师,现任职于东方电气自动控制工程有限公司。调相机是特高压电网的重要配套设备,被誉为电网的“稳压器”,通过提供或吸收无功功率来实现电网的有功和无功的平衡[1-3]。针对新能源间歇性、随机性和波动性的特点,采取在电源侧安装小型分布式调相机的方法,有助于直流输电安全稳定运行,将为稳步提高新能源在能源结构中占比,助推电力领域“碳达峰、碳中和”带来示范效应。50MVar调相机是主要应用于新能源电源侧的分布式调相机,具有集成度高、系统简单、建设周期短、调节性能好等优点。调相机润滑油系统的主要功能是在各种工况下为轴承提供稳定的润滑油,起到润滑、冷却的作用,冷却的具体实现是通过冷却油在轴承座内进行热交换,冷却油将热量带出,热油再在风冷却器内进行热交换,由空气将热量带走,油冷却后循环使用,以保证进入机组轴承的油温处于适宜润滑范围内[4]。1系统原理与转入条件1.1系统原理50MVar调相机润滑油系统配置有一主一备两台交流润滑油泵,并配有一台直流润滑油泵,配置有一主一备两台风冷却器。正常工作时,主用润滑油泵从油箱吸油经冷却,热油变为冷油,然后送入调温阀,将热油与冷油进行高调合,控制输入进调相机轴承的油温,为调相机运行提供稳定流量、适宜温度的润滑油。当两路交流断电...

1、当您付费下载文档后,您只拥有了使用权限,并不意味着购买了版权,文档只能用于自身使用,不得用于其他商业用途(如 [转卖]进行直接盈利或[编辑后售卖]进行间接盈利)。
2、本站所有内容均由合作方或网友上传,本站不对文档的完整性、权威性及其观点立场正确性做任何保证或承诺!文档内容仅供研究参考,付费前请自行鉴别。
3、如文档内容存在违规,或者侵犯商业秘密、侵犯著作权等,请点击“违规举报”。

碎片内容

蜗牛文库的最新文档

二年级数学下册其中检测卷二年级数学下册其中检测卷附答案#期中测试卷.pdf
10.00金币
0下载
二年级数学下册期末质检卷(苏教版)二年级数学下册期末质检卷(苏教版)#期末复习 #期末测试卷 #二年级数学 #二年级数学下册#关注我持续更新小学知识.pdf
10.00金币
0下载
二年级数学下册期末混合运算专项练习二年级数学下册期末混合运算专项练习#二年级#二年级数学下册#关注我持续更新小学知识 #知识分享 #家长收藏孩子受益.pdf
10.00金币
1下载
二年级数学下册年月日三类周期问题解题方法二年级数学下册年月日三类周期问题解题方法#二年级#二年级数学下册#知识分享 #关注我持续更新小学知识 #家长收藏孩子受益.pdf
10.00金币
0下载
二年级数学下册解决问题专项训练二年级数学下册解决问题专项训练#专项训练#解决问题#二年级#二年级数学下册#知识分享.pdf
10.00金币
1下载
二年级数学下册还原问题二年级数学下册还原问题#二年级#二年级数学#关注我持续更新小学知识 #知识分享 #家长收藏孩子受益.pdf
10.00金币
1下载
二年级数学下册第六单元考试卷家长打印出来给孩子测试测试争取拿到高分!#小学二年级试卷分享 #二年级第六单考试数学 #第六单考试#二年级数学下册.pdf
10.00金币
0下载
二年级数学下册必背顺口溜口诀汇总二年级数学下册必背顺口溜口诀汇总#二年级#二年级数学下册 #知识分享 #家长收藏孩子受益 #关注我持续更新小学知识.pdf
10.00金币
0下载
二年级数学下册《重点难点思维题》两大问题解决技巧和方法巧算星期几解决周期问题还原问题强化思维训练老师精心整理家长可以打印出来给孩子练习#家长收藏孩子受益 #学霸秘籍 #思维训练 #二年级 #知识点总结.pdf
10.00金币
0下载
二年级数学下册 必背公式大全寒假提前背一背开学更轻松#二年级 #二年级数学 #二年级数学下册 #寒假充电计划 #公式.pdf
10.00金币
0下载
蜗牛文库+ 关注
实名认证
内容提供者

提供各种专业文档内容

确认删除?
QQ
  • QQ点击这里给我发消息
微信客服
  • 微信客服
回到顶部