电脑桌面
添加蜗牛文库到电脑桌面
安装后可以在桌面快捷访问

房建工程质量通病及防治措施.docVIP免费

房建工程质量通病及防治措施.doc_第1页
房建工程质量通病及防治措施.doc_第2页
房建工程质量通病及防治措施.doc_第3页
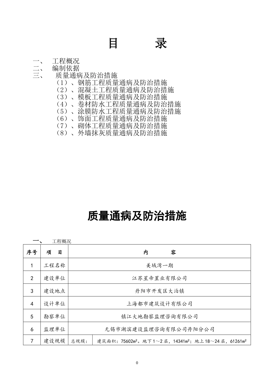
目录一、工程概况二、编制依据三、质量通病及防治措施(1)、钢筋工程质量通病及防治措施(2)、混凝土工程质量通病及防治措施(3)、模板工程质量通病及防治措施(4)、卷材防水工程质量通病及防治措施(5)、涂膜防水工程质量通病及防治措施(6)、饰面工程质量通病及防治措施(7)、砌体工程质量通病及防治措施(8)、外墙抹灰质量通病及防治措施质量通病及防治措施一、工程概况序号项目内容1工程名称美域湾一期2建设单位江苏星帝置业有限公司3建设地点丹阳市开发区大泊镇4设计单位上海都市建筑设计有限公司5勘察单位镇江大地勘察监理咨询有限公司6监理单位无锡市湖滨建设监理咨询有限公司丹阳分公司7建设规模总规模:建筑面积:75602m²。地下1~2层,14341m²;地上18~24层,61261m²0其中:总建筑面积地下面积地上面积层数檐高/全高2#楼9721.51m²998.99m²8722.52m²B2/F1852.70m/59.575m3#楼5#楼9706.96m²984.44m²6#楼7#楼16547.43m²1231.5m²15315.93m²B2/F2470.10m/80.30m8#楼10987.62m²803.00m²10184.62m²车库8339.00m²8339.00m²B1顶面标高:-1.80m建筑面积为施工图说明中标注,未含车道与连通口,实际面积以图纸审算面积为准8建筑功能地上住宅,地下车库及设备用房9工期目标615天10安全文明施工目标力争镇江市级安全文明工地二、编制依据(1)、美域湾一期工程施工组织设计(2)、美域湾一期工程建筑施工图、结构施工图(3)、质量施工手册、安全质量达标手册三、质量通病及防治措施(1)、钢筋工程质量通病及防治措施3.1钢筋工程质量通病(1)钢筋制作下料长度不准,抗震箍筋1350弯钩弯折角度不准,弯钩长度不均匀。(2)洞口钢筋切断后未做弯折处理。(3)主筋绑扎不到位,四角主筋不贴箍筋角,中间主筋不贴箍筋。(4)钢筋搭接长度不足,钢筋绑扎接头位置不当,未避开受拉力较大处或接头,接头末端距弯点未大于10d。(5)箍筋绑扎不垂直于主筋,接头未错开,间距不匀,绑扎不牢固,不贴主筋。(6)柱钢筋、平台钢筋弯钩朝向不对。(7)钢筋绑扎后未做定位处理,混凝土浇注后,钢筋发生位移。钢筋纠偏时,1:6矫正坡度不准。(8)钢筋对焊,焊头不匀。(9)混凝土浇注施工时,悬挑梁板筋被踩下,有效厚度不足。3.2、钢筋工程质量通病的防治措施(1)钢筋下料单要有审核,钢筋制作过程要进行质量控制,检查成型钢筋1的几何尺寸,各种弯钩平直长度,弯钩角度是否符合规范要求,对不合格产品不得交付绑扎使用,并查找原因及时...

1、当您付费下载文档后,您只拥有了使用权限,并不意味着购买了版权,文档只能用于自身使用,不得用于其他商业用途(如 [转卖]进行直接盈利或[编辑后售卖]进行间接盈利)。
2、本站所有内容均由合作方或网友上传,本站不对文档的完整性、权威性及其观点立场正确性做任何保证或承诺!文档内容仅供研究参考,付费前请自行鉴别。
3、如文档内容存在违规,或者侵犯商业秘密、侵犯著作权等,请点击“违规举报”。

碎片内容

蜗牛文库的最新文档

二年级数学下册其中检测卷二年级数学下册其中检测卷附答案#期中测试卷.pdf
10.00金币
0下载
二年级数学下册期末质检卷(苏教版)二年级数学下册期末质检卷(苏教版)#期末复习 #期末测试卷 #二年级数学 #二年级数学下册#关注我持续更新小学知识.pdf
10.00金币
0下载
二年级数学下册期末混合运算专项练习二年级数学下册期末混合运算专项练习#二年级#二年级数学下册#关注我持续更新小学知识 #知识分享 #家长收藏孩子受益.pdf
10.00金币
1下载
二年级数学下册年月日三类周期问题解题方法二年级数学下册年月日三类周期问题解题方法#二年级#二年级数学下册#知识分享 #关注我持续更新小学知识 #家长收藏孩子受益.pdf
10.00金币
0下载
二年级数学下册解决问题专项训练二年级数学下册解决问题专项训练#专项训练#解决问题#二年级#二年级数学下册#知识分享.pdf
10.00金币
1下载
二年级数学下册还原问题二年级数学下册还原问题#二年级#二年级数学#关注我持续更新小学知识 #知识分享 #家长收藏孩子受益.pdf
10.00金币
1下载
二年级数学下册第六单元考试卷家长打印出来给孩子测试测试争取拿到高分!#小学二年级试卷分享 #二年级第六单考试数学 #第六单考试#二年级数学下册.pdf
10.00金币
0下载
二年级数学下册必背顺口溜口诀汇总二年级数学下册必背顺口溜口诀汇总#二年级#二年级数学下册 #知识分享 #家长收藏孩子受益 #关注我持续更新小学知识.pdf
10.00金币
0下载
二年级数学下册《重点难点思维题》两大问题解决技巧和方法巧算星期几解决周期问题还原问题强化思维训练老师精心整理家长可以打印出来给孩子练习#家长收藏孩子受益 #学霸秘籍 #思维训练 #二年级 #知识点总结.pdf
10.00金币
0下载
二年级数学下册 必背公式大全寒假提前背一背开学更轻松#二年级 #二年级数学 #二年级数学下册 #寒假充电计划 #公式.pdf
10.00金币
0下载
蜗牛文库+ 关注
实名认证
内容提供者

提供各种专业文档内容

确认删除?
QQ
  • QQ点击这里给我发消息
微信客服
  • 微信客服
回到顶部